IXTHUS

Lineární senzory KTC

Série KTC

Lineární senzory řady KTC jsou ideální volbou pro přesné měření až do vzdálenosti 1250 mm. S jejich absolutním rozlišením a opakovatelností ± 0,01 mm a linearitou max. ± 0,05 %, jsou senzory KTC skvělým řešením pro různé aplikace. Navíc, díky nerezové hřídeli a robustnímu tělu, jsou senzory KTC odolné a mají dlouhou životnost. Vylepšená technologie Double trimming Technoque zajišťuje vysokou spolehlivost a přesnost měření.
  • Životnost 100 x 10^6
  • Opakovatelnost ± 0,01 mm
  • Měřící rozsah 50 až 1250 mm
  • Teplota -30 až 100 °C
  • Hliníkové tělo
Lxthus_33.jpg

KTC - Lineární snímac

Vybraná varianta

Lxthus_33.jpg

Lineární snímac

Art:

Vybraná varianta

Specifikace

Linearita ±0,07 % (50-375 mm), ±0,05 % (400-3 000 mm)
Napájecí napětí max. 60 V
Odolnost proti vibracím IEC 68-21968 40 G
Odolnost proti vibracím IEC 68-2-6:1982 10 G
Odpor ≤10 mA
Opakovatelnost ±0,01 mm
Pracovní rychlost max. 10 m/s
Pracovní síla ≤2 N (KTC), ≤10 N (KTC-P)
Provozní teplota max. 100 °C
Provozní teplota min. -30 °C
Rozlišení
Spotřeba max. 10 W
Spotřeba min. 3 W
Teplota skladování do 120 °C
Teplota skladování od -50 °C
Třída krytí IP65, IP60
Vodič ≤1 mA
Zdvih max. 1250 mm
Zdvih min. 50 mm

Ke stažení

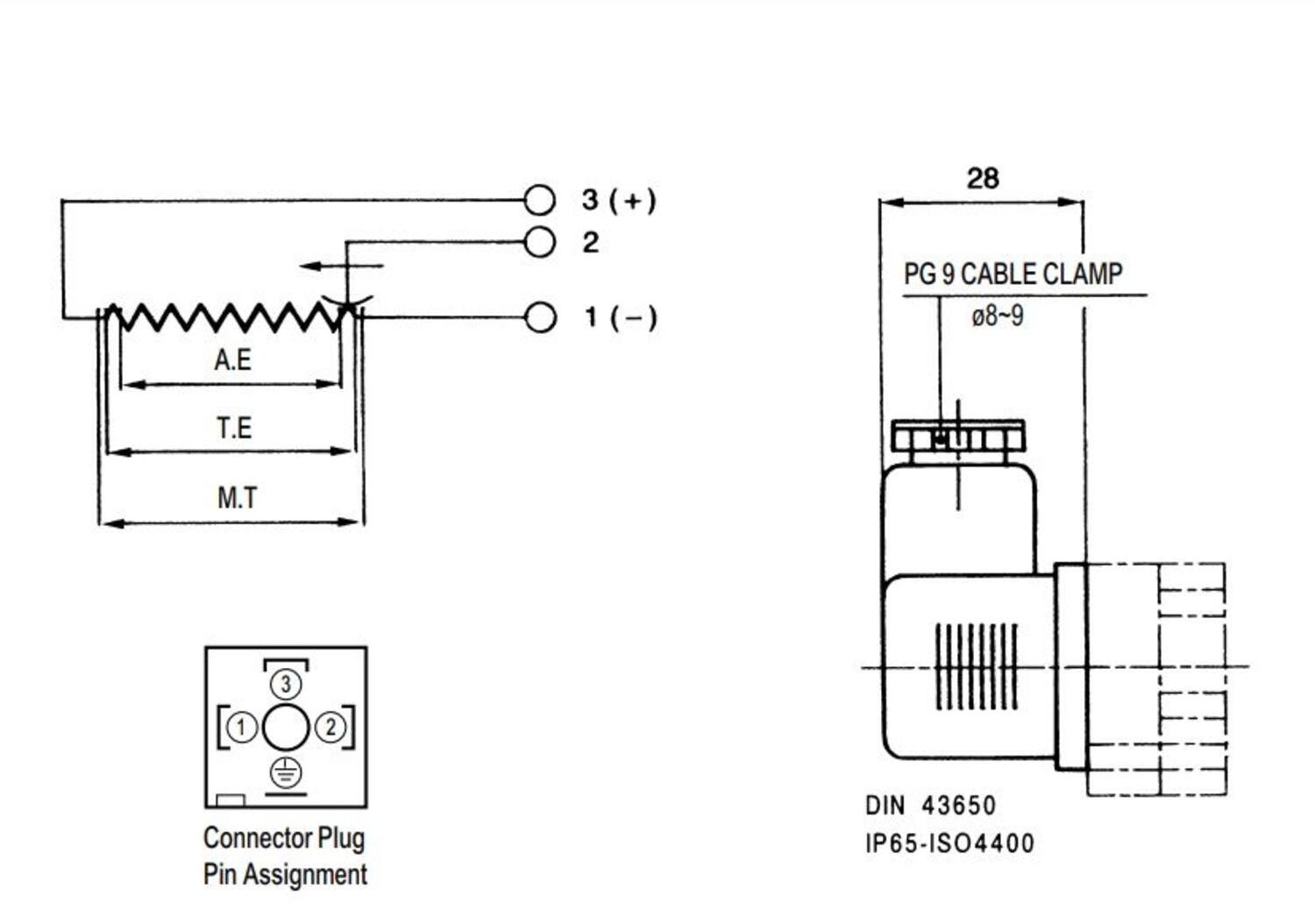
Rozměry a připojení

Nákresy

Popis produktu

Lineární senzory řady KTC jsou určené pro přímé měření až do vzdálenosti 1250 mm. Senzory KTC mají absolutní rozlišení, opakovatelnost ± 0,01 mm a linearitu max. ± 0,05 %. Řada KTC má nerezovu hřídel a robustní tělo, které zajišťuje vysokou odolnosti a dlouhou životnost. Vylepšená technologie (Double trimming Technoque) zajišťuje vysokou spolehlivost a přesnost.

 

Příslušenství

Příbuzné produkty

INSPO

Produktové zprávy

Vibrační hladinové spínače

Procesy v potravinářském, nápojovém a farmaceutickém průmyslu vyžadují přesné měření hladiny. Vibrační spínače WIKA řady TLS-H jsou špičkovým řešením, které díky splnění přísných hygienických požadavků zajišťuje stabilní a spolehlivou detekci.

Produktové zprávy

Přesné řízení průtoku pro čistější budoucnost

Brooks Instrument je tradičním výrobcem v oblasti měření průtoků kapalin a plynů. Již desetiletí jsou jejich produkty používané v nejnáročnějších průmyslových výrobních a analytických procesech

Snímače WIKA pro vodíkové technologie
Produktové zprávy

Snímače WIKA pro vodíkové technologie

Komplexní nabídka snímačů tlaku a teploty, manometrů a dalších komponentů pro vodíkové aplikace od společnosti WIKA

Produktové zprávy

Výrobce plovákových spínačů

Tecnoplastic je Italská výrobní společnost založená v roce 1994, která nabízí plovákové spínače a filtry na pitnou vodu. Výroba probíhá v závodě nedaleko Benátek.

Produktové zprávy

GP200 - Když je požadavkem procesu vysoká přesnost

Regulátor hmotnostního průtoku na bázi diferenčního tlaku Brooks Instruments GP200 umožňuje přesný průtok plynu procesem za různých podmínek.

Události

Road show 2022

Pojďte se s námi podívat jak probíhala naše zákaznická akce Rood show, na které jsme prezentovali novinky z oblasti průmyslové automatizace, digitalizace a optimalizace výrobních procesů.

Zákaznický servis
Kontaktujte nás:
+420 241 484 940
Poslat e-mail
Potřebujete pomoci?
Logo

Cookies nastavení oemautomatic.cz

Soubory cookies nám pomáhají zlepšovat vaši zkušenost s námi a proto, abychom mohli zpracovávat přihlašovací údaje, nabízet personalizovaný obsah a pro základní funkčnost tohoto webu používáme některé soubory cookies.

Nikdy nebudeme prodávat žádné informace o vás.

Můžete přijmout všechny soubory cookies nebo přizpůsobit své preference týkající se souborů cookies, můžete také kdykoli změnit své preference pro soubory cookies návštěvou naší kontaktní stránky.


Nezbytné soubory cookies

Tyto soubory cookies jsou nezbytné pro fungování webu a nelze je v našich systémech vypnout. Obvykle se používají pouze v reakci na akce, které jste provedli v souvislosti s požadavkem na službu, například při nastavení osobních preferencí, přihlášení nebo vyplnění formuláře.

Soubory cookies pro analýzu a měření

Tyto soubory cookies nám umožňují počítat počet návštěv a zdroje návštěvnosti, abychom mohli měřit a zlepšovat výkon našich webových stránek. Pomáhají nám zjistit, které stránky jsou více či méně oblíbené a jak se návštěvníci po webu pohybují. Informace, které tyto cookies shromažďují jsou agregované, a tedy zcela anonymní. Pokud tyto soubory nepovolíte, nevíme, kdy jste navštívili naše webové stránky.

Marketingové soubory cookies

Tyto soubory cookies mohou přidat naši partneři. Mohou je použít k vytvoření vašeho profilu na základě vašich zájmů, aby vám mohli zobrazovat relevantnější informace. Neukládají žádné osobní údaje – pouze informace o vašem prohlížeči a zařízení. Pokud tyto cookies nepřijmete, budete mít obecnější a méně přizpůsobenou uživatelskou zkušenost.