TECHNOSOFT

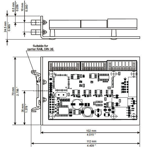
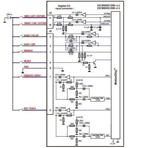
ISCM4805-DIN - 5A Inteligentní stupeň ovladače

  • Až 200W, 5A nepřetržitý 16A špičkový, 12-48VDC
  • Stejnosměrný, bezkomutátorový nebo krokový motor se stejným ovládáním
  • Vestavěný mini-PLC s programovou pamětí a I/O
  • Komunikace přes RS232 a TML-CAN nebo CANopen

Vybraná varianta

Varianty produkty

Vybraná varianta

Specifikace

Příslušenství

INSPO

DC motory, BLDC motory, krokové motory, motory s převodovkou, aktuátory, drivery, lineární vedení
Produktové zprávy

MOTORY PRO KAŽDOU APLIKACI

Součástí nabídky jsou jednoduché DC motory s kartáčovou i bezkartáčovou technologií (BLDC), krokové motory, lineární aktuátory, jednoduché nebo sofistikované kontroléry.

Doga motory
Produktové zprávy

PŘEVODOVÉ ELEKTROMOTORY DOGA

Kartáčové stejnosměrné motory se šnekovým převodem, vyráběné firmou DOGA, jsou vysoce ceněny v odvětví zemědělských strojů a komunální techniky, kde jsou již řadu let úspěšně používány.

AGV vozíky
Produktové zprávy

Komponenty pro AGV zařízení

Společnost OEM Automatic přináší nabídku široké řady komponent, využitelných pro autonomní vedené vozíky (AGV).

OEM Automatic Open Days 2025
Události

OEM AUTOMATIC OPEN DAYS 2025

Akce nabízí příležitost k setkání s našimi inovativními produkty i experty na aplikace. Uvidíte dynamické prezentace nejnovějších výrobků, které dokáží digitálně transformovat Váš provoz, zajistit bezpečnost strojních zařízení a další různé systémy pro automatizaci strojů a řešení. Návštěvu si můžete zpříjemnit skvělým jídlem a pitím, které bude k dispozici formou rautu.

Události

OEM AUTOMATIC OPEN DAYS 2024

Akce nabízí příležitost k setkání s našimi inovativními produkty i experty na aplikace. Uvidíte dynamické prezentace nejnovějších výrobků, které dokáží digitálně transformovat Váš provoz, zajistit bezpečnost strojních zařízení a další různé systémy pro automatizaci strojů a řešení. Návštěvu si můžete zpříjemnit skvělým jídlem a pitím, které bude k dispozici formou rautu.

Produktové zprávy

Facility Management 4.0: Jak zajistit maximální bezpečnost a energetickou efektivitu vaší budovy

Moderní budovy již nejsou pouze statickými strukturami z betonu a skla. Stávají se z nich "živé organismy" řízené sofistikovanými nervovými systémy. Technologie pro monitorování a řízení procesů, často souhrnně označované jako BMS (Building Management Systems) nebo MaR (Měření a Regulace), jsou klíčové pro efektivitu, bezpečnost a komfort uživatelů.

Objednací číslo Cena

Vybraná varianta

Vyberte variantu ze seznamu

Zákaznický servis
Kontaktujte nás:
+420 241 484 940
Poslat e-mail
Potřebujete pomoci?
Logo

Cookies nastavení oemautomatic.cz

Soubory cookies nám pomáhají zlepšovat vaši zkušenost s námi a proto, abychom mohli zpracovávat přihlašovací údaje, nabízet personalizovaný obsah a pro základní funkčnost tohoto webu používáme některé soubory cookies.

Nikdy nebudeme prodávat žádné informace o vás.

Můžete přijmout všechny soubory cookies nebo přizpůsobit své preference týkající se souborů cookies, můžete také kdykoli změnit své preference pro soubory cookies návštěvou naší kontaktní stránky.


Nezbytné soubory cookies

Tyto soubory cookies jsou nezbytné pro fungování webu a nelze je v našich systémech vypnout. Obvykle se používají pouze v reakci na akce, které jste provedli v souvislosti s požadavkem na službu, například při nastavení osobních preferencí, přihlášení nebo vyplnění formuláře.

Soubory cookies pro analýzu a měření

Tyto soubory cookies nám umožňují počítat počet návštěv a zdroje návštěvnosti, abychom mohli měřit a zlepšovat výkon našich webových stránek. Pomáhají nám zjistit, které stránky jsou více či méně oblíbené a jak se návštěvníci po webu pohybují. Informace, které tyto cookies shromažďují jsou agregované, a tedy zcela anonymní. Pokud tyto soubory nepovolíte, nevíme, kdy jste navštívili naše webové stránky.

Marketingové soubory cookies

Tyto soubory cookies mohou přidat naši partneři. Mohou je použít k vytvoření vašeho profilu na základě vašich zájmů, aby vám mohli zobrazovat relevantnější informace. Neukládají žádné osobní údaje – pouze informace o vašem prohlížeči a zařízení. Pokud tyto cookies nepřijmete, budete mít obecnější a méně přizpůsobenou uživatelskou zkušenost.