Vážení zákazníci, ve dnech od 23.12.2025 do 1.1.2026 bude uzavřen sklad společnosti OEM Automatic, spol. s r. o. Poslední expedice tento rok proběhne 17.12.2025.
Dear suppliers, our warehouse will be closed 23.12.2025 - 1.1.2026. Last inbound in this year will be possible till 19.12.2025.
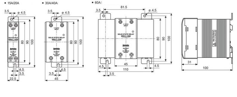
AUTONICS
Polovodičová relé neobsahují žádné pohyblivé části, proto jsou odolná proti vibracím, jsou vhodná pro vysoké četnosti spínání a pracují zcela bezhlučně. Mezi možná využití těchto relé přicházejí v úvahu aplikace jako je řízení vytápění, osvětlení a pohybu nebo v případě potřeby galvanického oddělní vstupů a výstupů.
Vstup | Ovl. napětí ss | Ovl. napětí st | ||||||
Napájecí napětí | 4-32 V ss | 85-264 V ss/st | ||||||
Napětí odpadu | 1 V ss | 10 V st | ||||||
Max. vstupní proud | 9 mA (sp. v nule) 13 mA (sp. okamžité) | 7 mA | ||||||
Doba sepnutí (ms) | Max. 0,5 periody +1 ms (sp. v nule) Max. 1 ms (sp. okamžité) | Max. 1,5 periody + 1ms | ||||||
Doba uvolnění (ms) | Max. 0,5 periody + 1 ms | Max. 0,5 periody + 1 ms | ||||||
| ||||||||
Výstup | 24-240 V st | 48-480 V st | ||||||
Jmenovitý proud | 15 A | 20 A | 30 A | 40 A | 60 A | 20 A | 30 A | 60 A |
Min. proud (Arms) | 0,15 | 0,2 | 0,2 | 0,5 | 0,5 | 0,5 | ||
Pokles napětí při Imax | 1,6 V | 1,6 V | ||||||
Únik proudu | 10 mArms | 10 mArms | ||||||
Špičkový proud 1 cykl (A) | 190 | 270 | 330 | 500 | 1000 | 300 | 500 | 1000 |
Špičkové napětí V | 600 | 600 | ||||||
Tepelný odpor °C/W | 0.4 |
|
|
|
| 0.155 |
|
|
I2t (A2S) | 150 | 300 | 500 | 1000 | 4000 | 350 | 1000 | 4000 |
Polovodič | Tyristor | |||||||
| ||||||||
Všeobecná data |
| |||||||
Provozní teplota | -30 °C až +80 °C | |||||||
Izolační napětí vstup/výstup | 4 kV | |||||||
Homologace | CE-značení, UL/CUL, EMC-kompatibilní | |||||||
Hmotnost | 15/20 A: 225 g 30/40 A: 410 g 60A: 680 g | |||||||
Třída krytí | IP20 | |||||||
|
|
Objednací čísla | Popis | Jmenovitý proud | Ovládací napětí | Výstupní napětí |
SRH1-1230 | Série SRH1 jednofázová statická relé s chladičem
| 30 | 4-30 V ss | 24-240 |
SRH1-1240 | 40 | 4-30 V ss | 24-240 | |
SRH1-1420 | 20 | 4-30 V ss | 48-480 | |
SRH1-1430 | 30 | 4-30 V ss | 48-480 | |
SRH1-1460 | 60 | 4-30 V ss | 48–480 | |
SRH1-4220 | 20 | 90-240 V st | 48–480 | |
SRH1-4230 | 30 | 90-240 V st | 48–480 | |
SRH1-4260 | 60 | 90-240 V st | 48–480 |
| Dielektrická pevnost | 2500 VAC 50/60HZ 1 min |
|---|---|
| Hmotnost | 225 g |
| I2t | 130 A²s |
| Izolační odpor | 100 MΩ |
| Jmenovitý proud max. | 10 A |
| LED indikace | Ano |
| Napětí odpadu | 1 V |
| Ovládací napětí | 4 - 30 VDC |
| Peak current | 160 |
| Počet fází | 1 |
| Provozní teplota max. | 80 °C |
| Provozní teplota min. | -30 °C |
|---|---|
| Shoda s normami | CE, cRUus |
| Šířka | 22,5 mm |
| Špičkové napětí | 600 V |
| Spotřeba | 9 mA |
| Teplota skladování do | 100 °C |
| Teplota skladování od | -30 °C |
| Třída krytí | IP20 |
| Typ spínání | 0 V |
| Výstupní napětí | 24-240 VAC |
Polovodičová relé neobsahují žádné pohyblivé části, proto jsou odolná proti vibracím, jsou vhodná pro vysoké četnosti spínání a pracují zcela bezhlučně. Mezi možná využití těchto relé přicházejí v úvahu aplikace jako je řízení vytápění, osvětlení a pohybu nebo v případě potřeby galvanického oddělní vstupů a výstupů.
Vstup | Ovl. napětí ss | Ovl. napětí st | ||||||
Napájecí napětí | 4-32 V ss | 85-264 V ss/st | ||||||
Napětí odpadu | 1 V ss | 10 V st | ||||||
Max. vstupní proud | 9 mA (sp. v nule) 13 mA (sp. okamžité) | 7 mA | ||||||
Doba sepnutí (ms) | Max. 0,5 periody +1 ms (sp. v nule) Max. 1 ms (sp. okamžité) | Max. 1,5 periody + 1ms | ||||||
Doba uvolnění (ms) | Max. 0,5 periody + 1 ms | Max. 0,5 periody + 1 ms | ||||||
| ||||||||
Výstup | 24-240 V st | 48-480 V st | ||||||
Jmenovitý proud | 15 A | 20 A | 30 A | 40 A | 60 A | 20 A | 30 A | 60 A |
Min. proud (Arms) | 0,15 | 0,2 | 0,2 | 0,5 | 0,5 | 0,5 | ||
Pokles napětí při Imax | 1,6 V | 1,6 V | ||||||
Únik proudu | 10 mArms | 10 mArms | ||||||
Špičkový proud 1 cykl (A) | 190 | 270 | 330 | 500 | 1000 | 300 | 500 | 1000 |
Špičkové napětí V | 600 | 600 | ||||||
Tepelný odpor °C/W | 0.4 |
|
|
|
| 0.155 |
|
|
I2t (A2S) | 150 | 300 | 500 | 1000 | 4000 | 350 | 1000 | 4000 |
Polovodič | Tyristor | |||||||
| ||||||||
Všeobecná data |
| |||||||
Provozní teplota | -30 °C až +80 °C | |||||||
Izolační napětí vstup/výstup | 4 kV | |||||||
Homologace | CE-značení, UL/CUL, EMC-kompatibilní | |||||||
Hmotnost | 15/20 A: 225 g 30/40 A: 410 g 60A: 680 g | |||||||
Třída krytí | IP20 | |||||||
|
|
Objednací čísla | Popis | Jmenovitý proud | Ovládací napětí | Výstupní napětí |
SRH1-1230 | Série SRH1 jednofázová statická relé s chladičem
| 30 | 4-30 V ss | 24-240 |
SRH1-1240 | 40 | 4-30 V ss | 24-240 | |
SRH1-1420 | 20 | 4-30 V ss | 48-480 | |
SRH1-1430 | 30 | 4-30 V ss | 48-480 | |
SRH1-1460 | 60 | 4-30 V ss | 48–480 | |
SRH1-4220 | 20 | 90-240 V st | 48–480 | |
SRH1-4230 | 30 | 90-240 V st | 48–480 | |
SRH1-4260 | 60 | 90-240 V st | 48–480 |
Seifert Systems uvádí SLIMLINE NEO: Revoluční chlazení s R290 bez PFAS. Invertorová technologie srazí náklady a chrání klima. Budoucnost je teď.
Přesná detekce pomocí laserového snímače vzdálenosti HG-F od společnosti Panasonic Industry
Již více než půl století je společnost Seifert Systems v čele vývoje inovativních řešení chlazení, která vyhovují různorodým potřebám průmyslu po celém světě.
Společnost Seifert Systems nabízí různorodou řadu modelových produktů, aby uspokojila různé chladicí potřeby různých průmyslových odvětví.
Společnost Autonics přichází na trh s regulátorem TH4M sloužícím nejen ke kontroly teploty ale současně i vlhkosti.
KUKA je jednou z předních světových společností v oblasti inteligentní automatizace s více než 15 000 zaměstnanci a obratem přibližně 4 miliardy EUR.
|
|
|
|
|
|
||
|---|---|---|---|---|---|---|
|
|
|
|
|
|
||
|
|
|
|
|
|
||
|
|
|
|
|
|
||
|
|
|
|
|
|
||
|
|
|
|
|
|
||
|
|
|
|
|
|
| Objednací číslo | Hmotnost | I2t | Jmenovitý proud max. | Napětí odpadu | Ovládací napětí | Peak current | Šířka | Špičkové napětí | Typ spínání | Výstupní napětí | Cena | ||
|---|---|---|---|---|---|---|---|---|---|---|---|---|---|
|
Polovodičové relé s chladičem, spínání v 0
Art:
SRH1-1430-N
Zkopírováno
|
410 g
|
1000 A²s
|
30 A
|
1 V
|
4 - 30 VDC
|
500
|
44 mm
|
1200 V
|
0 V
|
48-480 VAC
|
| ||
|
Polovodicové relé s chladicem, spínání v 0
Art:
SRH1-1210-N
Zkopírováno
|
225 g
|
130 A²s
|
10 A
|
1 V
|
4 - 30 VDC
|
160
|
22,5 mm
|
600 V
|
0 V
|
24-240 VAC
|
| ||
|
Polovodičové relé s chladičem, spínání v 0
Art:
SRH1-1215-N
Zkopírováno
|
225 g
|
130 A²s
|
15 A
|
1 V
|
4 - 30 VDC
|
160
|
22,5 mm
|
600 V
|
0 V
|
24-240 VAC
|
| ||
|
Polovodicové relé s chladicem, spínání v 0
Art:
SRH1-1220-N
Zkopírováno
|
225 g
|
300 A²s
|
20 A
|
1 V
|
4 - 30 VDC
|
250
|
22,5 mm
|
600 V
|
0 V
|
24-240 VAC
|
| ||
|
Polovodičové relé s chladičem, spínání v 0
Art:
SRH1-1230-N
Zkopírováno
|
410 g
|
910 A²s
|
30 A
|
1 V
|
4 - 30 VDC
|
400
|
44 mm
|
600 V
|
0 V
|
24-240 VAC
|
| ||
|
Polovodicové relé s chladicem, spínání v 0
Art:
SRH1-1240-N
Zkopírováno
|
410 g
|
910 A²s
|
40 A
|
1 V
|
4 - 30 VDC
|
400
|
44 mm
|
600 V
|
0 V
|
24-240 VAC
|
| ||
Polovodicové relé s chladicem, spínání v 0
Art:
SRH1-1260-N
Zkopírováno
|
680 g
|
4000 A²s
|
50 A
|
1 V
|
4 - 30 VDC
|
1000
|
110 mm
|
600 V
|
0 V
|
24-240 VAC
|
| ||
|
Polovodicové relé s chladicem, spínání v 0
Art:
SRH1-1410-N
Zkopírováno
|
225 g
|
350 A²s
|
10 A
|
1 V
|
4 - 30 VDC
|
300
|
22,5 mm
|
1200 V
|
0 V
|
48-480 VAC
|
| ||
|
Polovodicové relé s chladicem, spínání v 0
Art:
SRH1-1415-N
Zkopírováno
|
225 g
|
350 A²s
|
15 A
|
1 V
|
4 - 30 VDC
|
300
|
22,5 mm
|
1200 V
|
0 V
|
48-480 VAC
|
| ||
|
Polovodičové relé s chladičem, spínání v 0
Art:
SRH1-1420-N
Zkopírováno
|
225 g
|
1000 A²s
|
20 A
|
1 V
|
4 - 30 VDC
|
500
|
22,5 mm
|
1200 V
|
0 V
|
48-480 VAC
|
| ||
|
Polovodicové relé s chladicem, spínání v 0
Art:
SRH1-1440-N
Zkopírováno
|
410 g
|
1000 A²s
|
40 A
|
1 V
|
4 - 30 VDC
|
500
|
44 mm
|
1200 V
|
0 V
|
48-480 VAC
|
| ||
Polovodicové relé s chladicem, spínání v 0
Art:
SRH1-1460-N
Zkopírováno
|
680 g
|
4000 A²s
|
50 A
|
1 V
|
4 - 30 VDC
|
1000
|
110 mm
|
1200 V
|
0 V
|
48-480 VAC
|
| ||
|
Polovodicové relé s chladicem, okamžité spínání
Art:
SRH1-1410R-N
Zkopírováno
|
225 g
|
350 A²s
|
10 A
|
1 V
|
4 - 30 VDC
|
300
|
22,5 mm
|
1000 V
|
Okamžité
|
48-480 VAC
|
| ||
|
Polovodicové relé s chladicem, okamžité spínání
Art:
SRH1-1415R-N
Zkopírováno
|
225 g
|
350 A²s
|
15 A
|
1 V
|
4 - 30 VDC
|
300
|
22,5 mm
|
1000 V
|
Okamžité
|
48-480 VAC
|
| ||
|
Polovodicové relé s chladicem, okamžité spínání
Art:
SRH1-1420R-N
Zkopírováno
|
225 g
|
1000 A²s
|
20 A
|
1 V
|
4 - 30 VDC
|
500
|
22,5 mm
|
1000 V
|
Okamžité
|
48-480 VAC
|
| ||
|
Polovodicové relé s chladicem, okamžité spínání
Art:
SRH1-1430R-N
Zkopírováno
|
410 g
|
1000 A²s
|
30 A
|
1 V
|
4 - 30 VDC
|
500
|
44 mm
|
1000 V
|
Okamžité
|
48-480 VAC
|
| ||
|
Polovodicové relé s chladicem, okamžité spínání
Art:
SRH1-1440R-N
Zkopírováno
|
410 g
|
1000 A²s
|
40 A
|
1 V
|
4 - 30 VDC
|
500
|
44 mm
|
1000 V
|
Okamžité
|
48-480 VAC
|
| ||
Polovodicové relé s chladicem, okamžité spínání
Art:
SRH1-1460R-N
Zkopírováno
|
680 g
|
4000 A²s
|
50 A
|
1 V
|
4 - 30 VDC
|
1000
|
110 mm
|
1000 V
|
Okamžité
|
48-480 VAC
|
| ||
|
Polovodicové relé s chladicem, spínání v 0
Art:
SRH1-2210-N
Zkopírováno
|
225 g
|
130 A²s
|
10 A
|
4 V
|
24 VAC
|
160
|
22,5 mm
|
600 V
|
0 V
|
24-240 VAC
|
| ||
|
Polovodicové relé s chladicem, spínání v 0
Art:
SRH1-2215-N
Zkopírováno
|
225 g
|
130 A²s
|
15 A
|
4 V
|
24 VAC
|
160
|
22,5 mm
|
600 V
|
0 V
|
24-240 VAC
|
| ||
|
Polovodicové relé s chladicem, spínání v 0
Art:
SRH1-2220-N
Zkopírováno
|
225 g
|
300 A²s
|
20 A
|
4 V
|
24 VAC
|
250
|
22,5 mm
|
600 V
|
0 V
|
24-240 VAC
|
| ||
|
Polovodicové relé s chladicem, spínání v 0
Art:
SRH1-2230-N
Zkopírováno
|
410 g
|
910 A²s
|
30 A
|
4 V
|
24 VAC
|
400
|
44 mm
|
600 V
|
0 V
|
24-240 VAC
|
| ||
|
Polovodicové relé s chladicem, spínání v 0
Art:
SRH1-2240-N
Zkopírováno
|
410 g
|
910 A²s
|
40 A
|
4 V
|
24 VAC
|
400
|
44 mm
|
600 V
|
0 V
|
24-240 VAC
|
| ||
Polovodicové relé s chladicem, spínání v 0
Art:
SRH1-2260-N
Zkopírováno
|
680 g
|
4000 A²s
|
50 A
|
4 V
|
24 VAC
|
1000
|
110 mm
|
600 V
|
0 V
|
24-240 VAC
|
| ||
|
Polovodicové relé s chladicem, spínání v 0
Art:
SRH1-2410-N
Zkopírováno
|
225 g
|
350 A²s
|
10 A
|
4 V
|
24 VAC
|
300
|
22,5 mm
|
1200 V
|
0 V
|
48-480 VAC
|
| ||
|
Polovodicové relé s chladicem, spínání v 0
Art:
SRH1-2415-N
Zkopírováno
|
225 g
|
350 A²s
|
15 A
|
4 V
|
24 VAC
|
300
|
22,5 mm
|
1200 V
|
0 V
|
48-480 VAC
|
| ||
|
Polovodicové relé s chladicem, spínání v 0
Art:
SRH1-2420-N
Zkopírováno
|
225 g
|
1000 A²s
|
20 A
|
4 V
|
24 VAC
|
500
|
22,5 mm
|
1200 V
|
0 V
|
48-480 VAC
|
| ||
|
Polovodicové relé s chladicem, spínání v 0
Art:
SRH1-2430-N
Zkopírováno
|
410 g
|
1000 A²s
|
30 A
|
4 V
|
24 VAC
|
500
|
44 mm
|
1200 V
|
0 V
|
48-480 VAC
|
| ||
|
Polovodicové relé s chladicem, spínání v 0
Art:
SRH1-2440-N
Zkopírováno
|
410 g
|
1000 A²s
|
40 A
|
4 V
|
24 VAC
|
500
|
44 mm
|
1200 V
|
0 V
|
48-480 VAC
|
| ||
Polovodicové relé s chladicem, spínání v 0
Art:
SRH1-2460-N
Zkopírováno
|
680 g
|
4000 A²s
|
50 A
|
4 V
|
24 VAC
|
1000
|
110 mm
|
1200 V
|
0 V
|
48-480 VAC
|
| ||
|
Polovodicové relé s chladicem, spínání v 0
Art:
SRH1-4210-N
Zkopírováno
|
225 g
|
130 A²s
|
10 A
|
10 V
|
90 - 240 VAC
|
160
|
22,5 mm
|
600 V
|
0 V
|
24-240 VAC
|
| ||
|
Polovodicové relé s chladicem, spínání v 0
Art:
SRH1-4215-N
Zkopírováno
|
225 g
|
130 A²s
|
15 A
|
10 V
|
90 - 240 VAC
|
160
|
22,5 mm
|
600 V
|
0 V
|
24-240 VAC
|
| ||
|
Polovodicové relé s chladicem, spínání v 0
Art:
SRH1-4220-N
Zkopírováno
|
225 g
|
300 A²s
|
20 A
|
10 V
|
90 - 240 VAC
|
250
|
22,5 mm
|
600 V
|
0 V
|
24-240 VAC
|
| ||
|
Polovodičové relé s chladičem, spínání v 0
Art:
SRH1-4230-N
Zkopírováno
|
410 g
|
910 A²s
|
30 A
|
10 V
|
90 - 240 VAC
|
400
|
44 mm
|
600 V
|
0 V
|
24-240 VAC
|
| ||
|
Polovodicové relé s chladicem, spínání v 0
Art:
SRH1-4240-N
Zkopírováno
|
410 g
|
910 A²s
|
40 A
|
10 V
|
90 - 240 VAC
|
400
|
44 mm
|
600 V
|
0 V
|
24-240 VAC
|
| ||
Polovodicové relé s chladicem, spínání v 0
Art:
SRH1-4260-N
Zkopírováno
|
680 g
|
4000 A²s
|
50 A
|
10 V
|
90 - 240 VAC
|
1000
|
110 mm
|
600 V
|
0 V
|
24-240 VAC
|
| ||
Polovodicové relé s chladicem, spínání v 0, analog
Art:
SRH1-A220-N
Zkopírováno
|
410 g
|
350 A²s
|
20 A
|
|
|
300
|
44 mm
|
600 V
|
0 V
|
24-240 VAC
|
| ||
Polovodicové relé s chladicem, spínání v 0, analog
Art:
SRH1-A230-N
Zkopírováno
|
410 g
|
1000 A²s
|
30 A
|
|
|
500
|
44 mm
|
600 V
|
0 V
|
24-240 VAC
|
| ||
Polovodicové relé s chladicem, spínání v 0, analog
Art:
SRH1-A260-N
Zkopírováno
|
680 g
|
4000 A²s
|
60 A
|
|
|
1000
|
110 mm
|
600 V
|
0 V
|
24-240 VAC
|
| ||
Polovodicové relé s chladicem, spínání v 0, analog
Art:
SRH1-A420-N
Zkopírováno
|
410 g
|
350 A²s
|
20 A
|
|
|
300
|
44 mm
|
1000 V
|
0 V
|
200-480 VAC
|
| ||
Polovodicové relé s chladicem, spínání v 0, analog
Art:
SRH1-A430-N
Zkopírováno
|
410 g
|
1000 A²s
|
30 A
|
|
|
500
|
44 mm
|
1000 V
|
0 V
|
200-480 VAC
|
| ||
Polovodicové relé s chladicem, spínání v 0, analog
Art:
SRH1-A460-N
Zkopírováno
|
680 g
|
4000 A²s
|
60 A
|
|
|
1000
|
110 mm
|
1000 V
|
0 V
|
200-480 VAC
|
|
Vyberte variantu ze seznamu
Tomáš Zapadlík