Odpojovače zátěže Reverso lze používat pro napětí až do 690 V. Umožňuje to rozpínací kapacita a velká vzduchová mezera mezi kontakty 7+7 mm. Díky patentované konstrukci připojovacích svorek je možná montáž téhož spínače na panelu rozvaděče nebo na DIN liště. Podle typu páčky lze spínač při montáži do panelu upevnit pomocí šroubů, anebo instalovat do jednoho otvoru průměru 22 mm.
Montáž lze provést i pomocí úchytu pro zadní montáž. Další možností je montáž s prodlužovací sadou, kdy spínač je uvnitř rozváděče a na jeho panelu je jen páčka. Pokud je vyžadováno, aby dveře nebylo možné otevřít, pokud je spínač nastaven v poloze 1, je možné přikoupit sadu 0174249.
Tělo spínače, další kontakty a spojovací moduly jsou dostupné ve třech různých fyzických velikostech: Velikost 1 pro 25-32 A, velikost 2 pro 50-63 A, a velikost 3 pro 80-100 A. Signální kontakty mají naproti tomu stejnou velikost pro všechny velikosti těla. Veškerá připojení jsou chráněna proti dotyku (IP20), ale mohou být rovněž opatřena zvláštními kryty, které se nasunou na svorky.
Technické parametry
| Velikost 1 25 A | Velikost 1 32 A | Velikost 2 50 A | Velikost 2 63 A | Velikost 3 80 A | Velikost 3 100 A |
Všeobecně | | | | | | |
Jmenovitý rozpínací proud Ie AC21 [A] | 25 | 32 | 50 | 63 | 80 | 100 |
Termický jmenovitý proud (Ith) AC 20 [A] | 25 | 32 | 50 | 63 | 80 | 100 |
Ith pro spínač s krytem {A] | 20 | 25 | 40 | 50 | 63 | 80 |
Jmenovité ovládací napětí (Ui) AC [V] | 690 | 690 | 690 | 690 | 690 | 690 |
Max. pulzní nárazové napětí (Uimp) [kV] | 6 | 6 | 6 | 6 | 6 | 6 |
Mechanická životnost ( bez zátěže ) x 106[počet sepnutí] | 0.1 | 0.1 | 0.04 | 0.04 | 0.04 | 0.04 |
Provozní teplota | -30 °C ... +70 °C |
Průřez kabelu, s více vodiči [mm2] | 0.75-6 | 1.5-16 | 2.5-35 |
Průřez kabelu, s jedním vodičem max. [mm2] | 10 | 25 | 50 mm |
Soulad s normami | UL, cUL File E57 817 |
Třída krytí | IP40, (IP65 se zvláštním těsněním, anebo v izolační krabičce ) |
Označení CE podle | IEC 947-3, EN 60 947-3 |
Spínací a rozpínací charakteristika | |
Max. spínací napětí [V eff] | 710 | 710 | 1270 | 1270 | 1970 | 1970 |
Max. rozpínací napětí [V eff] | 330 | 330 | 800 | 800 | 800 | 800 |
Zkratové charakteristiky | |
Jmenovitá krátkodobá proudová špička Icw /400 V/1 s [A eff] | 350 | 430 | 500 | 760 | 1100 | 1500 |
Max. zkratový proud /400 V [A eff] | 1 | 1 | 1.8 | 1.8 | 2.8 | 2.8 |
Max. zkratový proud s pojistkou gl/gG [A] | 25 | 32 | 50 | 63 | 80 | 100 |
Jmenovitý výkon, AC23 [kW] | |
3x230 V | 5.5 | 5.5 | 15 | 15 | 19 | 22 |
3x400 V | 5.5 | 7.5 | 15 | 18.5 | 22 | 30 |
3x500 V | 5.5 | 7.5 | 15 | 22 | 30 | 37 |
3x690 V | 5.5 | 7.5 | 15 | 18.5 | 18.5 | 22 |
Jmenovitý výkon AC3 [kW] | |
3x230 V | 4 | 4 | 7.5 | 11 | 15 | 18.5 |
3x400 V | 5.5 | 7.5 | 15 | 18.5 | 22 | 30 |
3x500 V | 5.5 | 7.5 | 15 | 22 | 30 | 37 |
3x690 V | 5.5 | 7.5 | 15 | 18.5 | 18.5 | 22 |
Jmenovitý provozní proud AC23 | |
/400 V [A] | 14.8 | 21 | 35 | 42 | 57 | 69 |
Elektrická data pro signálové kontakty | | | | | | |
Termický jmenovitý proud Ith [A] | 10 A |
Jmenovitý rozpínací proud AC15 | 230 V/ 6 A | 400 V-4 A |
Montážní otvory

| 
| 
|
Montáž pomocí šroubů, velikost spínače 1 | Montáž do jednoho otvoru, velikost spínače 1 | Montáž pomocí šroubů, velikost spínače 2 a 3 |
Objednací informace ohledně kompletních sestav
Kompletní odpojovač: třípólové tělo včetně žlutočervené páčky (viz obr.)
Objednací čísla | Popis |
0172001 | Reverso, odpojovač zátěže, kompletní, 25 A, žlutočervená zamykatelná páčka 66x66 mm |
0172101 | Reverso, odpojovač zátěže, kompl., 32 A, žlutočervená zamykatelná páčka 66x66 mm |
0172201 | Reverso, odpojovač zátěže, kompl., 50 A, žlutočervená zamykatelná páčka 66x66 mm |
0172301 | Reverso, odpojovač zátěže, kompl., 63 A, žlutočervená zamykatelná páčka 66x66 mm |
0172401 | Reverso, odpojovač zátěže, kompl., 80 A, žlutočervená zamykatelná páčka 86x86 mm |
0172501 | Reverso, odpojovač zátěže, kompl., 100 A, žlutočervená zamykatelná páčka 86x86 mm |
Kompletní odpojovač: třípólové tělo včetně šedé páčky (viz obr.)
Objednací čísla | Popis |
0174001 | Reverso, odpojovač zátěže, kompletní, 25 A, šedá zamykatelná páčka 66x66 mm |
0174101 | Reverso, odpojovač zátěže, kompletní, 32 A, šedá zamykatelná páčka 66x66 mm |
0174201 | Reverso, odpojovač zátěže, kompletní, 50 A, šedá zamykatelná páčka 66x66 mm |
0174301 | Reverso, odpojovač zátěže, kompletní, 63 A, šedá zamykatelná páčka 66x66 mm |
0174401 | Reverso, odpojovač zátěže, kompletní, 80 A, šedá zamykatelná páčka 86x86 mm |
0174501 | Reverso, odpojovač zátěže, kompletní, 100 A, šedá zamykatelná páčka 86x86 mm |
Kompletní odpojovač: třípólové tělo s prodlužovací sadou (prodlužovací osa + sada zajišťující, 1) že při seplém spínači nelze otevřít dveře, 2) správné navedení páčky umístěné na dveřích do elementu na prodlužovací ose) + červenožlutá páčka (viz obr.)
Objednací čísla | Popis |
0165009 | Reverso, odp. zátěže, kompletní, 25 A, žlutočervená páčka 66x66 mm + prodlužovací sada |
0165109 | Reverso, odp. zátěže, kompletní, 32 A, žlutočervená páčka 66x66 mm + prodlužovací sada |
0165209 | Reverso, odp. zátěže, kompletní, 50 A, žlutočervená páčka 66x66 mm + prodlužovací sada |
0165309 | Reverso, odp. zátěže, kompletní, 63 A, žlutočervená páčka 66x66 mm + prodlužovací sada |
0165409 | Reverso, odp. zátěže, kompletní, 80 A, žlutočervená páčka 86x86 mm + prodlužovací sada |
0165509 | Reverso, odp. zátěže, kompletní, 100 A, žlutočervená páčka 86x86 mm + prodlužovací sada |
Kompletní odpojovač: třípólové tělo s prodlužovací sadou (prodlužovací osa + sada zajišťující, 1) že při seplém spínači nelze otevřít dveře, 2) správné navedení páčky umístěné na dveřích do elementu na prodlužovací ose) + šedá páčka (viz obr.)
Objednací čísla | Popis |
0168009 | Reverso, odp. zátěže, kompletní, 25 A, šedá páčka 66x66 mm + prodlužovací sada |
0168109 | Reverso, odp. zátěže, kompletní, 32 A, šedá páčka 66x66 mm + prodlužovací sada |
0168209 | Reverso, odp. zátěže, kompletní, 50 A, šedá páčka 66x66 mm + prodlužovací sada |
0168309 | Reverso, odp. zátěže, kompletní, 63 A, šedá páčka 66x66 mm + prodlužovací sada |
0168409 | Reverso, odp. zátěže, kompletní, 80 A, šedá páčka 86x86 mm + prodlužovací sada |
0168509 | Reverso, odp. zátěže, kompletní, 100 A, šedá páčka 86x86 mm + prodlužovací sada |
Kompletní odpojovač: třípólové tělo s šedou páčkou pro montáž na DIN lištu (standarní modulové rozměry) (žlutočervená na dotaz)
Objednací čísla | Popis |
0174005 | Reverso, odpojovač zátěže, třípólový, 25 A, vel.1, modulové provedení páčky (šedá) |
0174105 | Reverso, odpojovač zátěže, třípólový, 32 A, vel.1, modulové provedení páčky (šedá) |
0174205 | Reverso, odpojovač zátěže, třípólový, 50 A, vel.1, modulové provedení páčky (šedá) |
0174305 | Reverso, odpojovač zátěže, třípólový, 63 A, vel.1, modulové provedení páčky (šedá) |
0174405 | Reverso, odpojovač zátěže, třípólový, 80 A, vel.1, modulové provedení páčky (šedá) |
0174505 | Reverso, odpojovač zátěže, třípólový, 100 A, vel.1, modulové provedení páčky (šedá) |
Rozměry
Reverso | A | B | C | D | E |
25 A-32 A (velikost 1) | 79 | 43.5* | 14.5 | 44 | 53 |
50 A-63 A (velikost 2) | 89 | 63 | 18 | 53.6 | 63 |
80 A-100 A (velikost 3) | 99 | 73 | 26.8 | 71.8 | 73 |
* Na spínačích 25 A a 32 A nejsou žádná krycí víčka. Signální kontakt je běžně zakryt standardním krytem. |
Kompletní třípólový odpojovač v izolační krabičce se 2 prolamovacími vstupy pro kabely (vývodky PG16, M25) na horní a spodní straně
Třída krytí IP65
Objednací čísla | Popis |
0172061 | Reverso, odpojovač zátěže v krabičce, žlutočervený, třípólový, 25 A, vel.1 |
0172161 | Reverso, odpojovač zátěže v krabičce, žlutočervený, třípólový, 32 A, vel.1 |
0174061 | Reverso, odpojovač zátěže v krabičce, šedý, třípólový, 25 A, vel.1 |
0174161 | Reverso, odpojovač zátěže v krabičce, šedý, třípólový, 32 A, vel.1 |
Příslušenství k odpojovačům v krabičkách
Objednací čísla | Popis |
0174599 | Samolepicí štítek s textem na kryt krabičky, negravírovaný |
0174589A | Samolepicí štítek s textem na kryt krabičky, text HLAVNÍ VYPÍNAČ |
0174589B | Samolepicí štítek s textem na kryt krabičky, text BEZPEČNOSTNÍ SPÍNAČ |
0174569 | Samolepicí štítek s textem na kryt krabičky, text MAINSWITCH |
Zvláštní kontakt, signální kontakty a další příslušenství viz níže
Těla spínačů a pomocné kontakty
Těla spínačů a kontakty
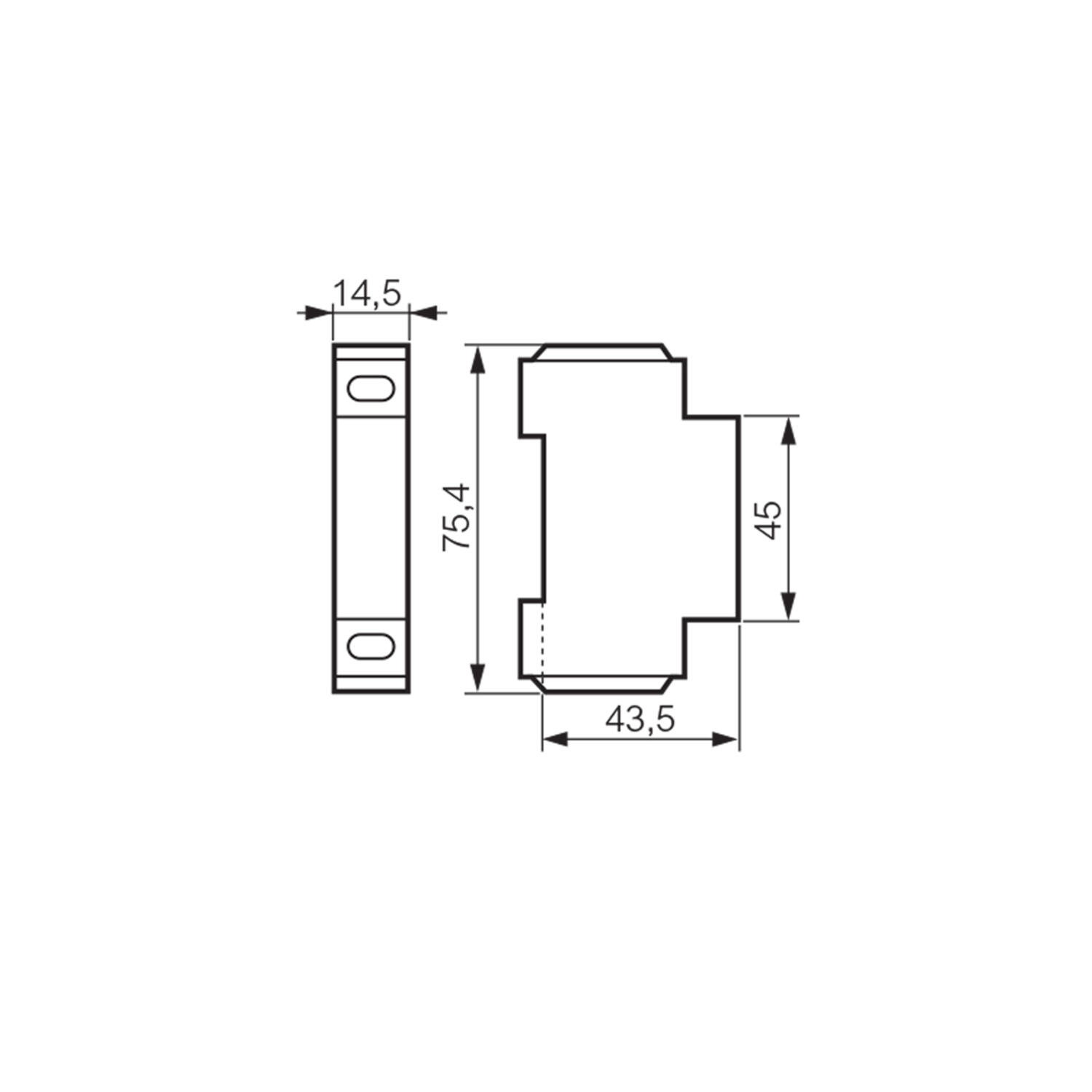
Rozměry těl spínačů
Velikost | rozměr A | rozměr B | rozměr C | rozměr D |
1 | 75.4 | 44 | 31.5 | 50 |
2 | 85 | 53.6 | 42.2 | 60 |
3 | 93 | 71.8 | 52.6 | 70 |
Objednací čísla | Popis |
0172000 | Reverso, odpojovač zátěže, třípólový, 25 A, vel. 1 |
0172100 | Reverso, odpojovač zátěže, třípólový, 32 A, vel. 1 |
0172200 | Reverso, odpojovač zátěže, třípólový, 50 A, vel. 2 |
0172300 | Reverso, odpojovač zátěže, třípólový, 63 A, vel. 2 |
0172400 | Reverso, odpojovač zátěže, třípólový, 80 A, vel. 3 |
0172500 | Reverso, odpojovač zátěže, třípólový, 100 A, vel. 3 |
Pomocné kontakty a spojovací bloky
Rozměry pomocných kontaktů
Velikost | A | B | C |
1 | 75.4 | 14.5 | 43.5 |
2 | 85 | 17.9 | 60 |
3 | 93 | 26.8 | 70 |
Objednací čísla | Popis |
0172075 | Kontakt pro čtvrtý pól, 25 A, vel. 1 |
0172065 | Kontakt pro vodič N, 25 A, vel. 1 |
0172175 | Kontakt pro čtvrtý pól, 32 A, vel. 1 |
0172165 | Kontakt pro vodič N, 32 A, vel. 1 |
0172185 | Spojovací (pevně propojený) blok pro PE nebo N, 25-32 A, vel. 1 |
0172275 | Kontakt pro čtvrtý pól, 50 A, vel. 2 |
0172265 | Kontakt pro vodič N, 50 A, vel. 2 |
0172375 | Kontakt pro čtvrtý pól, 63 A, vel. 2 |
0172365 | Kontakt pro vodič N, 63 A, vel. 2 |
0172385 | Spojovací (pevně propojený) blok pro PE nebo N, 50-63 A, vel. 2 |
0172475 | Kontakt pro čtvrtý pól, 80 A, vel. 3 |
0172465 | Kontakt pro vodič N, 80 A, vel. 3 |
0172575 | Kontakt pro čtvrtý pól, 100 A, vel. 3 |
0172565 | Kontakt pro vodič N, 100 A, vel. 3 |
0172585 | Spojovací (pevně propojený) blok pro PE nebo N, 80-100 A, vel. 3 |
Příslušenství
Pmocné kontakty (NO/NC) a kryty svorek
Objednací čísla | Popis |
0172179 | Pomocný (signální) kontakt, 1 NO+1 NC max. 400 V, Ith 10 A, pro vel. 1, 2 a 3 |
Objednací čísla | Popis |
0172195 | Pomocný kontakt, sepnutí před odpojením, vel. 1, max. 400 V, Ith 10 A |
0172395 | Pomocný kontakt, sepnutí před odpojením, vel. 2, max. 400 V, Ith 10 A |
0172595 | Pomocný kontakt, sepnutí před odpojením, vel. 3, max. 400 V, Ith 10 A |
Objednací čísla | Popis |
0172167 | Třípólový kryt svorek, 25-32 A, vel. 1 |
0172367 | Třípólový kryt svorek, 50-63 A, vel. 2 |
0172567 | Třípólový kryt svorek, 80-100 A, vel. 3 |
Objednací čísla | Popis |
0172177 | Jednopólový kryt svorek pro čtvrtý pól nebo kontakt pro vodič N, 25-32 A, vel. 1 (1ks) |
0172377 | Jednopólový kryt svorek pro čtvrtý pól nebo kontakt pro vodič N, 50-63 A, vel. 2 (1ks) |
0172577 | Jednopólový kryt svorek pro čtvrtý pól nebo kontakt pro vodič N, 80-100 A, vel. 3 (1ks) |
Objednací čísla | Popis |
0172199 | Jednopólový kryt svorek pro pomocný kontakt spínající před odpojením (1ks) |
Objednací čísla | Popis |
0172189 | Jednopólový kryt svorek pro pomocný kontakt 0172179 (NO+NC) (1ks) |
Páčky
Uzamykatelné páčky pro 1-3 visací zámky
Objednací čísla | Popis |
0172601 | Žlutočervená páčka, montáž pomocí šroubů, 66x66 mm, vel. 1-2 |
0174601 | šedá páčka, montáž pomocí šroubů, 66x66 mm, vel. 1-2 |
0172621 | Žlutočervená páčka, montáž pomocí šroubů, 86x86 mm, vel. 2-3 |
0174621 | Šedá páčka, montáž pomocí šroubů, 86x86 mm, vel. 2-3 |
0172603 | Žlutočervená páčka, montáž do jednoho otvoru průměru 22mm, 66x66 mm, vel. 1 |
| |
Štítky s popisem k umístění na tělo odpojovače / Těsnící sady pro IP65
Objednací čísla | Popis |
0172629 | Štítek s popisem, negravírovaný |
0172639 | Reverso, štítek s popisem: INTER PRINCIPAL |
0172649 | Reverso, štítek s popisem: MAINSWITCH |
0172267 | Těsnicí sada IP65 pro montáž do panelu, 25-63 A, 66x66 mm |
0172277 | Těsnicí sada IP65 pro montáž do panelu, 80-100 A, 86x86 mm |
0174259 | Těsnicí sada IP65 pro montáž s prodloužením, 25-63 A, 66x66 mm |
0174269 | Těsnicí sada IP65 pro montáž s prodloužením, 80-100 A, 86x86 mm |
Neuzamykatelné páčky
Objednací čísla | Popis |
0172602 | Žlutočervená, 64x64 mm, montáž pomocí šroubů |
0174602 | Šedá, 64x64 mm, montáž pomocí šroubů |
0172604 | Žlutočervená, 48x48 mm, montáž do otvoru průměru 22 mm |
0174604 | Šedá, 48x48 mm, montáž do otvoru průměru 22 mm |
Prodlužovací sada
(prodlužovací osa + sada zajišťující, 1) že při seplém spínači nelze otevřít dveře, 2) správné navedení páčky umístěné na dveřích do elementu na prodlužovací ose -viz obr.)
Objednací čísla | Popis |
0174179 | Prodlužovací sada, krátká - bez prodlužovací osy (č.1) |
0174189 | Prodlužovací sada - střední, s prodlužovací osou 158 mm (č.2) |
0174199 | Prodlužovací sada - dlouhá, s prodlužovací osou 308 mm (č.3) |
0174249 | Blokování dveří (brání tomu, aby dveře rozváděče mohly jít otevřít v poloze 1) + naváděcí trychtýř |
Velikost | rozměr L , sada č.1 (mm) | rozměr L , sada č.2(mm) | rozměr L , sada č.3 (mm) |
25-32 A | 86-100 | 125-250 | 250-400 |
50-63 A | 96-110 | 135-260 | 260-410 |
80-100 A | 106-120 | 145-270 | 270-420 |
Úchyty pro přichycení spínače na vertikální plochu (zadní montáž)
Objednací čísla | Popis |
0172187 | Úchyt pro zadní montáž, vel. 1 (25-32 A) |
0172387 | Úchyt pro zadní montáž, vel. 2 (50-63 A) |
0172587 | Úchyt pro zadní montáž, vel. 3 (80-100 A) |
Velikost | rozměr A | rozměr B |
1 | 25 | 85 |
2 | 35 | 90 |
3 | 50 | 100 |
Podle vašeho přání rádi zajistíme gravírování. Obraťte se na nás ohledně podrobných informací.