STEGO

Elektronický hygrostat EFR 012

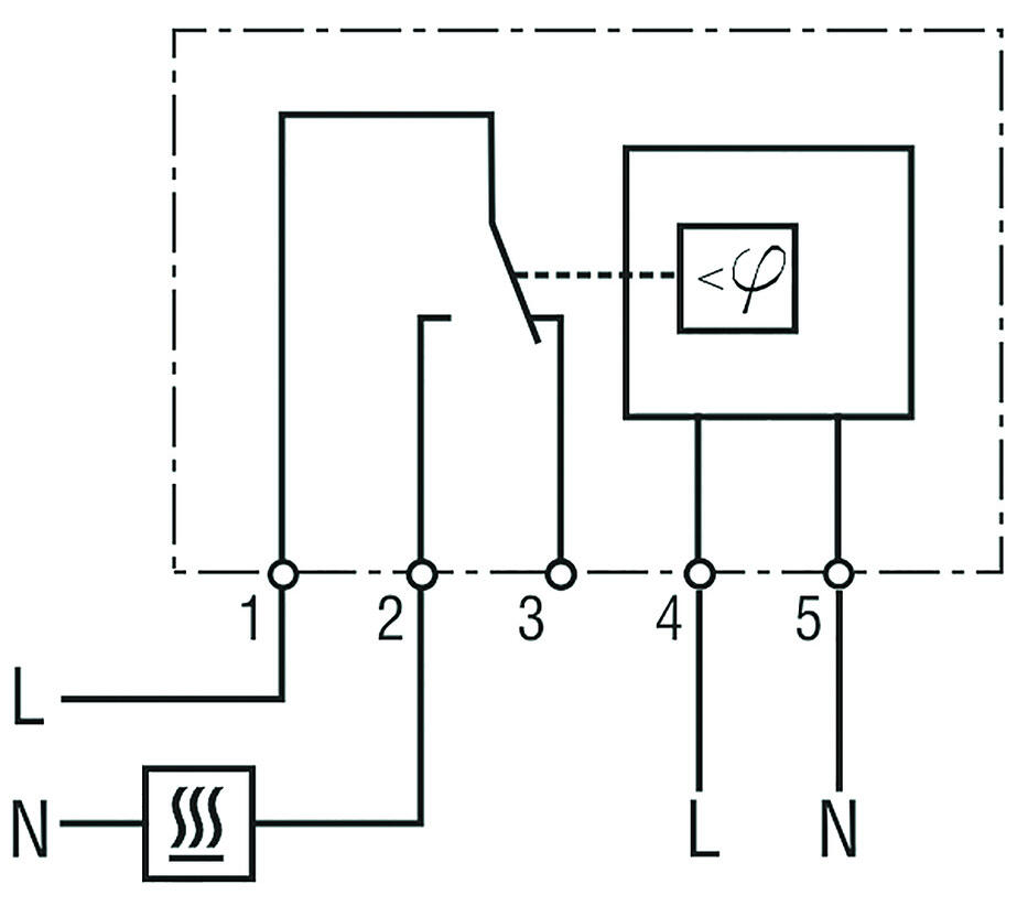
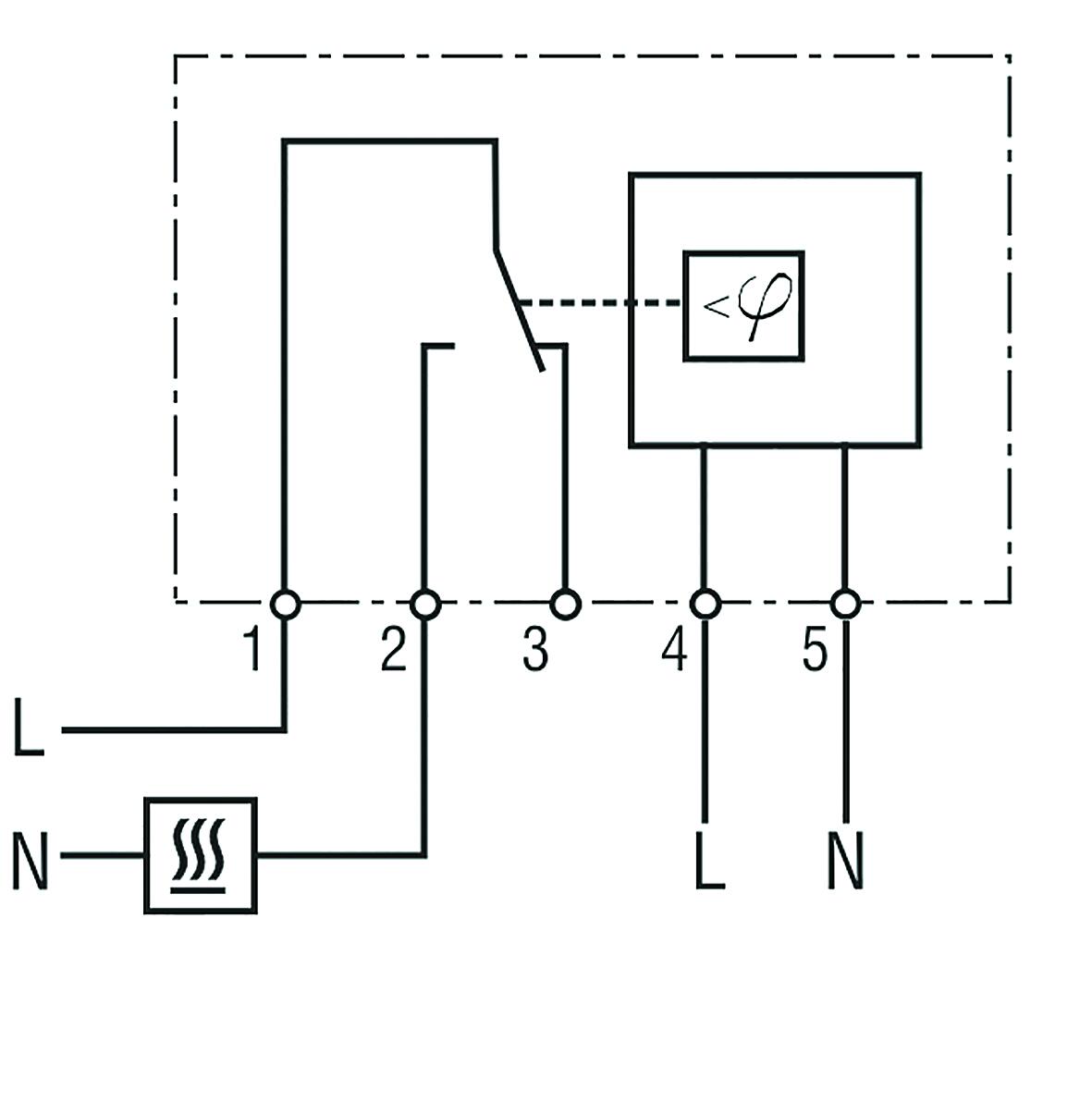
Elektronický hygrostat monitoruje relativní vlhkost vzduchu v uzavřených skříních a zařízeních s elektrickými a elektronickými součástkami. Pokud dojde vlivem změny klimatických podmínek k překročení fixně nastavené limitní hodnoty % RV, hygrostat zapíná připojené topné těleso, které udržuje teplotu vzduchu uvnitř skříně nad teplotou rosného bodu a tím požadovanou RV.
  • Fixní nebo nastavitelná relativní vlhkost
  • Optická LED indikace funkce
  • Vysoký spínaný výkon
  • Montáž na DIN-lištu
  • Kompenzace teploty
Image Hygrostat EFR012 65%RF.png

01246.9-00 - EFR 012 Hygrostat, pevne 65% RH,prepínací kontakt,120VAC,

2013_EFR012_Photo.tif

Image Hygrostat EFR012 40-90%RF.png

01245.9-00 - EFR 012 Hygrostat, 40-90% RH, prepínací kontakt, 120VAC,

Vybraná varianta

Varianty produkty

Vybraná varianta

Specifikace

Barva Světle šedá
Control range humidity from 40 % RF
Control range humidity to 90 % RF
Druh montáže Připnout, DIN lišta
Frekvence 50/60 Hz
Hloubka 38 mm
Hmotnost 0,07 kg
Hysteresis Humidity 5% RH @ 25°C @ 50% RH
Materiál těla Plast
Náběh max. 16 A
Napětí max. 230 V ac
Napětí min 230 V ac
Provozní teplota 0 °C ... +60°C
Provozní vlhkost < 90% RH
Shoda s normami CE, cULus, EAC, RoHS, UL, UL E164102, VDE
Šířka 42 mm
Teplota skladování -20°C ... +70°C
Třída hořlavosti UL94-V0
Třída krytí IP20
Typ kontaktu Přepínací
Vlhkost skladování <90% RH
Výška 64,5 mm

Popis produktu

Elektronický hygrostat monitoruje relativní vlhkost vzduchu v uzavřených skříních a zařízeních s elektrickými

a elektronickými součástkami. Pokud dojde vlivem změny klimatických podmínek k překročení fixně nastavené

limitní hodnoty % RV, hygrostat zapíná připojené topné těleso, které udržuje teplotu vzduchu uvnitř skříně nad

teplotou rosného bodu a tím požadovanou RV. Zamezuje tak kondenzaci vlhkosti ve skříni a vzniku koroze. LED

dioda v otočném regulátoru signalizuje funkci topného tělesa.

Příslušenství

INSPO

Produktové zprávy

Facility Management 4.0: Jak zajistit maximální bezpečnost a energetickou efektivitu vaší budovy

Moderní budovy již nejsou pouze statickými strukturami z betonu a skla. Stávají se z nich "živé organismy" řízené sofistikovanými nervovými systémy. Technologie pro monitorování a řízení procesů, často souhrnně označované jako BMS (Building Management Systems) nebo MaR (Měření a Regulace), jsou klíčové pro efektivitu, bezpečnost a komfort uživatelů.

Produktové zprávy

Efektivní oddělení řídicích a procesních obvodů pomocí reléových modulů DELCON

Případová studie z oblasti papírenského a chemického průmyslu

Produktové zprávy

Nová generace klimatizačních jednotek SLIMLINE NEO

Seifert Systems uvádí SLIMLINE NEO: Revoluční chlazení s R290 bez PFAS. Invertorová technologie srazí náklady a chrání klima. Budoucnost je teď.

Produktové zprávy

Adel System

Oznamuje navázání nové strategické spolupráce s italským výrobcem ADEL System, lídrem v oblasti zálohovaného napájení. Toto partnerství rozšiřuje naše portfolio o špičkové průmyslové napájecí zdroje, DC-UPS systémy a inteligentní nabíječky baterií, které jsou navrženy pro maximální spolehlivost a bezpečnost v nejnáročnějších aplikacích.

Produktové zprávy

Klimatizace pro potravinářský a nápojový průmysl

Zajistěte bezchybný výkon a chraňte veřejné zdraví. Tento průvodce vám pomůže vybrat zařízení, které odolá drsným podmínkám potravinářské výroby a splní veškeré regulační požadavky.

Produktové zprávy

Napájecí zdroj Puls s displejem

Informace přímo z displeje vašeho napájecího zdroje. Věděli jste, že informace můžete získat přímo z vašeho napájecího zdroje?

Objednací číslo Control range humidity from Control range humidity to Napětí max. Napětí min Shoda s normami Cena
40 % RF
90 % RF
230 V ac
230 V ac
CE, cULus, EAC, RoHS, UL, UL E164102, VDE
65 % RF
65 % RF
230 V ac
230 V ac
CE, cULus, EAC, RoHS, UL, UL E164102, VDE
50 % RF
50 % RF
230 V ac
230 V ac
CE, cULus, EAC, RoHS, UL, UL E164102, VDE
40 % RF
90 % RF
120 V ac
120 V ac
CE, cULus, EAC, RoHS, UL, UL E164102
65 % RF
65 % RF
120 V ac
120 V ac
CE, cULus, EAC, RoHS, UL, UL E164102

Vybraná varianta

Vyberte variantu ze seznamu

Kontakt

Vladimír Pípal

Technical sales engineer - Panel pro Východní Čechy a Vysočinu

+420 735 750 642
Poslat e-mail
Zákaznický servis
Kontaktujte nás:
+420 241 484 940
Poslat e-mail
Potřebujete pomoci?