STEGO
| Control range temperature from | 5 °C | 
|---|---|
| Control range temperature to | 60 °C | 
| Hloubka | 38 mm | 
| Hmotnost | 0,1 kg | 
| Hysteresis Temperature | 4° (±1,5 °) | 
| Napětí max. | 120 V ac | 
| Napětí min | 120 V ac | 
| Odolnost kontaktů | <10 mΩ | 
| Provozní teplota | -45°C ... +65°C | 
|---|---|
| Shoda s normami | CE, cULus, EAC, EMC, RoHS, UL | 
| Šířka | 50 mm | 
| Teplota skladování | -45°C ... +65°C | 
| Třída krytí | IP20 | 
| Vypínací kapacita min. | 10 mA | 
| Výška | 67 mm | 
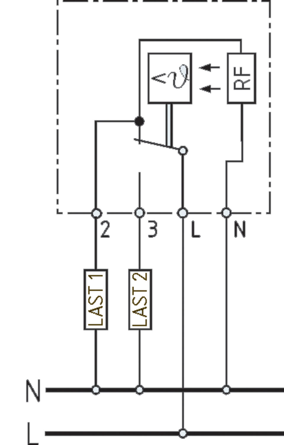
Model FZK 011 má přepínací kontakt, sloužící k ovládání topného tělesa ve skříni nebo k ovládání ventilátoru, případně chladicího nebo signalizačního zařízení.
| Rozsah nastavení | 0 °C až +60 °C | 
| Hystereze | 4 °±1.5 °* | 
| Max. spínaný výkon | NC: 10 A (4) 250 V AC DC 30 W | 
| EMC | EN 50082, EN 55014, EN 60555 | 
| Kryt | Plast, UL94 V0 | 
| Připojení | Čtyřpólová svorka pro max. průřez vodiče 2,5 mm²  | 
| Montáž | Rychloupínací úchyt pro montáž na DIN lištu 35 mm | 
| Třída krytí | IP20 | 
| Přechodový odpor kontaktu | <10 mΩ | 
| Hmotnost | 100 g | 
| Soulad s normami | 
 | 
| * Pokud je topný odpor (RF) připojen ke zdroji napětí 230 V st podle níže uvedeného schématu,  | |
| Zátěž 1: Topné těleso | 
| Objednací číslo | Popis | E-number | 
| 01170.0-00 | Termostat FZK 011, 0-60 ºC, 1 přepínací kontakt | E 25 990 44 | 
 
              
                  Oznamuje navázání nové strategické spolupráce s italským výrobcem ADEL System, lídrem v oblasti zálohovaného napájení. Toto partnerství rozšiřuje naše portfolio o špičkové průmyslové napájecí zdroje, DC-UPS systémy a inteligentní nabíječky baterií, které jsou navrženy pro maximální spolehlivost a bezpečnost v nejnáročnějších aplikacích.
                
 
              Zajistěte bezchybný výkon a chraňte veřejné zdraví. Tento průvodce vám pomůže vybrat zařízení, které odolá drsným podmínkám potravinářské výroby a splní veškeré regulační požadavky.
 
              Případová studie z oblasti papírenského a chemického průmyslu
 
              Informace přímo z displeje vašeho napájecího zdroje. Věděli jste, že informace můžete získat přímo z vašeho napájecího zdroje?
 
              DIN lišty jsou jedním z nejběžnějších způsobů montáže elektrických komponentů v průmyslových aplikacích.
 
              Lutzeho elektronické pojistky nemají žádné mechanické části, ale jsou postaveny na procesoru, který měří proud.
|  |  |  |  |  | ||
|---|---|---|---|---|---|---|
|  |  |  |  |  | ||
|  |  |  |  |  | ||
|  |  |  |  |  | ||
|  |  |  |  |  | ||
|  |  |  |  |  | ||
|  |  |  |  |  | 
| Objednací číslo | Control range temperature from | Control range temperature from | Control range temperature to | Control range temperature to | Detekce | Napětí max. | Napětí min | Provozní teplota | Typ kontaktu | Cena | ||
|---|---|---|---|---|---|---|---|---|---|---|---|---|
|   
      
        FZK 011 termostat, 5-60°C , přepínací kontakt, 120VAC
      
      
       
        Art:
         
          
            01170.9-01
          
          Zkopírováno
         | 
            5 °C
            
            
           |  | 
            60 °C
            
            
           |  |  | 
            120 V ac 
            
            
           | 
            120 V ac 
            
            
           | 
            -45°C ... +65°C 
            
            
           |  |  | ||
|   
      
        FZK 011 termostat +5/+60°C, NO/NC
      
      
       
        Art:
         
          
            01170.0-00
          
          Zkopírováno
         | 
            5 °C
            
            
           |  | 
            60 °C
            
            
           |  |  | 
            230 V ac 
            
            
           | 
            230 v ac 
            
            
           | 
            -45°C ... +65°C 
            
            
           |  |  | ||
|   
      
        FZK 011 termostat, -20-+35°C , přepínací kontakt, 230VAC
      
      
       
        Art:
         
          
            01170.0-02
          
          Zkopírováno
         | 
            -20 °C
            
            
           |  | 
            35 °C
            
            
           |  | 
            Bimetal 
            
            
           | 
            230 V ac 
            
            
           | 
            230 V ac 
            
            
           | 
            -45°C ... +65°C 
            
            
           | 
            Přepínací 
            
            
           |  | ||
|   
      
        FZK 011 termostat, 40-140°F, přepínací, 230VAC
      
      
       
        Art:
         
          
            01170.0-01
          
          Zkopírováno
         |  | 
            40 °F
            
            
           |  | 
            140 °F
            
            
           |  | 
            230 V ac 
            
            
           | 
            230 V ac 
            
            
           | 
            -45°C ... +60°C 
            
            
           |  |  | 
Vyberte variantu ze seznamu
 
            
        Vladimír Pípal