STEGO

Elektronický termo-hygrostat ETF012 s externím čidlem

Tento elektronický regulátor snímá relativní vlhkost vzduchu a teplotu. Jakmile je dosažena některá z předem nastavených hodnot, spouští pomocí reléového kontaktu topení nebo ventilátor. Zamezuje tak kondenzaci vlhkosti ve skřini a vzniku koroze. LED dioda v otočném regulátoru signalizuje funkci připojeného zařízení. Vzhledem ke svému širokému rozsahu napětí může být termo-hygrostat využit kdekoli na světě.
  • Nastavitelná teplota a relativní vlhkost
  • Široký rozsah napájení
  • Vysoká spínací schopnost
  • S externím senzorem
ETF012_w_sensor.jpg

01231.9-01 - ETF 012 termo-hygro. s ext. cidlem, kabel 2m,CO, 100-240VAC

Vybraná varianta

Varianty produkty

Vybraná varianta

Specifikace

Barva Světle šedá
Control range humidity from 50 % RF
Control range humidity to 90 % RF
Control range temperature from 0 °C
Control range temperature to 60 °C
Délka kabelu 1000 mm
Druh montáže Připnout, DIN lišta
EMC EN 55014-1-2, EN 61000-3-2, EN 61000-3-3
Hloubka 43 mm
Hmotnost 0,2 kg
Hysteresis Humidity 4% RH @ +25°C, 50% RH
Hysteresis Temperature 2K @ +25°C, 50% RH
Materiál těla Plast
Náběh max. 30 A
Napětí max. 60 V dc
Napětí min 20 V dc
Odolnost kontaktů <10 mΩ
Provozní teplota -40°C ... +60°C
Provozní vlhkost < 90% RH
Shoda s normami CE, cULus, EAC, RoHS, UL, UL E164102, VDE
Šířka 60 mm
Teplota skladování -40°C ... +60°C
Třída hořlavosti UL94-V0
Třída krytí IP20
Typ kontaktu Přepínací
Vlhkost skladování <90% RH
Výška 77 mm

Popis produktu

Tento elektronický regulátor snímá relativní vlhkost vzduchu a teplotu. Jakmile je dosažena některá z předem nastavených hodnot, spouští pomocí reléového kontaktu topení nebo ventilátor. Zamezuje tak kondenzaci vlhkosti ve skřini a vzniku koroze. LED dioda v otočném regulátoru signalizuje funkci připojeného zařízení. Vzhledem ke svému širokému rozsahu napětí může být termo-hygrostat využit kdekoli na světě.

Pro přesné měření může být externí senzor umístěn kdekoliv volně ve skříni.

Technické parametry

Hystereze (teplota)

2 °C (±1 °C)

Hystereze (vzdušná vlhkost)

4 % (±1 %) rF

Odezva, vlhkost

Cca. 160 sec.

Kontakt

Přepínací

Přechodový odpor kontaktu

<10 mΩ

Elektrická životnost

>100,000 přepnutí

Max. spínaný výkon

240 V AC, 8 A (odporová zátěž)
120 V AC, 8 A (odporová zátěž)
240 V AC, 3 A (induktivní zátěž, cosφ=0.6)
120 V AC, 3 A (induktivní zátěž, cosφ=0.6)
24 V DC, 4 A

EMC

Podle EN 55014-1-2, EN 61000-3-2, EN 61000-3-3

Připojení

Pětipólová svorka pro max. průřez vodiče 2,5 mm²

Montáž

Rychloupínací úchyt pro montáž na DIN lištu 35 mm

Skladovací teplota

-20 °C a +80 °C

Kryt

Plast, UL94 V0, světle šedý

Třída krytí

IP20

Hmotnost

Cca. 0.2 kg

Soulad s normami

Drawing to VDE-approved, Drawing on approved of UL, UL soubor E164102

 

Rozměry

 

Připojení

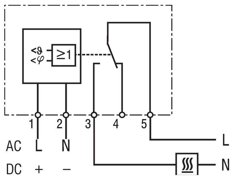
Schéma připojení

Příklad zapojení

Termo-hygrostat     Topné těleso

 

Objednací informace

Objednací číslo

kabel 1m

Objednací číslo

kabel 2m

Popis

Provozní napětí

Teplota

Vlhkost

E-kód

01231.0-00

01231.0-01

Termo-hygrostat elektronický ETF012

100-240V AC, 50/60Hz

0 až +60 °C

50 až 90 % RV

 

01231.9-00

01231.9-01

Termo-hygrostat elektronický ETF012

100-240V AC, 50/60Hz

+32 až 140 °F

50 až 90 % RV

 

01231.1-00

01231.1-01

Termo-hygrostat elektronický ETF012

24-48V DC

0 až +60 °C

50 až 90 % RV

 

 

Příslušenství

INSPO

Produktové zprávy

Facility Management 4.0: Jak zajistit maximální bezpečnost a energetickou efektivitu vaší budovy

Moderní budovy již nejsou pouze statickými strukturami z betonu a skla. Stávají se z nich "živé organismy" řízené sofistikovanými nervovými systémy. Technologie pro monitorování a řízení procesů, často souhrnně označované jako BMS (Building Management Systems) nebo MaR (Měření a Regulace), jsou klíčové pro efektivitu, bezpečnost a komfort uživatelů.

Produktové zprávy

Efektivní oddělení řídicích a procesních obvodů pomocí reléových modulů DELCON

Případová studie z oblasti papírenského a chemického průmyslu

Produktové zprávy

Nová generace klimatizačních jednotek SLIMLINE NEO

Seifert Systems uvádí SLIMLINE NEO: Revoluční chlazení s R290 bez PFAS. Invertorová technologie srazí náklady a chrání klima. Budoucnost je teď.

Produktové zprávy

Adel System

Oznamuje navázání nové strategické spolupráce s italským výrobcem ADEL System, lídrem v oblasti zálohovaného napájení. Toto partnerství rozšiřuje naše portfolio o špičkové průmyslové napájecí zdroje, DC-UPS systémy a inteligentní nabíječky baterií, které jsou navrženy pro maximální spolehlivost a bezpečnost v nejnáročnějších aplikacích.

Produktové zprávy

Klimatizace pro potravinářský a nápojový průmysl

Zajistěte bezchybný výkon a chraňte veřejné zdraví. Tento průvodce vám pomůže vybrat zařízení, které odolá drsným podmínkám potravinářské výroby a splní veškeré regulační požadavky.

Produktové zprávy

Napájecí zdroj Puls s displejem

Informace přímo z displeje vašeho napájecího zdroje. Věděli jste, že informace můžete získat přímo z vašeho napájecího zdroje?

Objednací číslo Control range temperature from Control range temperature from Control range temperature to Control range temperature to Délka kabelu Napětí max. Napětí min Cena
0 °C
60 °C
1000 mm
60 V dc
20 V dc
0 °C
60 °C
2000 mm
60 V dc
20 V dc
0 °C
60 °C
1000 mm
265 V ac
90 V ac
0 °C
60 °C
2000 mm
265 V ac
90 V ac
32 °F
140 °F
1000 mm
265 V ac
90 V ac
32 °F
140 °F
2000 mm
265 V ac
90 V ac

Vybraná varianta

Vyberte variantu ze seznamu

Zákaznický servis
Kontaktujte nás:
+420 241 484 940
Poslat e-mail
Potřebujete pomoci?
Logo

Cookies nastavení oemautomatic.cz

Soubory cookies nám pomáhají zlepšovat vaši zkušenost s námi a proto, abychom mohli zpracovávat přihlašovací údaje, nabízet personalizovaný obsah a pro základní funkčnost tohoto webu používáme některé soubory cookies.

Nikdy nebudeme prodávat žádné informace o vás.

Můžete přijmout všechny soubory cookies nebo přizpůsobit své preference týkající se souborů cookies, můžete také kdykoli změnit své preference pro soubory cookies návštěvou naší kontaktní stránky.


Nezbytné soubory cookies

Tyto soubory cookies jsou nezbytné pro fungování webu a nelze je v našich systémech vypnout. Obvykle se používají pouze v reakci na akce, které jste provedli v souvislosti s požadavkem na službu, například při nastavení osobních preferencí, přihlášení nebo vyplnění formuláře.

Soubory cookies pro analýzu a měření

Tyto soubory cookies nám umožňují počítat počet návštěv a zdroje návštěvnosti, abychom mohli měřit a zlepšovat výkon našich webových stránek. Pomáhají nám zjistit, které stránky jsou více či méně oblíbené a jak se návštěvníci po webu pohybují. Informace, které tyto cookies shromažďují jsou agregované, a tedy zcela anonymní. Pokud tyto soubory nepovolíte, nevíme, kdy jste navštívili naše webové stránky.

Marketingové soubory cookies

Tyto soubory cookies mohou přidat naši partneři. Mohou je použít k vytvoření vašeho profilu na základě vašich zájmů, aby vám mohli zobrazovat relevantnější informace. Neukládají žádné osobní údaje – pouze informace o vašem prohlížeči a zařízení. Pokud tyto cookies nepřijmete, budete mít obecnější a méně přizpůsobenou uživatelskou zkušenost.