LÜTZE

Oddělovací polovodičový (SSR) modul 760312

Série 760312

Výhodou těchto modulů je jejich minimální šířka, která znamená významnou úsporu místa v rozváděči. Jejich svorky lze propojovat hřebeny různýchh barev, přispívajícími ke zjednodušení a zpřehlednění zapojení. Moduly lze objednat i s pružinovými svorkami.
  • Šířka 6.2 mm
  • Možnost propojení hřebeny
  • Bezkontaktní spínání

Vybraná varianta

Plugable interfacerelays for inputs

Zásuvný optoclen 110-230 V/ 3 A

Art:

Vybraná varianta

Specifikace

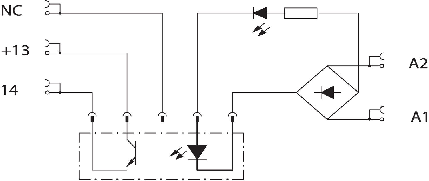
Rozměry a připojení

Popis produktu

Výhodou těchto modulů je jejich minimální šířka, která znamená významnou úsporu místa v rozváděči. Jejich svorky lze propojovat hřebeny různýchh barev, přispívajícími ke zjednodušení a zpřehlednění zapojení. Moduly lze objednat i s pružinovými svorkami.

Technické parametry

 

Vstup

Rozsah vstupního napětí

110-230 V st

Vstupní proud při Unom

6 mA

 

Výstup

Spínané napětí

0-32 V ss

Spínaný proud max./min.

3 A/10 mA

Korekce zátěže

nad +30 °C (viz graf)

Zpoždění při sepnutí

5 ms

Zpoždění při rozepnutí

10 ms

Připojení

šroubové svorky, max. průřez 1.5 mm²

Pracovní teplota

-25 °C až +60 °C

Třída krytí

IP20

Rozměry ŠxVxD

6.2 x 90 x 92.5 mm

CE

ano

Homologace

aktuální informace na vyžádání

 

Připojení

Redukce zátěže v závislosti na teplotě

 

Objednací informace

Objednací čísla

Popis

Spínací napětí

Výstup

760312

Oddělovací polovodičový modul

110-230 V st

 

760802

Propojovací hřeben

červený

16-pólový

 

760803

bílý

 

760804

modrý

 

 

Příslušenství

INSPO

Produktové zprávy

Facility Management 4.0: Jak zajistit maximální bezpečnost a energetickou efektivitu vaší budovy

Moderní budovy již nejsou pouze statickými strukturami z betonu a skla. Stávají se z nich "živé organismy" řízené sofistikovanými nervovými systémy. Technologie pro monitorování a řízení procesů, často souhrnně označované jako BMS (Building Management Systems) nebo MaR (Měření a Regulace), jsou klíčové pro efektivitu, bezpečnost a komfort uživatelů.

Produktové zprávy

Efektivní oddělení řídicích a procesních obvodů pomocí reléových modulů DELCON

Případová studie z oblasti papírenského a chemického průmyslu

Produktové zprávy

Nová generace klimatizačních jednotek SLIMLINE NEO

Seifert Systems uvádí SLIMLINE NEO: Revoluční chlazení s R290 bez PFAS. Invertorová technologie srazí náklady a chrání klima. Budoucnost je teď.

Produktové zprávy

Adel System

Oznamuje navázání nové strategické spolupráce s italským výrobcem ADEL System, lídrem v oblasti zálohovaného napájení. Toto partnerství rozšiřuje naše portfolio o špičkové průmyslové napájecí zdroje, DC-UPS systémy a inteligentní nabíječky baterií, které jsou navrženy pro maximální spolehlivost a bezpečnost v nejnáročnějších aplikacích.

Produktové zprávy

Klimatizace pro potravinářský a nápojový průmysl

Zajistěte bezchybný výkon a chraňte veřejné zdraví. Tento průvodce vám pomůže vybrat zařízení, které odolá drsným podmínkám potravinářské výroby a splní veškeré regulační požadavky.

Produktové zprávy

Napájecí zdroj Puls s displejem

Informace přímo z displeje vašeho napájecího zdroje. Věděli jste, že informace můžete získat přímo z vašeho napájecího zdroje?

Kontakt

Jaroslav Béreš

Sales & Marketing manager

+420 733 122 162
Poslat e-mail
Zákaznický servis
Kontaktujte nás:
+420 241 484 940
Poslat e-mail
Potřebujete pomoci?
Logo

Cookies nastavení oemautomatic.cz

Soubory cookies nám pomáhají zlepšovat vaši zkušenost s námi a proto, abychom mohli zpracovávat přihlašovací údaje, nabízet personalizovaný obsah a pro základní funkčnost tohoto webu používáme některé soubory cookies.

Nikdy nebudeme prodávat žádné informace o vás.

Můžete přijmout všechny soubory cookies nebo přizpůsobit své preference týkající se souborů cookies, můžete také kdykoli změnit své preference pro soubory cookies návštěvou naší kontaktní stránky.


Nezbytné soubory cookies

Tyto soubory cookies jsou nezbytné pro fungování webu a nelze je v našich systémech vypnout. Obvykle se používají pouze v reakci na akce, které jste provedli v souvislosti s požadavkem na službu, například při nastavení osobních preferencí, přihlášení nebo vyplnění formuláře.

Soubory cookies pro analýzu a měření

Tyto soubory cookies nám umožňují počítat počet návštěv a zdroje návštěvnosti, abychom mohli měřit a zlepšovat výkon našich webových stránek. Pomáhají nám zjistit, které stránky jsou více či méně oblíbené a jak se návštěvníci po webu pohybují. Informace, které tyto cookies shromažďují jsou agregované, a tedy zcela anonymní. Pokud tyto soubory nepovolíte, nevíme, kdy jste navštívili naše webové stránky.

Marketingové soubory cookies

Tyto soubory cookies mohou přidat naši partneři. Mohou je použít k vytvoření vašeho profilu na základě vašich zájmů, aby vám mohli zobrazovat relevantnější informace. Neukládají žádné osobní údaje – pouze informace o vašem prohlížeči a zařízení. Pokud tyto cookies nepřijmete, budete mít obecnější a méně přizpůsobenou uživatelskou zkušenost.