PULS

Redundantní moduly pro sérii DIMENSION YR2

Série YR2

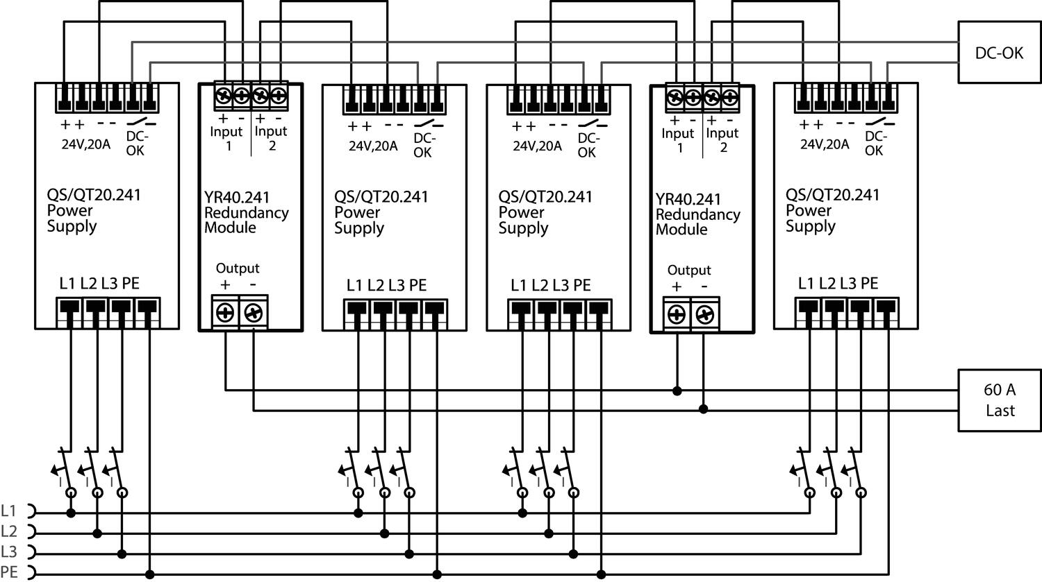
Redundantní modul spojuje dva napájecí zdroje a zajišťuje jejich oddělení. Pokud selže první zdroj, druhý je chráněn před zkratem. Modul může být využit pro zdvojené napájení zátěže, prioritní zátěže nebo ochranu zdroje před indukovaným napětím.
  • MOSFET redundantní moduly od 20A do 80A
  • Pro redundantní systémy N+1 a 1+1
  • Dva vstupy, jeden výstup
  • Ochrana zdroje i zátěže
  • Záruka 3 roky
Redundantní modul YR40.241

YR40.241 - Redundantní modul 40A,24-28VDC

Redundantní modul YR80.241

YR80.241 - Redundantní nodul 24-28V, 2x40A

Redundantní modul YR40.242

YR40.242 - Redundantní modul 12-28 VDC, 40A

Redundantní modul YR80.242

YR80.242 - Redundantní modul 12-28 VDC, 40A

Vybraná varianta

Varianty produkty

Vybraná varianta

Specifikace

Vstupní parametry

Vstupní napětí AC 12-28 V
Vstupní napětí DC min. 8,4 V DC
Vstupní napětí DC max. 36,4 V DC
Vstupní proud na vedení max. 20 A
Vstupní proud při dlouhodobém přetížení nebo zkratu na výstupu (max.) 2x32,5 A

Výstupní parametry

Výstupní napětí 24 V DC
Výstupní proud 40 A
Max. výstupní proud 65 A

Úcinnost / Životnost / MTBF

Životnost 246000 h @ 2x 20 A, 24 V DC, 40 °C
MTBF (IEC 61709) 2706000 h @ 2x 20 A, 24 V DC, 40 °C

Rozmery a hmotnost

Šířka 36 mm

*Invisible Heading*

Výška 124 mm
Hloubka 127 mm
Hmotnost 0,34 kg

Ostatní parametry

Shoda s normami ABS, ATEX, CB, CE, CSA, CSA US, GL, IECEx, UL
Třída krytí IP20
Kryt Hliník
Série Dimension Y
Pokles napětí na polovodiči při Imax. 140 mV
Min. teplota bez omezení výstupního výkonu -40 °C
Max. teplota bez omezení výstupního výkonu 70 °C

Popis produktu

Redundantní modul se používá ve spojení se dvěma napájecími zdroji. Modul má dva samostatné vstupy, které oba zdroje oddělují - v případě závady na výstupu prvního zdroje je druhý zdroj ochráněn před zkratem. Modul lze využít několika způsoby:

a) Zdvojené napájení zátěže - v případě závady na prvním zdroji je zátěž napájena z druhého, stejně dimenzovaného zdroje

b) Napájení prioritních zátěží - v systému jsou běžné zátěže (např. výkonové) a zátěže, které musí být napájeny prioritně. V případě poruchy nebo zkratu na hlavním zdroji jsou dále z rezervního zdroje napájeny jen prioritní zátěže

c) Oddělení napájecího zdroje od zátěží - určité zátěže (motory, baterie) mohou díky indukovanému napětí poškodit napájecí zdroj.

 

Příslušenství

Příbuzné produkty

INSPO

Produktové zprávy

Facility Management 4.0: Jak zajistit maximální bezpečnost a energetickou efektivitu vaší budovy

Moderní budovy již nejsou pouze statickými strukturami z betonu a skla. Stávají se z nich "živé organismy" řízené sofistikovanými nervovými systémy. Technologie pro monitorování a řízení procesů, často souhrnně označované jako BMS (Building Management Systems) nebo MaR (Měření a Regulace), jsou klíčové pro efektivitu, bezpečnost a komfort uživatelů.

Produktové zprávy

Efektivní oddělení řídicích a procesních obvodů pomocí reléových modulů DELCON

Případová studie z oblasti papírenského a chemického průmyslu

Produktové zprávy

Nová generace klimatizačních jednotek SLIMLINE NEO

Seifert Systems uvádí SLIMLINE NEO: Revoluční chlazení s R290 bez PFAS. Invertorová technologie srazí náklady a chrání klima. Budoucnost je teď.

Produktové zprávy

Adel System

Oznamuje navázání nové strategické spolupráce s italským výrobcem ADEL System, lídrem v oblasti zálohovaného napájení. Toto partnerství rozšiřuje naše portfolio o špičkové průmyslové napájecí zdroje, DC-UPS systémy a inteligentní nabíječky baterií, které jsou navrženy pro maximální spolehlivost a bezpečnost v nejnáročnějších aplikacích.

Produktové zprávy

Klimatizace pro potravinářský a nápojový průmysl

Zajistěte bezchybný výkon a chraňte veřejné zdraví. Tento průvodce vám pomůže vybrat zařízení, které odolá drsným podmínkám potravinářské výroby a splní veškeré regulační požadavky.

Produktové zprávy

Napájecí zdroj Puls s displejem

Informace přímo z displeje vašeho napájecího zdroje. Věděli jste, že informace můžete získat přímo z vašeho napájecího zdroje?

Objednací číslo Vstupní proud na vedení max. Vstupní proud při dlouhodobém přetížení nebo zkratu na výstupu (max.) Výstupní proud Max. výstupní proud Životnost MTBF (IEC 61709) Šířka Hmotnost Pokles napětí na polovodiči při Imax. Cena
20 A
2x32,5 A
40 A
65 A
246000 h @ 2x 20 A, 24 V DC, 40 °C
2706000 h @ 2x 20 A, 24 V DC, 40 °C
36 mm
0,34 kg
140 mV
20 A
2x32,5 A
40 A
65 A
255000 h @ 2x 20 A, 24 V DC, 40 °C
4533000 h @ 2x 20 A, 24 V DC, 40 °C
36 mm
0,28 kg
140 mV
40 A
2x65 A
80 A
130 A
143000 h @ 2x 40 A, 24 V DC, 40 °C
2088000 h @ 2x 40 A, 24 V DC, 40 °C
46 mm
0,44 kg
95 mV
40 A
2x65 A
80 A
130 A
85000 h @ 2x 40 A, 24 V DC, 40 °C
2482000 h @ 2x 40 A, 24 V DC, 40 °C
46 mm
0,37 kg
145 mV

Vybraná varianta

Vyberte variantu ze seznamu

Zákaznický servis
Kontaktujte nás:
+420 241 484 940
Poslat e-mail
Potřebujete pomoci?
Logo

Cookies nastavení oemautomatic.cz

Soubory cookies nám pomáhají zlepšovat vaši zkušenost s námi a proto, abychom mohli zpracovávat přihlašovací údaje, nabízet personalizovaný obsah a pro základní funkčnost tohoto webu používáme některé soubory cookies.

Nikdy nebudeme prodávat žádné informace o vás.

Můžete přijmout všechny soubory cookies nebo přizpůsobit své preference týkající se souborů cookies, můžete také kdykoli změnit své preference pro soubory cookies návštěvou naší kontaktní stránky.


Nezbytné soubory cookies

Tyto soubory cookies jsou nezbytné pro fungování webu a nelze je v našich systémech vypnout. Obvykle se používají pouze v reakci na akce, které jste provedli v souvislosti s požadavkem na službu, například při nastavení osobních preferencí, přihlášení nebo vyplnění formuláře.

Soubory cookies pro analýzu a měření

Tyto soubory cookies nám umožňují počítat počet návštěv a zdroje návštěvnosti, abychom mohli měřit a zlepšovat výkon našich webových stránek. Pomáhají nám zjistit, které stránky jsou více či méně oblíbené a jak se návštěvníci po webu pohybují. Informace, které tyto cookies shromažďují jsou agregované, a tedy zcela anonymní. Pokud tyto soubory nepovolíte, nevíme, kdy jste navštívili naše webové stránky.

Marketingové soubory cookies

Tyto soubory cookies mohou přidat naši partneři. Mohou je použít k vytvoření vašeho profilu na základě vašich zájmů, aby vám mohli zobrazovat relevantnější informace. Neukládají žádné osobní údaje – pouze informace o vašem prohlížeči a zařízení. Pokud tyto cookies nepřijmete, budete mít obecnější a méně přizpůsobenou uživatelskou zkušenost.