PULS

Redundantní moduly pro sérii DIMENSION YR2

Série YR2

Redundantní modul může být použit s dvěma napájecími zdroji, má dva nezávislé vstupy s diodami pro oddělení zdrojů. Modul chrání druhý zdroj v případě poruchy prvního zdroje. Je vhodný pro zdvojené napájení zátěže a napájení prioritních zátěží v případě poruchy hlavního zdroje. Tento modul také slouží k ochraně zdroje před indukovaným napětím a pro signalizaci poklesu napětí.
  • Šířka 32 mm
  • Ochrana zdroje i zátěže
  • Snadné oddělení prioritních a běžných zátěží
  • Zvyšení provozní spolehlivost
  • Záruka 3 roky
Redundantní modul YRM2.DIODE

YRM2.DIODE - Redundantní modul 20A,24-60VDC

Redundantní modul YR2.DIODE

YR2.DIODE - Redundantní modul pro radu Q

Vybraná varianta

Varianty produkty

Vybraná varianta

Specifikace

Vstupní parametry

Vstupní napětí AC 12-48 V
Vstupní napětí DC min. 9 V DC
Vstupní napětí DC max. 60 V DC
Vstupní proud na vedení max. 10 A

Výstupní parametry

Výstupní napětí min. 12 V DC
Výstupní napětí max. 48 V DC
Výstupní proud 20 A
Max. výstupní proud 25 A

Rozmery a hmotnost

Šířka 32 mm
Výška 124 mm

*Invisible Heading*

Hloubka 102 mm
Hmotnost 0,29 kg

Ostatní parametry

Shoda s normami ATEX, CB, CE, CSA, CSA US, GL, UL
Třída krytí IP20
Kryt Hliník
Série Dimension Y
Pokles napětí na polovodiči při Imax. 850 mV
Min. teplota bez omezení výstupního výkonu -40 °C
Max. teplota bez omezení výstupního výkonu 70 °C

Popis produktu

Redundantní modul se používá ve spojení se dvěma napájecími zdroji. Modul má dva samostatné vstupy s diodami, které oba zdroje oddělují - v případě závady na výstupu prvního zdroje je druhý zdroj ochráněn před zkratem. Modul lze využít několika způsoby:

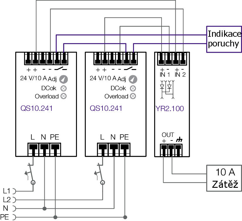
a) Zdvojené napájení zátěže - v případě závady na prvním zdroji je zátěž napájena z druhého, stejně dimenzovaného zdroje (viz obr.1).

b) Napájení prioritních zátěží - v systému jsou běžné zátěže (např. výkonové) a zátěže, které musí být napájeny prioritně. V případě poruchy nebo zkratu na hlavním zdroji jsou dále z rezervního zdroje napájeny jen prioritní zátěže (viz obr. 2).

c) Oddělení napájecího zdroje od zátěží - určité zátěže (motory, baterie) mohou díky indukovanému napětí poškodit napájecí zdroj.

d) Signalizace poklesu výstupního napětí ze zdroje (pouze typ YRM2.DIODE) – určité napájecí zdroje nemají vlastní signalizační kontakty.

Technické parametry

 

YR2.DIODE

YRM2.DIODE

Vstupní napětí

10-60 V ss

24-60 V ss

Vstupní proud

max. 2x 10 A / 1x 20 A (2x 12,5 A v případě aplikace a)

Max. špičkový vstupní proud

150 A (< 10 ms)

Výstupní napětí

UVST- 0,85 V

Výstupní proud

20 A (trvale) / 30 A (< 5 s)

Signalizační výstupy
(vstup 1, vstup 2)

-

30 V ss, 1 A, odporová zátěž

Rozhodovací úroveň

-

Uvst< 21,5 V ss
(-> rozepnutí kontaktu)

Provozní teplota

-25 °C ... +70 °C,
od + 60 °C korekce zátěže 0,5 A /°C

Třída krytí

IP20

Hmotnost

290 g

350 g

Připojení a max. průřez vodiče

pružinové svorky

šroubové svorky

– vstupní a výstupní svorky

6 mm2(pevný vodič) /
4 mm
2(lanko)

– signalizační výstupy

-

konektor, 1,5 mm2

Rozměry

32 x 124 x 102 mm

Střední doba poruchy
(MTBF)
( SN 29500, IEC61709,
I
vst= 2x10 A, Ivýst= 20 A, 40 °C)

46 500 000 h

9 085 000 h

Homologace

CE, UL 508 (USA; YR2.DIODE i CAN), CSA 22.2 no 107.1-01, UL60950-1,
UL1604 class I div 2 (jen YR2.DIODE), CB-Scheme IEC 60950-1, GL, EN/IEC 60204-1,
EN/IEC 61131-2, EN 50178

EMC

EN 61000-6-1, EN61000-6-2, EN 61000-6-3, EN 61000-6-4, EN 55011/ EN 55022 class B

Třída bezpečnosti

SELV IEC/EN 60950-1, PELV EN 60204-1, EN 50178, IEC 60364-4-41, IEC 62103

 

Připojení

Zdvojené napájení zátěže

Systém s prioritními zátěžemi

269286_536.tif


Poznámka:
Modul YRM2.DIODE má stejné zapojení; další možnosti zapojení (více zdrojů, zátěže nad 10 A, …) viz www.pulspower.com nebo na vyžádání

Objednací informace

Objednací čísla

Popis

Vstupní napětí

YR2.DIODE

Redundantní modul

10-60 V ss

YRM2.DIODE

Redundantní modul, signalizační výstupy

22-60 V ss

 

Příslušenství

Příbuzné produkty

INSPO

Produktové zprávy

Facility Management 4.0: Jak zajistit maximální bezpečnost a energetickou efektivitu vaší budovy

Moderní budovy již nejsou pouze statickými strukturami z betonu a skla. Stávají se z nich "živé organismy" řízené sofistikovanými nervovými systémy. Technologie pro monitorování a řízení procesů, často souhrnně označované jako BMS (Building Management Systems) nebo MaR (Měření a Regulace), jsou klíčové pro efektivitu, bezpečnost a komfort uživatelů.

Produktové zprávy

Efektivní oddělení řídicích a procesních obvodů pomocí reléových modulů DELCON

Případová studie z oblasti papírenského a chemického průmyslu

Produktové zprávy

Nová generace klimatizačních jednotek SLIMLINE NEO

Seifert Systems uvádí SLIMLINE NEO: Revoluční chlazení s R290 bez PFAS. Invertorová technologie srazí náklady a chrání klima. Budoucnost je teď.

Produktové zprávy

Adel System

Oznamuje navázání nové strategické spolupráce s italským výrobcem ADEL System, lídrem v oblasti zálohovaného napájení. Toto partnerství rozšiřuje naše portfolio o špičkové průmyslové napájecí zdroje, DC-UPS systémy a inteligentní nabíječky baterií, které jsou navrženy pro maximální spolehlivost a bezpečnost v nejnáročnějších aplikacích.

Produktové zprávy

Klimatizace pro potravinářský a nápojový průmysl

Zajistěte bezchybný výkon a chraňte veřejné zdraví. Tento průvodce vám pomůže vybrat zařízení, které odolá drsným podmínkám potravinářské výroby a splní veškeré regulační požadavky.

Produktové zprávy

Napájecí zdroj Puls s displejem

Informace přímo z displeje vašeho napájecího zdroje. Věděli jste, že informace můžete získat přímo z vašeho napájecího zdroje?

Objednací číslo Vstupní napětí AC Vstupní napětí DC min. Výstupní napětí Výstupní napětí min. Výstupní napětí max. Hloubka Hmotnost DC releový výstup Cena
24-48 V
18 V DC
24 V DC
117 mm
0,35 kg
Ano
12-48 V
9 V DC
12 V DC
48 V DC
102 mm
0,29 kg

Vybraná varianta

Vyberte variantu ze seznamu

Kontakt

Vladimír Pípal

Technical sales engineer - Panel pro Východní Čechy a Vysočinu

+420 735 750 642
Poslat e-mail
Zákaznický servis
Kontaktujte nás:
+420 241 484 940
Poslat e-mail
Potřebujete pomoci?