| Frekvence | DC-60 Hz | 
|---|---|
| High Potential Test Voltage "Hipot" | P->E 2600 V DC, 2 s. P->P 1900 V DC, 2 s. | 
| Hmotnost | 1,3 kg | 
| Leakage Current Per Phase Max | 1,9 mA | 
| MTBF (Mil-HB-217F) | 135000 h @ 40° C, 400 V AC | 
| Operating Voltage Max | 440 V AC | 
| Procesní připojení | Svorková lišta | 
| Provozní teplota max. | 85 °C | 
| Provozní teplota min. | -25 °C | 
|---|---|
| Rated Current, At 40 ° C | 16 A | 
| Shoda s normami | CSA 22.2 N°8 1986, EN60939, IEC 60939, UL 1283 | 
| Třída hořlavosti | UL94-V2 | 
| Třída krytí | IP20 | 
| Typical Converters | 5,5 kW | 
              
                  Oznamuje navázání nové strategické spolupráce s italským výrobcem ADEL System, lídrem v oblasti zálohovaného napájení. Toto partnerství rozšiřuje naše portfolio o špičkové průmyslové napájecí zdroje, DC-UPS systémy a inteligentní nabíječky baterií, které jsou navrženy pro maximální spolehlivost a bezpečnost v nejnáročnějších aplikacích.
                
              Zajistěte bezchybný výkon a chraňte veřejné zdraví. Tento průvodce vám pomůže vybrat zařízení, které odolá drsným podmínkám potravinářské výroby a splní veškeré regulační požadavky.
              Případová studie z oblasti papírenského a chemického průmyslu
              Informace přímo z displeje vašeho napájecího zdroje. Věděli jste, že informace můžete získat přímo z vašeho napájecího zdroje?
              DIN lišty jsou jedním z nejběžnějších způsobů montáže elektrických komponentů v průmyslových aplikacích.
              Lutzeho elektronické pojistky nemají žádné mechanické části, ale jsou postaveny na procesoru, který měří proud.
| 
                   | 
                
                   | 
                
                   | 
                
                   | 
                
                   | 
              ||
|---|---|---|---|---|---|---|
| 
                     | 
                  
                     | 
                  
                     | 
                  
                     | 
                  
                     | 
                ||
| 
                     | 
                  
                     | 
                  
                     | 
                  
                     | 
                  
                     | 
                ||
| 
                     | 
                  
                     | 
                  
                     | 
                  
                     | 
                  
                     | 
                ||
| 
                     | 
                  
                     | 
                  
                     | 
                  
                     | 
                  
                     | 
                ||
| 
                     | 
                  
                     | 
                  
                     | 
                  
                     | 
                  
                     | 
                ||
| 
                     | 
                  
                     | 
                  
                     | 
                  
                     | 
                  
                     | 
                
| Objednací číslo | Hmotnost | Leakage Current Per Phase Max | Rated Current, At 40 ° C | Typical Converters | Cena | ||
|---|---|---|---|---|---|---|---|
| 
   
      
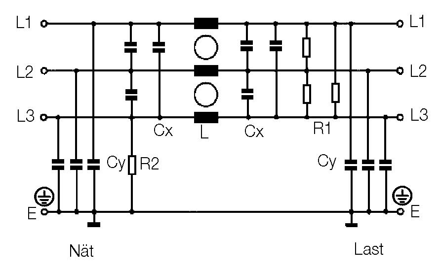
        Síťový filtr 3-fázový, 480 V AC/16 A. Připojení na svorky
      
      
       
  
        Art:
         
    
          
            FN351-16-29
          
          Zkopírováno
         
       | 
  
        
           
            1,3 kg
            
            
           
         | 
        
           
            1,9 mA
            
            
           
         | 
        
           
            16 A
            
            
           
         | 
        
           
            5,5 kW
            
            
           
         | 
     |   ||
| 
   
      
        Síťový filtr 3-fázový, 480 V AC/25 A. Připojení na svorky
      
      
       
  
        Art:
         
    
          
            FN351-25-33
          
          Zkopírováno
         
       | 
  
        
           
            1,4 kg
            
            
           
         | 
        
           
            28 mA
            
            
           
         | 
        
           
            25 A
            
            
           
         | 
        
           
            11 kW
            
            
           
         | 
     |   ||
| 
   
      
        Síťový filtr 3-fázový, 480 V AC/36 A. Připojení na svorky
      
      
       
  
        Art:
         
    
          
            FN351-36-33
          
          Zkopírováno
         
       | 
  
        
           
            1,5 kg
            
            
           
         | 
        
           
            28 mA
            
            
           
         | 
        
           
            36 A
            
            
           
         | 
        
           
            15 kW
            
            
           
         | 
     |   ||
| 
   
      
        Síťový filtr 3-fázový, 480 V AC/50 A. Připojení na svorky
      
      
       
  
        Art:
         
    
          
            FN351-50-33
          
          Zkopírováno
         
       | 
  
        
           
            1,6 kg
            
            
           
         | 
        
           
            29,5 mA
            
            
           
         | 
        
           
            50 A
            
            
           
         | 
        
           
            22 kW
            
            
           
         | 
     |   ||
| 
   
      
        Síťový filtr 3-fázový, 480 V AC/64 A. Připojení na svorky
      
      
       
  
        Art:
         
    
          
            FN351-64-33
          
          Zkopírováno
         
       | 
  
        
           
            1,7 kg
            
            
           
         | 
        
           
            29,5 mA
            
            
           
         | 
        
           
            64 A
            
            
           
         | 
        
           
            30 kW
            
            
           
         | 
     |   ||
| 
   
      
        Síťový filtr 3-fázový, 480 V AC/80 A. Připojení na svorky
      
      
       
  
        Art:
         
    
          
            FN351-80-34
          
          Zkopírováno
         
       | 
  
        
           
            5,6 kg
            
            
           
         | 
        
           
            31,8 mA
            
            
           
         | 
        
           
            80 A
            
            
           
         | 
        
           
            37 kW
            
            
           
         | 
     |   ||
| 
   
      
        Síťový filtr 3-fázový, 480 V AC/110 A. Připojení na svorky
      
      
       
  
        Art:
         
    
          
            FN351-110-35
          
          Zkopírováno
         
       | 
  
        
           
            5,8 kg
            
            
           
         | 
        
           
            31,8 mA
            
            
           
         | 
        
           
            110 A
            
            
           
         | 
        
           
            55 kW
            
            
           
         | 
     |   ||
| 
   
      
        Síťový filtr 3-fázový, 480 V AC/180 A. Připojení na svorky
      
      
       
  
        Art:
         
    
          
            FN351-180-36
          
          Zkopírováno
         
       | 
  
        
           
            13 kg
            
            
           
         | 
        
           
            29,6 mA
            
            
           
         | 
        
           
            180 A
            
            
           
         | 
        
           
            90 kW
            
            
           
         | 
     |   ||
| 
   
      
        Síťový filtr 3-fázový, 480 V AC/280 A. Připojení na svorky
      
      
       
  
        Art:
         
    
          
            FN351-280-37
          
          Zkopírováno
         
       | 
  
        
           
            28 kg
            
            
           
         | 
        
           
            35,7 mA
            
            
           
         | 
        
           
            280 A
            
            
           
         | 
        
           
            132 kW
            
            
           
         | 
     |   
Vyberte variantu ze seznamu
            
        Vladimír Pípal