Vážení zákazníci, ve dnech od 23.12.2025 do 1.1.2026 bude uzavřen sklad společnosti OEM Automatic, spol. s r. o. Poslední expedice tento rok proběhne 17.12.2025.
Dear suppliers, our warehouse will be closed 23.12.2025 - 1.1.2026. Last inbound in this year will be possible till 19.12.2025.
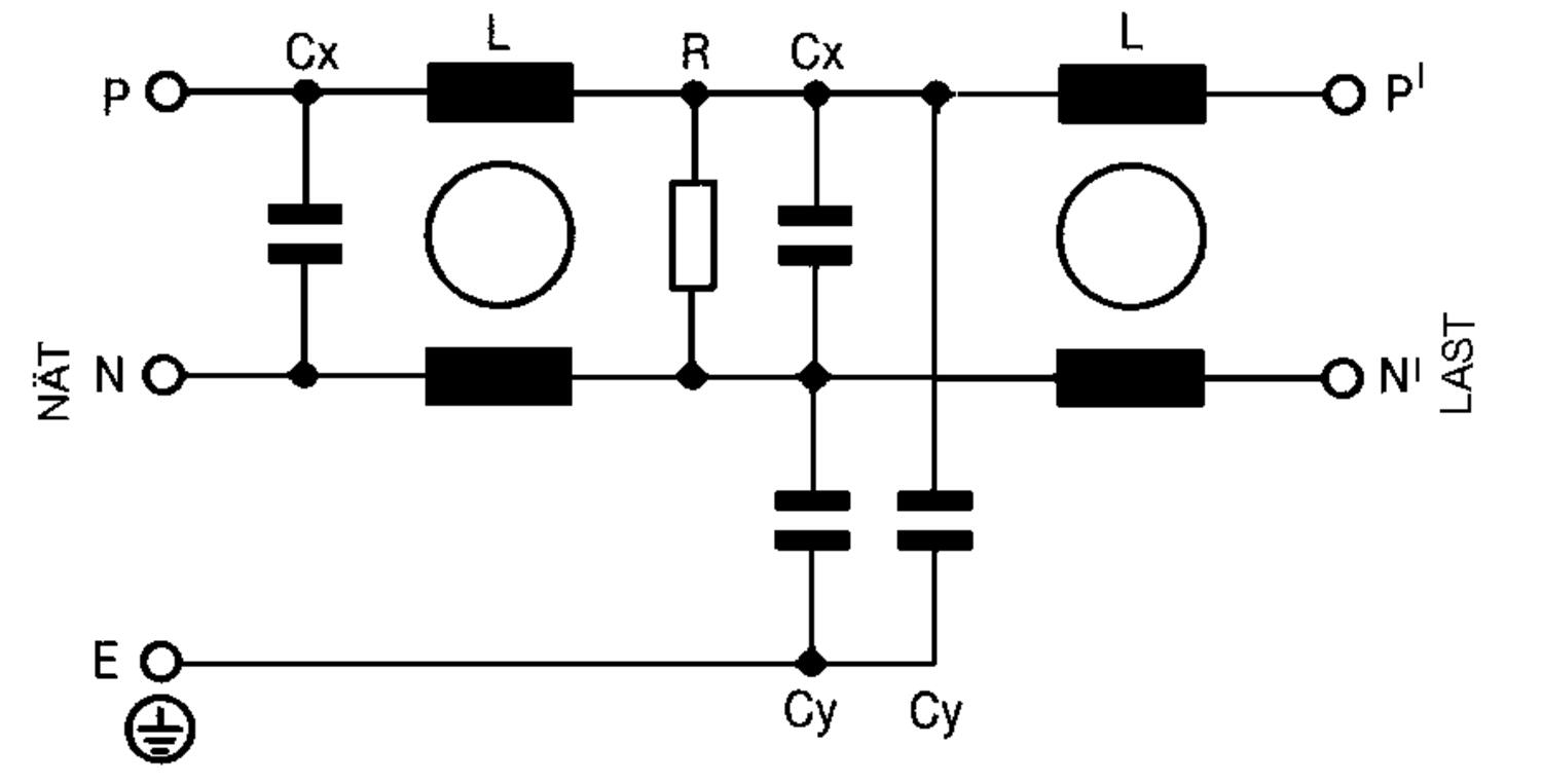
| Capacitance Cx | 0,22 µF |
|---|---|
| Capacitance Cy | 4,7 nF |
| Frekvence | DC-400 Hz |
| High Potential Test Voltage "Hipot" | P->PE 2000 V AC, 2 s. P->N 1100 V DC, 2 s. |
| Hmotnost | 0,12 kg |
| Indukce | 12 mH |
| Leakage Current Per Phase Max | 0,734 mA |
| MTBF (Mil-HB-217F) | 950000 h @ 40° C, 230 V AC |
| Operating Voltage Max | 250 V AC |
|---|---|
| Procesní připojení | Plochá zástrčka |
| Provozní teplota max. | 100 °C |
| Provozní teplota min. | -25 °C |
| Rated Current, At 40 ° C | 1 A |
| Shoda s normami | CSA 22.2 N°8 1986, EN60939, IEC 60939, UL 1283 |
| Třída hořlavosti | UL94-V2 |
Seifert Systems uvádí SLIMLINE NEO: Revoluční chlazení s R290 bez PFAS. Invertorová technologie srazí náklady a chrání klima. Budoucnost je teď.
Oznamuje navázání nové strategické spolupráce s italským výrobcem ADEL System, lídrem v oblasti zálohovaného napájení. Toto partnerství rozšiřuje naše portfolio o špičkové průmyslové napájecí zdroje, DC-UPS systémy a inteligentní nabíječky baterií, které jsou navrženy pro maximální spolehlivost a bezpečnost v nejnáročnějších aplikacích.
Zajistěte bezchybný výkon a chraňte veřejné zdraví. Tento průvodce vám pomůže vybrat zařízení, které odolá drsným podmínkám potravinářské výroby a splní veškeré regulační požadavky.
Případová studie z oblasti papírenského a chemického průmyslu
Informace přímo z displeje vašeho napájecího zdroje. Věděli jste, že informace můžete získat přímo z vašeho napájecího zdroje?
DIN lišty jsou jedním z nejběžnějších způsobů montáže elektrických komponentů v průmyslových aplikacích.
|
|
|
|
|
|
||
|---|---|---|---|---|---|---|
|
|
|
|
|
|
||
|
|
|
|
|
|
||
|
|
|
|
|
|
||
|
|
|
|
|
|
||
|
|
|
|
|
|
||
|
|
|
|
|
|
| Objednací číslo | Capacitance Cx | Capacitance Cy | Hmotnost | Indukce | Leakage Current Per Phase Max | Procesní připojení | Rated Current, At 40 ° C | Resistance | Cena | ||
|---|---|---|---|---|---|---|---|---|---|---|---|
|
Síťový filtr 2-stupňový, 1-fázový/1 A. Připojení plochým kolíkem
Art:
FN2060-1-06
Zkopírováno
|
0,22 µF
|
4,7 nF
|
0,12 kg
|
12 mH
|
0,734 mA
|
Plochá zástrčka
|
1 A
|
|
| ||
|
Síťový filtr 2-stupňový, 1-fázový/3 A. Připojení plochým kolíkem
Art:
FN2060-3-06
Zkopírováno
|
0,22 µF
|
4,7 nF
|
0,12 kg
|
2,5 mH
|
0,734 mA
|
Plochá zástrčka
|
3 A
|
|
| ||
|
Síťový filtr 2-stupňový, 1-fázový/6 A. Připojení plochým kolíkem
Art:
FN2060-6-06
Zkopírováno
|
0,22 µF
|
4,7 nF
|
0,12 kg
|
0,97 mH
|
0,734 mA
|
Plochá zástrčka
|
6 A
|
|
| ||
|
Síťový filtr 2-stupňový, 1-fázový/10 A. Připojení plochým kolíkem
Art:
FN2060-10-06
Zkopírováno
|
0,47 µF
|
4,7 nF
|
0,19 kg
|
0,8 mH
|
0,734 mA
|
Plochá zástrčka
|
10 A
|
|
| ||
|
Síťový filtr 2-stupňový, 1-fázový/12 A. Připojení plochým kolíkem
Art:
FN2060-12-06
Zkopírováno
|
0,47 µF
|
4,7 nF
|
0,19 kg
|
0,58 mH
|
0,734 mA
|
Plochá zástrčka
|
12 A
|
|
| ||
|
Síťový filtr 2-stupňový, 1-fázový/16 A. Připojení plochým kolíkem
Art:
FN2060-16-06
Zkopírováno
|
0,33 µF
|
4,7 nF
|
0,26 kg
|
0,65 mH
|
0,734 mA
|
Plochá zástrčka
|
16 A
|
|
| ||
|
Síťový filtr 2-stupňový, 1-fázový/30 A. Závrtný šroub M4
Art:
FN2060-30-08
Zkopírováno
|
1 µF
|
10 nF
|
0,95 kg
|
0,6 mH
|
0,867 mA
|
Šroub
|
30 A
|
220 kΩ
|
|
Vyberte variantu ze seznamu