CROUZET CONTROL

Relé pro kontrolu proudu v jednofázové soustavě

Série HIL, HIH

Relé monitoruje překročení nebo podkročení nastavené hodnoty proudu a to v režimu s pamětí nebo bez paměti.Paměťový režim znamená, že po výskytu chyby je třeba provést opětovnou inicializaci odpojením Un. Měřený proud může být stejnosměrný nebo střídavý. Funkci relé volíme přepínačem na čelní straně. Poloha přepínače je načtena vždy v okamžiku připojení Un.
  • Dva modely HIL 2 mA-500 mA, HIH 0,1 A-10 A
  • Galvanické oddělení mezi napájecími obvody a měřící částí
  • Automatická detekce st, nebo ss
  • Šířka 35 mm
Control relay

84871120 - HIL kontrolní relé

Vybraná varianta

Varianty produkty

Vybraná varianta

Specifikace

Časové zpoždění při překročení prahové hodnoty 0,1-3s
Časové zpoždění startu 1-20s
Druh montáže DIN lišta
E1-M max. continuous current in 25°C 2 A
E1-M max. current <1s at 25°C 17 A
E2-M max. continuous current in 25°C 11 A
E2-M max. current <1s at 25°C 20 A
E3-M max. continuous current in 25°C 11 A
E3-M max. current <1s at 25°C 50 A
Hmotnost 130 g
Jmenovitý výkon 5A, 250V AC/DC
Napájecí napětí 24-240V ac/dc
Provozní teplota max. 50 °C
Provozní teplota min. -20 °C
Rozsah měření E1-M 0,1-1A
Rozsah měření E2-M 0,5-5A
Rozsah měření E3-M 1-10A
Shoda s normami CE, CSA, RoHS, UL
Teplota skladování do 70 °C
Teplota skladování od -30 °C
Threshold Adjustable from 10 %
Threshold Adjustable to 100 %
Třída krytí pouzdra IP30
Třída krytí připojení IP20
Výstup Relé 2 pól C/O

Rozměry a připojení

Nákresy

Popis produktu

Relé monitoruje překročení nebo podkročení nastavené hodnoty proudu a to v režimu s pamětí nebo bez paměti.Paměťový režim znamená, že po výskytu chyby je třeba provést opětovnou inicializaci odpojením Un. Měřený proud může být stejnosměrný nebo střídavý.
Funkci relé volíme přepínačem na čelní straně. Poloha přepínače je načtena vždy v okamžiku připojení Un. Pokud dojde k přepnutí tohoto přepínače za provozu, začnou blikat všechny indikátory LED a relé i nadále pracuje s původně zvolenou funkcí (nová funkce platí až po odpojení a následném připojení Un). Mezní hodnota proudu se nastavuje trimrem, který je opatřen stupnicí v procentech zvoleného rozsahu. Hodnota hystereze se nastavuje obdobným způsobem na stupnici cejchované v rozsahu 5-50 % z nastavené hodnoty. Hodnota hystereze nemůže být vyšší než mezní hodnota rozsahu měření. Časové zpoždění Tt slouží k překlenutí krátkodobých odchylek měřené hodnoty. Časové zpoždění Ti je určeno pro překlenutí nestandardních hodnot při rozběhu.
Zelená LED signalizuje přítomnost napájecího napětí (Un). Žlutá LED signalizuje sepnutý releový výstup (R). V případě výskytu chyby relé odpadne a žlutá LED zhasne.


S pamětí

Bez paměti

1: Mezní hodnota

1: Mezní hodnota

2: Hystereze

2: Hystereze

3: Signalizuje překročení

3: Signalizuje překročení

4: Signalizuje podkročení

4: Signalizuje podkročení

5: Napájecí napětí

5: Napájecí napětí

6: Monitorovaný proud

6: Monitorovaný proud

7: Doba ustálení (Ti)

7: Doba ustálení (Ti)

8: Časové zpoždění při překročení mezní hodnoty (Tt)

8: Časové zpoždění při překročení mezní hodnoty (Tt)

 

Technické parametry

Jmenovité napětí

24-240 V st/ss 50/60 Hz +10%/-15%

Galvanické oddělení

Ano

Vlastní spotřeba

3,5 VA st/0,6 W ss

Nastavitelná mezní hodnota

10-100 %

Nastavitelná hystereze

5-50 %

Časové zpoždění (Tt)

0.1–3 s ±10 %

Čas rozběhu (Ti)

1-20 s

Výstupní relé

5 A st/ss pro 250V st/ss
odporová zátěž

Provozní teplota

-20 °C až 50 °C

Hmotnost

130 g

Shoda s normami

Ce-marking, (LVD) 73/23/EEC-EMC 89/336/EEC, RoHs.WEEE

Montáž

Symetrická lišta DIN 35mm

Rozsah měření HIL

E1-M

E2-M

E3-M

Nastavitelný rozsah

2-20 mA

10-100 mA

50-500 mA

Vstupní odpor

5 Ω

1 Ω

0.2 Ω

Max. trvalé přetížení při teplotě 25 °C

0.4 A

1 A

2 A

Pulzní přetížení <1 s při teplotě 25 °C

1 A

5 A

8 A

Rozsah měření HIH

E1-M

E2-M

E3-M

Nastavitelný rozsah

0.1-1 A

0.5-5 A

1-10 A

Vstupní odpor

0.1 Ω

0.02 Ω

0.01 Ω

Max. trvalé přetížení při teplotě 25 °C

2 A

11 A

11 A

Pulzní přetížení <1 s při teplotě 25 °C

17 A

20 A

50 A

 

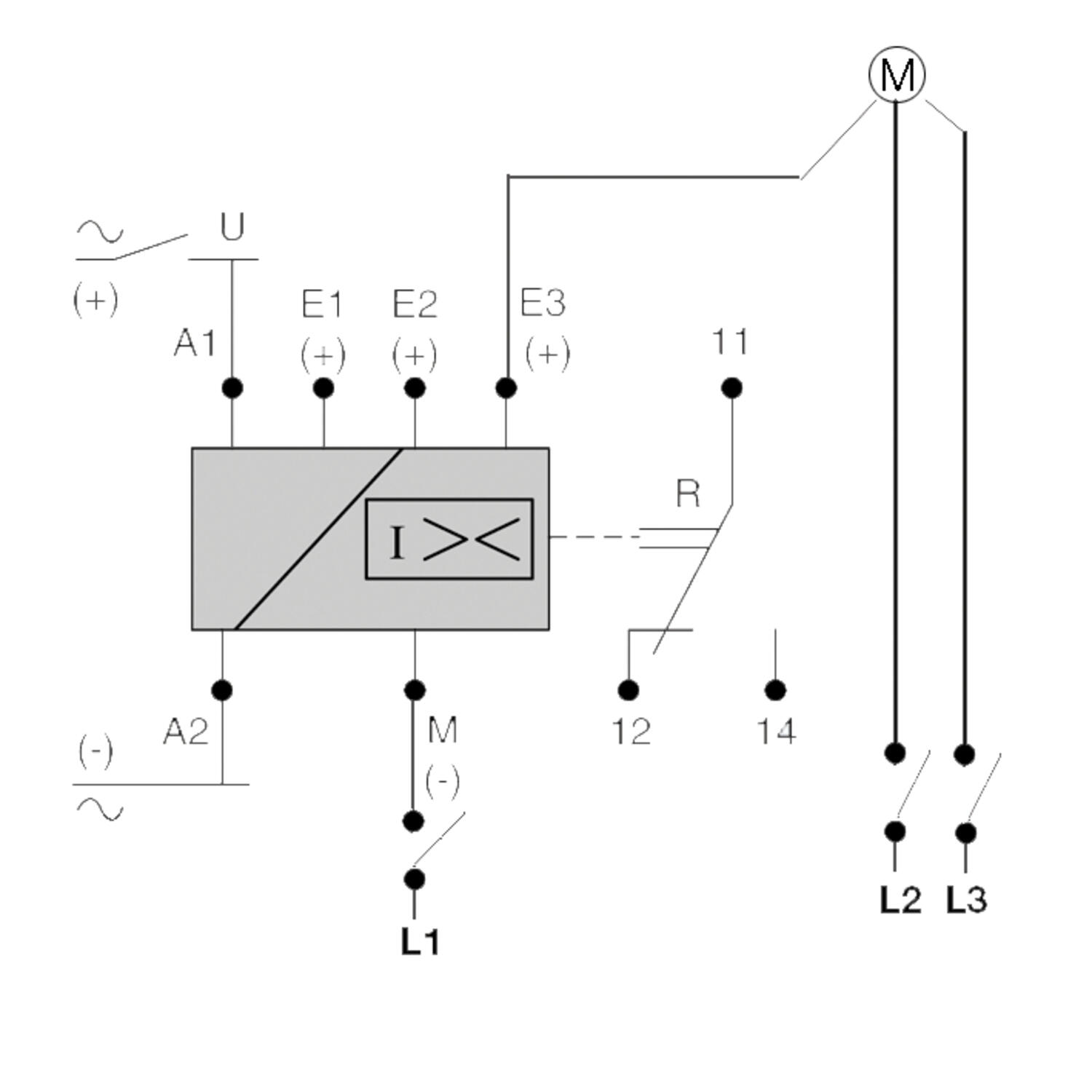
Rozměry

 

Připojení

F1: Rychlá pojistka, jistič, nebo obvodový chránič 1 A (doporučeno)
POZOR! Při monitorování stejnosměrného proudu ze stejného napěťového zdroje, který je připojen na A1 a A2,
musí být svorka M přímo zapojena na záporný (-) pól na tohoto zdroje.

 

Objednací informace

Objednací číslo

Popis

Jmenovité napětí

84871120

HIL nadproud/podproud 2 mA-500 mA (2 přepínací kontakty)

24-240 V AC/DC

84871130

HIH nadproud/podproud 0,1-10 A (2 přepínací kontakty)

24-240 V AC/DC

 

Příslušenství

INSPO

Objednací číslo E1-M max. continuous current in 25°C E1-M max. current <1s at 25°C E2-M max. continuous current in 25°C E2-M max. current <1s at 25°C E3-M max. continuous current in 25°C E3-M max. current <1s at 25°C Rozsah měření E1-M Rozsah měření E2-M Rozsah měření E3-M Cena
0,4 A
1 A
1 A
5 A
2 A
8 A
2-20mA
10-100mA
50-500mA
2 A
17 A
11 A
20 A
11 A
50 A
0,1-1A
0,5-5A
1-10A

Vybraná varianta

Vyberte variantu ze seznamu

Kontakt

Vladimír Pípal

Inside sales and product support - Panel

+420 735 750 642
Poslat e-mail
Zákaznický servis
Kontaktujte nás:
+420 241 484 940
Poslat e-mail
Potřebujete pomoci?
Logo

Cookies nastavení oemautomatic.cz

Soubory cookies nám pomáhají zlepšovat vaši zkušenost s námi a proto, abychom mohli zpracovávat přihlašovací údaje, nabízet personalizovaný obsah a pro základní funkčnost tohoto webu používáme některé soubory cookies.

Nikdy nebudeme prodávat žádné informace o vás.

Můžete přijmout všechny soubory cookies nebo přizpůsobit své preference týkající se souborů cookies, můžete také kdykoli změnit své preference pro soubory cookies návštěvou naší kontaktní stránky.


Nezbytné soubory cookies

Tyto soubory cookies jsou nezbytné pro fungování webu a nelze je v našich systémech vypnout. Obvykle se používají pouze v reakci na akce, které jste provedli v souvislosti s požadavkem na službu, například při nastavení osobních preferencí, přihlášení nebo vyplnění formuláře.

Soubory cookies pro analýzu a měření

Tyto soubory cookies nám umožňují počítat počet návštěv a zdroje návštěvnosti, abychom mohli měřit a zlepšovat výkon našich webových stránek. Pomáhají nám zjistit, které stránky jsou více či méně oblíbené a jak se návštěvníci po webu pohybují. Informace, které tyto cookies shromažďují jsou agregované, a tedy zcela anonymní. Pokud tyto soubory nepovolíte, nevíme, kdy jste navštívili naše webové stránky.

Marketingové soubory cookies

Tyto soubory cookies mohou přidat naši partneři. Mohou je použít k vytvoření vašeho profilu na základě vašich zájmů, aby vám mohli zobrazovat relevantnější informace. Neukládají žádné osobní údaje – pouze informace o vašem prohlížeči a zařízení. Pokud tyto cookies nepřijmete, budete mít obecnější a méně přizpůsobenou uživatelskou zkušenost.