CROUZET CONTROL

Relé pro kontrolu fází a teploty vinutí u motorů

Série HWTM, HWTM2

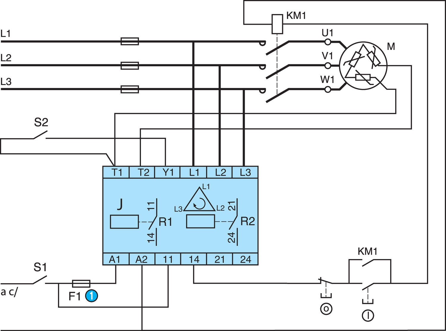
Relé HWTM a HWTM2 kontrolují poruchy a výpadky v třífázové síti a teplotu motorů integrovaným čidlem PTC. Funkce kontroly fáze a kontroly teploty jsou na sobě nezávislé. Kontrola třífázové sítě (208-480 V) se týká sledu fází L1, L2, L3 a úplného výpadku fáze. Úplný výpadek fáze je detekován i při indukovaném napětí (indukované napětí U měřeno do <0,7 x Un).
  • Kontrola třífázové sítě: sled fází, výpadek fáze
  • Monitorování teploty motoru čidlem PTC
  • Multinapájení
  • Signalizace LED
Control relay

84873028 - HWTM2 kontrolní relé

Control relay

84873027 - HWTM kontrolní relé

Vybraná varianta

Varianty produkty

Vybraná varianta

Specifikace

Časové zpoždění při překročení prahové hodnoty 0,3 s
Časové zpoždění startu 0,5 s
Hmotnost 107 g
Jmenovitý výkon 5A, 250V AC/DC
Limit pro OFF 3 100 Ω ±10 %
Limit Reset 1 650 Ω ±10 %
Napájecí napětí 24-240V ac/dc
Odpor teplotního senzoru při 20 ° C max. 1500 Ω
Provozní teplota max. 50 °C
Provozní teplota min. -20 °C
Rozsah měření 3x208 - 3x480V AC
Shoda s normami CSA, GL, RoHS, UL
Teplota skladování do 70 °C
Teplota skladování od -40 °C
Třída krytí pouzdra IP30
Třída krytí připojení IP20
Výstup 2x Relé

Rozměry a připojení

Nákresy

Popis produktu

Relé HWTM a HWTM2 kontrolují poruchy a výpadky v třífázové síti a teplotu motorů integrovaným čidlem PTC. Funkce kontroly fáze a kontroly teploty jsou na sobě nezávislé.

Kontrola třífázové sítě (208-480 V) se týká sledu fází L1, L2, L3 a úplného výpadku fáze. Úplný výpadek fáze je detekován i při indukovaném napětí (indukované napětí U měřeno do <0,7 x Un).

Pro kontrolu teploty je možné použít až 6 čidel PTC (odpor s pozitivním teplotním koeficientem), která se připojují v sérii mezi T1 a T2.

Chyba je detekována v okamžiku, kdy odpor v obvodu teplotního čidla překročí hodnotu 3100 W. Relé se vrátí do normální polohy, jakmile je odpor menší než 1650 W. Výsledek kontroly je udáván polohou relé pro kontrolu teploty; při výskytu chyby odpadne kontakt NO 11-14. Přerušení obvodu teplotního čidla má stejný účinek jako detekce příliš vysoké teploty (odpor je vyšší než 3100 W), a je proto interpretováno jako chyba. Úplný zkrat v čidle /čidlech pro kontrolu teploty je detekován v okamžiku, kdy odpor má menší hodnotu než 15 W ± 5 %, což je považováno za chybu.

HWTM2 má otočný přepínač, který slouží pro nastavení funkční polohy pro monitorování teploty s pamětí, nebo bez paměti. V poloze „s pamětí“ se teplotní relé při detekci chyby zablokuje v otevřené poloze. Jakmile je teplota znovu správná, lze relé uvést do provozního stavu buď stisknutím tlačítka ”Test/Reset” na čelní straně (nejméně po dobu 50 ms), nebo sepnutím bezpotenciálového kontaktu mezi Y1 a T1 (bez paralelně připojené zátěže). Relé je také možné jednoduchým způsobem uvést do provozního stavu přerušením přívodu napájecího napětí.

Relé HWTM2 umožňuje testovat “přehřátí” stisknutím testovacího tlačítka označeného ”Test/Reset” umístěnéhona čelní straně. Žlutá světelná dioda zhasne a relé odpadne. Tento test se provádí, když je teplota normální. Zelená LED dioda (Un) signalizuje přítomnost napájecího napětí. Žlutá LED dioda (R) signalizuje, že reléový výstup je aktivní.


HWTM výpadek fáze a sled fází

HWTM kontrola teploty bez paměti

 

 

1: L1

1: Odpor mezi T1 a T2 (připojené čidlo)

 

2: L2

2: Relé R1

 

3: L3

 

 

4: Relé

 

 

5: 30 % Un

 

 

 

 

 

HWTM2 výpadek fáze a sled fází

HWTM2 kontrola teploty s pamětí

HWTM2 kontrola teploty bez paměti

1: L1

1: Test/reset

1: Test/reset

2: L2

2: Odpor mezi T1 a T2 (připojené čidlo)
(připojené čidlo)

2: Odpor mezi T1 a T2
(připojené čidlo)

3: L3

3: Relé R1

3: Relé R1

4: Relé R2

 

 

5: 30 % Un

 

 

 

Technické parametry

Jmenovité napětí

24-240 V st/ss 50/60 Hz ±10 % (multinapětí)

Vlastní spotřeba

4 VA st/0,5 W při ss

Galvanické oddělení

Ne

Výstupní relé

5 A st/ss pro 250V st/ss
odporová zátěž

Rozsah měření:

 

HWTM

3x208 až 3x480 V st (třífázová síť)

HWTM2

3x208 až 3x480 V st (třífázová síť)

Max. odpor čidla při teplotě 20 °C

1500 Ω

Mezní hodnota pro odpad relé

3100 Ω ±10 %

Mezní hodnota pro sepnutí relé

1650 Ω ±10 %

Reset

10 s max.

Doba ustálení

500 ms

Provozní teplota

-20 °C to +50 °C

Hmotnost

107 g

Shoda s normami

Ce-marking, (LVD) 73/23/EEC-EMC 89/336/EEC, RoHs.WEEE

Montáž

Symetrická lišta DIN 35mm

 

Rozměry

 

Připojení

HWTM

HWTM2

1: F1:Rychlá pojistka, jistič, nebo obvodový chránič 1 A (doporučeno)

1: F1: Rychlá pojistka, jistič, nebo obvodový chránič 1 A (doporučeno)

 

Objednací informace

Objednací číslo

Popis

Jmenovité napětí

E-číslo

84873027

HWTM Sled fází a výpadek fáze, teplota (2 kontakty NO)

24-240 V st/ss

E 38 621 69

84873028

HWTM2 Sled fází a výpadek fáze, teplota (2 kontakty NO)

24-240 V st/ss

E 38 621 70

 

Příslušenství

INSPO

Produktové zprávy

Facility Management 4.0: Jak zajistit maximální bezpečnost a energetickou efektivitu vaší budovy

Moderní budovy již nejsou pouze statickými strukturami z betonu a skla. Stávají se z nich "živé organismy" řízené sofistikovanými nervovými systémy. Technologie pro monitorování a řízení procesů, často souhrnně označované jako BMS (Building Management Systems) nebo MaR (Měření a Regulace), jsou klíčové pro efektivitu, bezpečnost a komfort uživatelů.

Produktové zprávy

Efektivní oddělení řídicích a procesních obvodů pomocí reléových modulů DELCON

Případová studie z oblasti papírenského a chemického průmyslu

Produktové zprávy

Nová generace klimatizačních jednotek SLIMLINE NEO

Seifert Systems uvádí SLIMLINE NEO: Revoluční chlazení s R290 bez PFAS. Invertorová technologie srazí náklady a chrání klima. Budoucnost je teď.

Produktové zprávy

Adel System

Oznamuje navázání nové strategické spolupráce s italským výrobcem ADEL System, lídrem v oblasti zálohovaného napájení. Toto partnerství rozšiřuje naše portfolio o špičkové průmyslové napájecí zdroje, DC-UPS systémy a inteligentní nabíječky baterií, které jsou navrženy pro maximální spolehlivost a bezpečnost v nejnáročnějších aplikacích.

Produktové zprávy

Klimatizace pro potravinářský a nápojový průmysl

Zajistěte bezchybný výkon a chraňte veřejné zdraví. Tento průvodce vám pomůže vybrat zařízení, které odolá drsným podmínkám potravinářské výroby a splní veškeré regulační požadavky.

Produktové zprávy

Napájecí zdroj Puls s displejem

Informace přímo z displeje vašeho napájecího zdroje. Věděli jste, že informace můžete získat přímo z vašeho napájecího zdroje?

Objednací číslo Cena

Vybraná varianta

Vyberte variantu ze seznamu

Kontakt

Jaroslav Béreš

Sales & Marketing manager

+420 733 122 162
Poslat e-mail
Zákaznický servis
Kontaktujte nás:
+420 241 484 940
Poslat e-mail
Potřebujete pomoci?
Logo

Cookies nastavení oemautomatic.cz

Soubory cookies nám pomáhají zlepšovat vaši zkušenost s námi a proto, abychom mohli zpracovávat přihlašovací údaje, nabízet personalizovaný obsah a pro základní funkčnost tohoto webu používáme některé soubory cookies.

Nikdy nebudeme prodávat žádné informace o vás.

Můžete přijmout všechny soubory cookies nebo přizpůsobit své preference týkající se souborů cookies, můžete také kdykoli změnit své preference pro soubory cookies návštěvou naší kontaktní stránky.


Nezbytné soubory cookies

Tyto soubory cookies jsou nezbytné pro fungování webu a nelze je v našich systémech vypnout. Obvykle se používají pouze v reakci na akce, které jste provedli v souvislosti s požadavkem na službu, například při nastavení osobních preferencí, přihlášení nebo vyplnění formuláře.

Soubory cookies pro analýzu a měření

Tyto soubory cookies nám umožňují počítat počet návštěv a zdroje návštěvnosti, abychom mohli měřit a zlepšovat výkon našich webových stránek. Pomáhají nám zjistit, které stránky jsou více či méně oblíbené a jak se návštěvníci po webu pohybují. Informace, které tyto cookies shromažďují jsou agregované, a tedy zcela anonymní. Pokud tyto soubory nepovolíte, nevíme, kdy jste navštívili naše webové stránky.

Marketingové soubory cookies

Tyto soubory cookies mohou přidat naši partneři. Mohou je použít k vytvoření vašeho profilu na základě vašich zájmů, aby vám mohli zobrazovat relevantnější informace. Neukládají žádné osobní údaje – pouze informace o vašem prohlížeči a zařízení. Pokud tyto cookies nepřijmete, budete mít obecnější a méně přizpůsobenou uživatelskou zkušenost.