Vážení zákazníci, ve dnech od 23.12.2025 do 1.1.2026 bude uzavřen sklad společnosti OEM Automatic, spol. s r. o. Poslední expedice tento rok proběhne 17.12.2025.
Dear suppliers, our warehouse will be closed 23.12.2025 - 1.1.2026. Last inbound in this year will be possible till 19.12.2025.
ASCO
Základní |
|
|---|---|
| Diferenční tlak min. | 2 bar |
| Diferenční tlak max. | 10 bar |
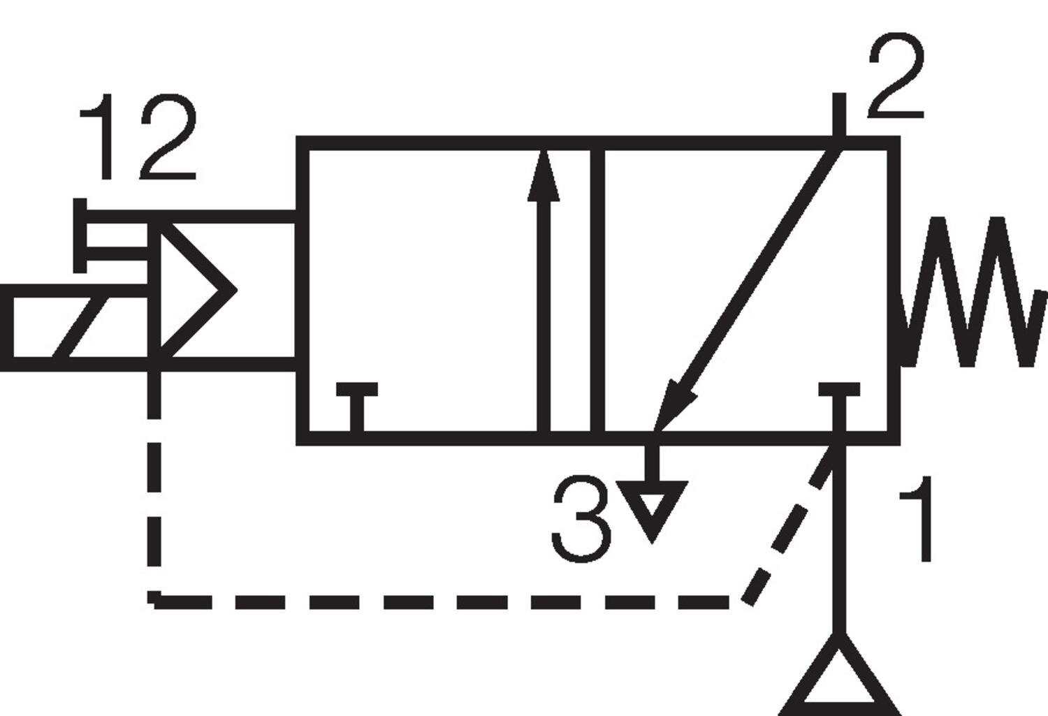
| Funkce | 3/2 |
| NC-NO-U | Elektricky ovládaný vratný pružinou, Normálně zavřený |
| Procesní připojení | G1/2 |
| Průtok max. | 3800 l/min |
| Vrtání | 13 mm |
Další |
|
|---|---|
| Spotřeba | 6,9 W |
| Doba otevření | 14 ms |
| Doba zavření | 11 ms |
| Druh montáže | Nezávislý |
| Hmotnost | 0,84 kg |
| Jádro a pevné jádro | Nerez ocel |
| Koeficient průtoku | 52,5 |
| Manuální operátor | Ano |
| Materiál těla | Eloxovaný hliník |
| Materiál těsnění | NBR, PUR |
| Max. dovolený tlak | 10 bar |
| Provozní teplota max. | 60 °C |
| Provozní teplota min. | -25 °C |
| Ochrana proti zkratu | Ano |
| Shoda s normami | IEC, TÜV |
| Třída krytí | IP65 |
| Vinutí na krátko | Měď |
| Vnitřní díly | Hliník, POM, Nerez ocel |
Ventily mají stejný vzhled jako řada 551, Řada 553 spojuje vysoký průtok a čistý design a jsou k dispozici v mnoha variantách, například pro většinu napětí nebo s pilotním ventilem pro prostředí s nebezpečím výbuchu. Všechny ventily jsou standardně šetrné k životnímu prostředí což znamená, že vnitřní části jsou zcela uzavřeny vůči okolnímu prostředí.
Jsou proto vhodné pro venkovní použití a pro vlhké nebo prašné prostředí jakož i v citlivých prostředích jako je potravinářský průmysl.
|
| ||||
|
| ||||
|
|
|
|
| |
Optimalizace výroby, zvýšení spolehlivosti a snížení provozních nákladů.
Zvyšte flexibilitu automatizace a výkon pneumatických systémů
Ventily a zařízení z nerezové oceli pro průmyslové procesy v potravinářském, farmaceutickém a kosmetickém průmyslu
Pojďte se s námi podívat jak probíhala naše zákaznická akce Rood show, na které jsme prezentovali novinky z oblasti průmyslové automatizace, digitalizace a optimalizace výrobních procesů.
Společnost EMERSON oznamuje uvedení nové verze ventilů ASCO 290/390. Po 25 letech úspěchu jsme chtěli přehodnotit, přepracovat a rozšířit stávající řadu 290/390.
Efektivita a jednoduchost, tuto kombinaci v sobě ukrývá nová řada SLA BIOTECH MFC od společnosti Brooks Instrument.
|
|
|
|
|
|
||
|---|---|---|---|---|---|---|
|
|
|
|
|
|
||
|
|
|
|
|
|
||
|
|
|
|
|
|
||
|
|
|
|
|
|
||
|
|
|
|
|
|
||
|
|
|
|
|
|
| Objednací číslo | AC | DC | Funkce | NC-NO-U | Vrtání | Spotřeba | Cívka | Doba otevření | Doba zavření | Druh montáže | Hmotnost | Jádro a pevné jádro | Koeficient průtoku | Manuální operátor | Materiál těsnění | Max. dovolený tlak | Ochrana proti zkratu | Shoda s normami | Vinutí na krátko | Vnitřní díly | Cena | ||
|---|---|---|---|---|---|---|---|---|---|---|---|---|---|---|---|---|---|---|---|---|---|---|---|
|
Ventil 3/2 NC monostabilní bez cívky G1/2
Art:
G553A005MS
Zkopírováno
|
|
|
3/2
|
Elektricky ovládaný vratný pružinou, Normálně zavřený
|
13 mm
|
6,9 W
|
|
14 ms
|
11 ms
|
Nezávislý
|
0,84 kg
|
Nerez ocel
|
52,5
|
Ano
|
NBR, PUR
|
10 bar
|
Ano
|
IEC, TÜV
|
Měď
|
Hliník, POM, Nerez ocel
|
| ||
|
Ventil 3/2 NC monostabilní 230VAC G1/2
Art:
SCG553A005MS
Zkopírováno
|
230 V
|
|
3/2
|
Elektricky ovládaný vratný pružinou, Normálně zavřený
|
|
|
|
|
|
|
|
|
|
|
|
|
|
|
|
|
| ||
|
Ventil 3/2 NC monostabilní 24VAC G1/2
Art:
SCG553A005MSS2
Zkopírováno
|
24 V
|
|
3/2
|
Elektricky ovládaný vratný pružinou, Normálně zavřený
|
|
|
|
|
|
|
|
|
|
|
|
|
|
|
|
|
| ||
|
Ventil 3/2 NC monostabilní 24VDC G1/2
Art:
SCG553A005MSS3
Zkopírováno
|
|
24 V
|
3/2
|
Elektricky ovládaný vratný pružinou, Normálně zavřený
|
13 mm
|
6,9 W
|
Epoxyd
|
14 ms
|
11 ms
|
Nezávislý
|
0,84 kg
|
Nerez ocel
|
52,5
|
Ano
|
NBR, PUR
|
10 bar
|
Ano
|
IEC, TÜV
|
Měď
|
Hliník, POM, Nerez ocel
|
| ||
|
Ventil 3/2 NC bistabilní bez cívky G1/2
Art:
G553A006MS
Zkopírováno
|
|
|
3/2
|
Elektrický, Normálně zavřený
|
13 mm
|
6,9 W
|
|
14 ms
|
11 ms
|
Nezávislý
|
0,84 kg
|
Nerez ocel
|
52,5
|
Ano
|
NBR, PUR
|
10 bar
|
Ano
|
IEC, TÜV
|
Měď
|
Hliník, POM, Nerez ocel
|
| ||
|
Ventil 3/2 NC bistabilní 230VAC G1/2
Art:
SCG553A006MS
Zkopírováno
|
230 V
|
|
3/2
|
Elektrický, Normálně zavřený
|
|
|
|
|
|
|
|
|
|
|
|
|
|
|
|
|
| ||
|
Ventil 3/2 NC bistabilní 24VAC G1/2
Art:
SCG553A006MSS2
Zkopírováno
|
24 V
|
|
3/2
|
Elektrický, Normálně zavřený
|
|
|
|
|
|
|
|
|
|
|
|
|
|
|
|
|
| ||
|
Ventil 3/2 NC bistabilní 24VDC G1/2
Art:
SCG553A006MSS3
Zkopírováno
|
|
24 V
|
3/2
|
Elektrický, Normálně zavřený
|
13 mm
|
6,9 W
|
Epoxyd
|
14 ms
|
11 ms
|
Nezávislý
|
0,84 kg
|
Nerez ocel
|
52,5
|
Ano
|
NBR, PUR
|
10 bar
|
Ano
|
IEC, TÜV
|
Měď
|
Hliník, POM, Nerez ocel
|
| ||
|
Ventil 5/2 monostabilní bez cívky G1/2
Art:
G553A017MS
Zkopírováno
|
|
|
5/2
|
Elektricky ovládaný vratný pružinou
|
13 mm
|
6,9 W
|
|
14 ms
|
11 ms
|
Nezávislý
|
0,84 kg
|
Nerez ocel
|
52,5
|
Ano
|
NBR, PUR
|
10 bar
|
Ano
|
IEC, TÜV
|
Měď
|
Hliník, POM, Nerez ocel
|
| ||
|
Ventil 5/2 monostabilní 230VAC G1/2
Art:
SCG553A017MS
Zkopírováno
|
230 V
|
|
5/2
|
Elektricky ovládaný vratný pružinou
|
|
|
|
|
|
|
|
|
|
|
|
|
|
|
|
|
| ||
|
Ventil 5/2 monostabilní 24VAC G1/2
Art:
SCG553A017MSS2
Zkopírováno
|
24 V
|
|
5/2
|
Elektricky ovládaný vratný pružinou
|
|
|
|
|
|
|
|
|
|
|
|
|
|
|
|
|
| ||
|
Ventil 5/2 monostabilní 24VDC G1/2
Art:
SCG553A017MSS3
Zkopírováno
|
|
24 V
|
5/2
|
Elektricky ovládaný vratný pružinou
|
13 mm
|
6,9 W
|
Epoxyd
|
14 ms
|
11 ms
|
Nezávislý
|
0,84 kg
|
Nerez ocel
|
52,5
|
Ano
|
NBR, PUR
|
10 bar
|
Ano
|
IEC, TÜV
|
Měď
|
Hliník, POM, Nerez ocel
|
| ||
|
Ventil 5/2 bistabilní bez cívky G1/2
Art:
G553A018MS
Zkopírováno
|
|
|
5/2
|
Elektrický
|
13 mm
|
6,9 W
|
|
14 ms
|
11 ms
|
Nezávislý
|
0,84 kg
|
Nerez ocel
|
52,5
|
Ano
|
NBR, PUR
|
10 bar
|
Ano
|
IEC, TÜV
|
Měď
|
Hliník, POM, Nerez ocel
|
| ||
|
Ventil 5/2 bistabilní 230VAC G1/2
Art:
SCG553A018MS
Zkopírováno
|
230 V
|
|
5/2
|
Elektrický
|
|
|
|
|
|
|
|
|
|
|
|
|
|
|
|
|
| ||
|
Ventil 5/2 bistabilní 24VAC G1/2
Art:
SCG553A018MSS2
Zkopírováno
|
24 V
|
|
5/2
|
Elektrický
|
|
|
|
|
|
|
|
|
|
|
|
|
|
|
|
|
| ||
|
Ventil 5/2 bistabilní 24VDC G1/2
Art:
SCG553A018MSS3
Zkopírováno
|
|
24 V
|
5/2
|
Elektrický
|
13 mm
|
6,9 W
|
Epoxyd
|
14 ms
|
11 ms
|
Nezávislý
|
0,84 kg
|
Nerez ocel
|
52,5
|
Ano
|
NBR, PUR
|
10 bar
|
Ano
|
IEC, TÜV
|
Měď
|
Hliník, POM, Nerez ocel
|
| ||
|
Ventil 5/3 středová pozice uzavřená 24VDC G1/2
Art:
G553A067MS
Zkopírováno
|
|
|
5/3
|
Elektrický, Středová pozice uzamčená
|
13 mm
|
6,9 W
|
|
14 ms
|
11 ms
|
Nezávislý
|
0,84 kg
|
Nerez ocel
|
52,5
|
Ano
|
NBR, PUR
|
10 bar
|
Ano
|
IEC, TÜV
|
Měď
|
Hliník, POM, Nerez ocel
|
| ||
|
Ventil 5/3 středová pozice uzavřená 230VAC G1/2
Art:
SCG553A067MS
Zkopírováno
|
230 V
|
|
5/3
|
Elektrický, Středová pozice uzamčená
|
|
|
|
|
|
|
|
|
|
|
|
|
|
|
|
|
| ||
|
Ventil 5/3 středová pozice uzavřená 24VAC G1/2
Art:
SCG553A067MSS2
Zkopírováno
|
24 V
|
|
5/3
|
Elektrický, Středová pozice uzamčená
|
|
|
|
|
|
|
|
|
|
|
|
|
|
|
|
|
| ||
|
Ventil 5/3 středová pozice uzavřená 24VDC G1/2
Art:
SCG553A067MSS3
Zkopírováno
|
|
24 V
|
5/3
|
Elektrický, Středová pozice uzamčená
|
13 mm
|
6,9 W
|
Epoxyd
|
14 ms
|
11 ms
|
Nezávislý
|
0,84 kg
|
Nerez ocel
|
52,5
|
Ano
|
NBR, PUR
|
10 bar
|
Ano
|
IEC, TÜV
|
Měď
|
Hliník, POM, Nerez ocel
|
| ||
|
Ventil 5/3 středová pozice otevřená bez cívky G1/2
Art:
G553A068MS
Zkopírováno
|
|
|
5/3
|
Elektrický, Středová pozice otevřená
|
13 mm
|
6,9 W
|
|
14 ms
|
11 ms
|
Nezávislý
|
0,84 kg
|
Nerez ocel
|
52,5
|
Ano
|
NBR, PUR
|
10 bar
|
Ano
|
IEC, TÜV
|
Měď
|
Hliník, POM, Nerez ocel
|
| ||
|
Ventil 5/3 středová pozice otevřená 230VAC G1/2
Art:
SCG553A068MS
Zkopírováno
|
230 V
|
|
5/3
|
Elektrický, Středová pozice otevřená
|
|
|
|
|
|
|
|
|
|
|
|
|
|
|
|
|
| ||
|
Ventil 5/3 středová pozice otevřená 24VAC G1/2
Art:
SCG553A068MSS2
Zkopírováno
|
24 V
|
|
5/3
|
Elektrický, Středová pozice otevřená
|
|
|
|
|
|
|
|
|
|
|
|
|
|
|
|
|
| ||
|
Ventil 5/3 středová pozice otevřená 24VDC G1/2
Art:
SCG553A068MSS3
Zkopírováno
|
|
24 V
|
5/3
|
Elektrický, Středová pozice otevřená
|
13 mm
|
6,9 W
|
Epoxyd
|
14 ms
|
11 ms
|
Nezávislý
|
0,84 kg
|
Nerez ocel
|
52,5
|
Ano
|
NBR, PUR
|
10 bar
|
Ano
|
IEC, TÜV
|
Měď
|
Hliník, POM, Nerez ocel
|
|
Vyberte variantu ze seznamu