Vážení zákazníci, ve dnech od 23.12.2025 do 1.1.2026 bude uzavřen sklad společnosti OEM Automatic, spol. s r. o. Poslední expedice tento rok proběhne 17.12.2025.
Dear suppliers, our warehouse will be closed 23.12.2025 - 1.1.2026. Last inbound in this year will be possible till 19.12.2025.
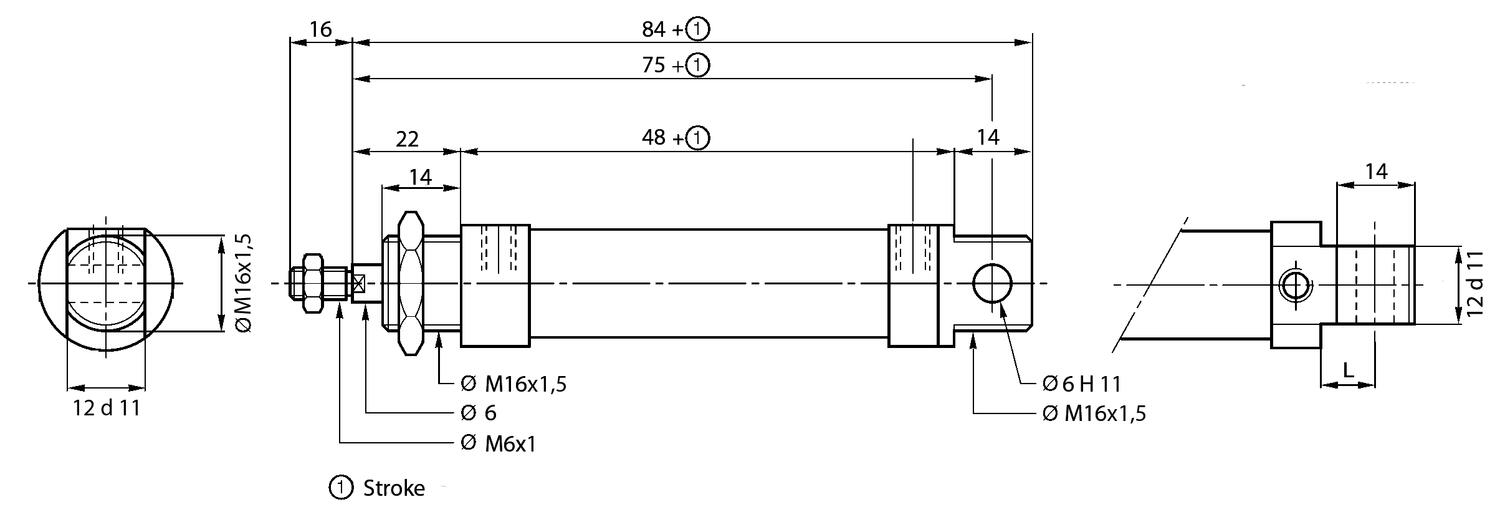
| Druh montáže | Nezávislý |
|---|---|
| Funkce 1 | Dvoučinný, Nepřerušeno |
| Magnetická pístnice | Ano |
| Materiál čela | Nerez ocel |
| Matice pístnice | Nerez ocel |
| Max. dovolený tlak | 10 bar |
| Pístnice | Nerez ocel |
| Pracovní tlak dvoučinný max. | 10 bar |
| Pracovní tlak dvoučinný min. | 0 bar |
| Připojení pro pilotní vzduch | M5 |
| Provozní teplota max. | 70 °C |
|---|---|
| Provozní teplota min. | -20 °C |
| Průměr pístu | 12 mm |
| Těsnění pístnice | Viton |
| Těsnění pistu | NBR |
| Válec | Nerez ocel 316L |
| Vnitřní díly | Hliník, POM |
| Vnitřní píst | POM |
| Zdvih | 25 mm |
L3 Neo je nová generace snímačů hladiny a tlaku - vyšší přesnost, větší spolehlivost a snadnější použití
Ventily a zařízení z nerezové oceli pro průmyslové procesy v potravinářském, farmaceutickém a kosmetickém průmyslu
Pojďte se s námi podívat jak probíhala naše zákaznická akce Rood show, na které jsme prezentovali novinky z oblasti průmyslové automatizace, digitalizace a optimalizace výrobních procesů.
Nová generace ovládacích control topů Sorio® – inteligentní, snadno použitelné, adaptabilní pro všechny typy ventilů. Je k dispozici ve verzích Digital, AS-i, a IO-Link a nabízí inovativní nové funkce s rozsáhlým a okamžitě dostupným zdrojem informací.
Rozšiřuje sortiment produktů pro měření teploty o snímače TSMF a TSBF s IO-Link společnosti Anderson-Negele.
Rozšiřuje sortiment Produktů pro měření tlaku a hladiny o senzory P41 a P42 IO-Link
|
|
|
|
|
|
||
|---|---|---|---|---|---|---|
|
|
|
|
|
|
||
|
|
|
|
|
|
||
|
|
|
|
|
|
||
|
|
|
|
|
|
||
|
|
|
|
|
|
||
|
|
|
|
|
|
| Objednací číslo | Připojení pro pilotní vzduch | Průměr pístu | Zdvih | Cena | ||
|---|---|---|---|---|---|---|
|
ISO-Pneumatický válec, dvojcinný, Ø 12mm, 25mm,
Art:
G435AJSN0025SSC
Zkopírováno
|
M5
|
12 mm
|
25 mm
|
| ||
|
ISO-Pneumatický válec, dvojcinný, Ø 12mm, 50mm,
Art:
G435AJSN0050SSC
Zkopírováno
|
M5
|
12 mm
|
50 mm
|
| ||
|
ISO-pneumatický válec, dvojcinný, Ø 12mm, 80mm,
Art:
G435AJSN0080SSC
Zkopírováno
|
M5
|
12 mm
|
80 mm
|
| ||
|
ISO-pneumatický válec, dvojcinný, Ø 12mm, 100mm,
Art:
G435AJSN0100SSC
Zkopírováno
|
M5
|
12 mm
|
100 mm
|
| ||
|
ISO-pneumatický válec, dvojčinný, Ø 16mm, 25mm,
Art:
G435AKSN0025SSC
Zkopírováno
|
M5
|
16 mm
|
25 mm
|
| ||
|
ISO-pneumatický válec, dvojcinný, Ø 16mm, 50mm,
Art:
G435AKSN0050SSC
Zkopírováno
|
M5
|
16 mm
|
50 mm
|
| ||
|
ISO-pneumatický válec, dvojcinný, Ø 16mm, 80mm,
Art:
G435AKSN0080SSC
Zkopírováno
|
M5
|
16 mm
|
80 mm
|
| ||
|
ISO-pneumatický válec, dvojcinný, Ø 16mm, 100mm,
Art:
G435AKSN0100SSC
Zkopírováno
|
M5
|
16 mm
|
100 mm
|
| ||
|
ISO-pneumatický válec, dvojcinný, Ø 20mm, 25mm,
Art:
G435ALSN0025SSC
Zkopírováno
|
G1/8
|
20 mm
|
25 mm
|
| ||
|
ISO-pneumatický válec, dvojcinný, Ø 20mm, 50mm,
Art:
G435ALSN0050SSC
Zkopírováno
|
G1/8
|
20 mm
|
50 mm
|
| ||
|
ISO-pneumatický válec, dvojcinný, Ø 20mm, 80mm,
Art:
G435ALSN0080SSC
Zkopírováno
|
G1/8
|
20 mm
|
80 mm
|
| ||
|
ISO-pneumatický válec, dvojcinný, Ø 20mm, 100mm,
Art:
G435ALSN0100SSC
Zkopírováno
|
G1/8
|
20 mm
|
100 mm
|
| ||
|
ISO-pneumatický válec, dvojcinný, Ø 25mm, 25mm,
Art:
G435AMSN0025SSC
Zkopírováno
|
G1/8
|
25 mm
|
25 mm
|
| ||
|
ISO-pneumatický válec, dvojcinný, Ø 25mm, 50mm,
Art:
G435AMSN0050SSC
Zkopírováno
|
G1/8
|
25 mm
|
50 mm
|
| ||
|
ISO-pneumatický válec, dvojcinný, Ø 25mm, 80mm,
Art:
G435AMSN0080SSC
Zkopírováno
|
G1/8
|
25 mm
|
80 mm
|
| ||
|
ISO-pneumatický válec, dvojcinný, Ø 25mm, 100mm,
Art:
G435AMSN0100SSC
Zkopírováno
|
G1/8
|
25 mm
|
100 mm
|
| ||
|
ISO-pneumatický válec, dvojcinný, Ø 25mm, 160mm,
Art:
G435AMSN0160SSC
Zkopírováno
|
G1/8
|
25 mm
|
160 mm
|
|
Vyberte variantu ze seznamu