ASCO

Pneumatické válce 429

Série 429

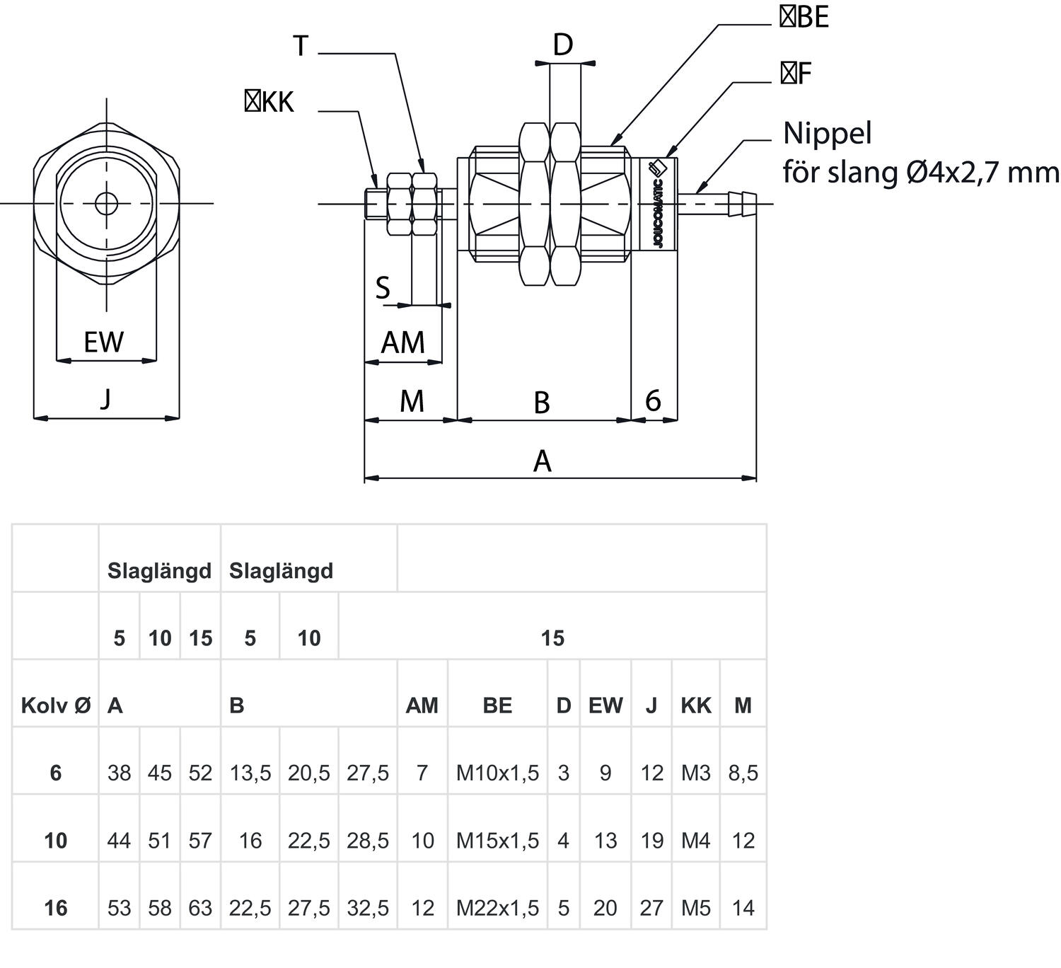
Potřebujete jedno nebo dvojčinné válce pro zabudování? Naše závitové tělo umožňuje snadné a jemné nastavení polohy válce při montáži. Všechna vzduchová připojení jsou umístěna v zadní části válce pomocí hadic o průměru Ø4/2.7 mm. Pokud se rozhodnete pro jednočinné válce, doporučujeme je vložit do plusové polohy.
  • Pro montáž do panelu
  • Ø6mm až 16mm
  • Zdvih 5mm až 15mm
  • jendo nebo dvojčinné
429 Enkelverkande.tiff

42900032 - Pneumatický válecØ16 mm 15 mm jednocinný

429 Dubbelverkande.tiff

42900041 - Pneumatický válecØ16 mm, 15 mm dvojcinný

Vybraná varianta

Varianty produkty

Vybraná varianta

Specifikace

Druh montáže Nezávislý
Funkce 1 Jednočinný, Nepřerušeno
Hmotnost 0,01 kg
Materiál čela Poniklovaná mosaz
Materiál pružiny Mosaz
Matice pístnice Poniklovaná mosaz
Max. dovolený tlak 10 bar
Pístnice Ocel
Pracovní tlak jednočinný max. 7 bar
Pracovní tlak jednočinný min. 3 bar
Připojení pro pilotní vzduch Push-on Ø3 mm
Provozní teplota max. 60 °C
Provozní teplota min. 5 °C
Průměr pístu 6 mm
Těsnění pístnice NBR
Těsnění pistu NBR
Válec Poniklovaná mosaz
Zdvih 5 mm

Ke stažení

Rozměry a připojení

Popis produktu

Jedno nebo dvojčinné válce pro zabudování. Závitové tělo jim umožňuje snadno a jemně nastavit polohu válce na montáži. Všechny vzduchová připojení jsou v zadní části válce přes hadice, Ø4/2.7 mm. Jednočinné válce by měly být vloženy do plusové polohy.

Příslušenství

INSPO

Produktové zprávy

Manipulační systémy AFAG

AFAG je dodavatel manipulačních systémů pro automatizaci výroby, který nabízí komponenty jako podavače a uchopovače. Jejich modulární systémy umožňují snadné sestavení a rozšíření řešení na míru, což zjednodušuje projektování, montáž a zkracuje dobu uvedení do provozu.

Události

Road show 2022

Pojďte se s námi podívat jak probíhala naše zákaznická akce Rood show, na které jsme prezentovali novinky z oblasti průmyslové automatizace, digitalizace a optimalizace výrobních procesů.

Produktové zprávy

Pneumatika a digitální transformace

Průmyslový internet věcí IIoT přináší příslib revolučního dopadu na výrobu. Využitím potenciálu digitální transformace lze zvýšit efektivitu a snižovat energetickou náročnost výroby.

Produktové zprávy

OEM Automatic & Aventics

Společnost OEM Automatic spol. s r. o. se nově stala partnerem a distributorem společnosti AVENTICS.

Produktové zprávy

Vibrační hladinové spínače

Procesy v potravinářském, nápojovém a farmaceutickém průmyslu vyžadují přesné měření hladiny. Vibrační spínače WIKA řady TLS-H jsou špičkovým řešením, které díky splnění přísných hygienických požadavků zajišťuje stabilní a spolehlivou detekci.

Produktové zprávy

Přesné řízení průtoku pro čistější budoucnost

Brooks Instrument je tradičním výrobcem v oblasti měření průtoků kapalin a plynů. Již desetiletí jsou jejich produkty používané v nejnáročnějších průmyslových výrobních a analytických procesech

Objednací číslo Funkce 1 Hmotnost Pracovní tlak dvoučinný max. Pracovní tlak dvoučinný min. Pracovní tlak jednočinný max. Pracovní tlak jednočinný min. Průměr pístu Zdvih Cena
Jednočinný, Nepřerušeno
0,01 kg
7 bar
3 bar
6 mm
5 mm
Dvoučinný, Nepřerušeno
0,034 kg
7 bar
1,5 bar
6 mm
5 mm
Jednočinný, Nepřerušeno
0,015 kg
7 bar
3 bar
6 mm
10 mm
Dvoučinný, Nepřerušeno
0,042 kg
7 bar
1,5 bar
6 mm
10 mm
Jednočinný, Nepřerušeno
0,018 kg
7 bar
3 bar
6 mm
15 mm
Dvoučinný, Nepřerušeno
0,05 kg
7 bar
1,5 bar
6 mm
15 mm
Jednočinný, Nepřerušeno
0,03 kg
7 bar
3 bar
10 mm
5 mm
Dvoučinný, Nepřerušeno
0,082 kg
7 bar
1,5 bar
10 mm
5 mm
Jednočinný, Nepřerušeno
0,037 kg
7 bar
3 bar
10 mm
10 mm
Dvoučinný, Nepřerušeno
0,094 kg
7 bar
1,5 bar
10 mm
10 mm
Jednočinný, Nepřerušeno
0,042 kg
7 bar
3 bar
10 mm
15 mm
Dvoučinný, Nepřerušeno
0,106 kg
7 bar
1,5 bar
10 mm
15 mm
Jednočinný, Nepřerušeno
0,086 kg
7 bar
3 bar
16 mm
5 mm
Dvoučinný, Nepřerušeno
0,126 kg
7 bar
1,5 bar
16 mm
5 mm
Jednočinný, Nepřerušeno
0,093 kg
7 bar
3 bar
16 mm
10 mm
Dvoučinný, Nepřerušeno
0,138 kg
7 bar
1,5 bar
16 mm
10 mm
Jednočinný, Nepřerušeno
0,1 kg
7 bar
3 bar
16 mm
15 mm
Dvoučinný, Nepřerušeno
0,155 kg
7 bar
1,5 bar
16 mm
15 mm

Vybraná varianta

Vyberte variantu ze seznamu

Zákaznický servis
Kontaktujte nás:
+420 241 484 940
Poslat e-mail
Potřebujete pomoci?
Logo

Cookies nastavení oemautomatic.cz

Soubory cookies nám pomáhají zlepšovat vaši zkušenost s námi a proto, abychom mohli zpracovávat přihlašovací údaje, nabízet personalizovaný obsah a pro základní funkčnost tohoto webu používáme některé soubory cookies.

Nikdy nebudeme prodávat žádné informace o vás.

Můžete přijmout všechny soubory cookies nebo přizpůsobit své preference týkající se souborů cookies, můžete také kdykoli změnit své preference pro soubory cookies návštěvou naší kontaktní stránky.


Nezbytné soubory cookies

Tyto soubory cookies jsou nezbytné pro fungování webu a nelze je v našich systémech vypnout. Obvykle se používají pouze v reakci na akce, které jste provedli v souvislosti s požadavkem na službu, například při nastavení osobních preferencí, přihlášení nebo vyplnění formuláře.

Soubory cookies pro analýzu a měření

Tyto soubory cookies nám umožňují počítat počet návštěv a zdroje návštěvnosti, abychom mohli měřit a zlepšovat výkon našich webových stránek. Pomáhají nám zjistit, které stránky jsou více či méně oblíbené a jak se návštěvníci po webu pohybují. Informace, které tyto cookies shromažďují jsou agregované, a tedy zcela anonymní. Pokud tyto soubory nepovolíte, nevíme, kdy jste navštívili naše webové stránky.

Marketingové soubory cookies

Tyto soubory cookies mohou přidat naši partneři. Mohou je použít k vytvoření vašeho profilu na základě vašich zájmů, aby vám mohli zobrazovat relevantnější informace. Neukládají žádné osobní údaje – pouze informace o vašem prohlížeči a zařízení. Pokud tyto cookies nepřijmete, budete mít obecnější a méně přizpůsobenou uživatelskou zkušenost.