JABSCO

Čerpadla s flexibilním oběžným kolem FIP

Série FIP

  • Průtok až 270 l/min
  • Tlak až 2,4 Bar
  • Teplota 0 až 90°C
Impellerpump_mässing_2020.png

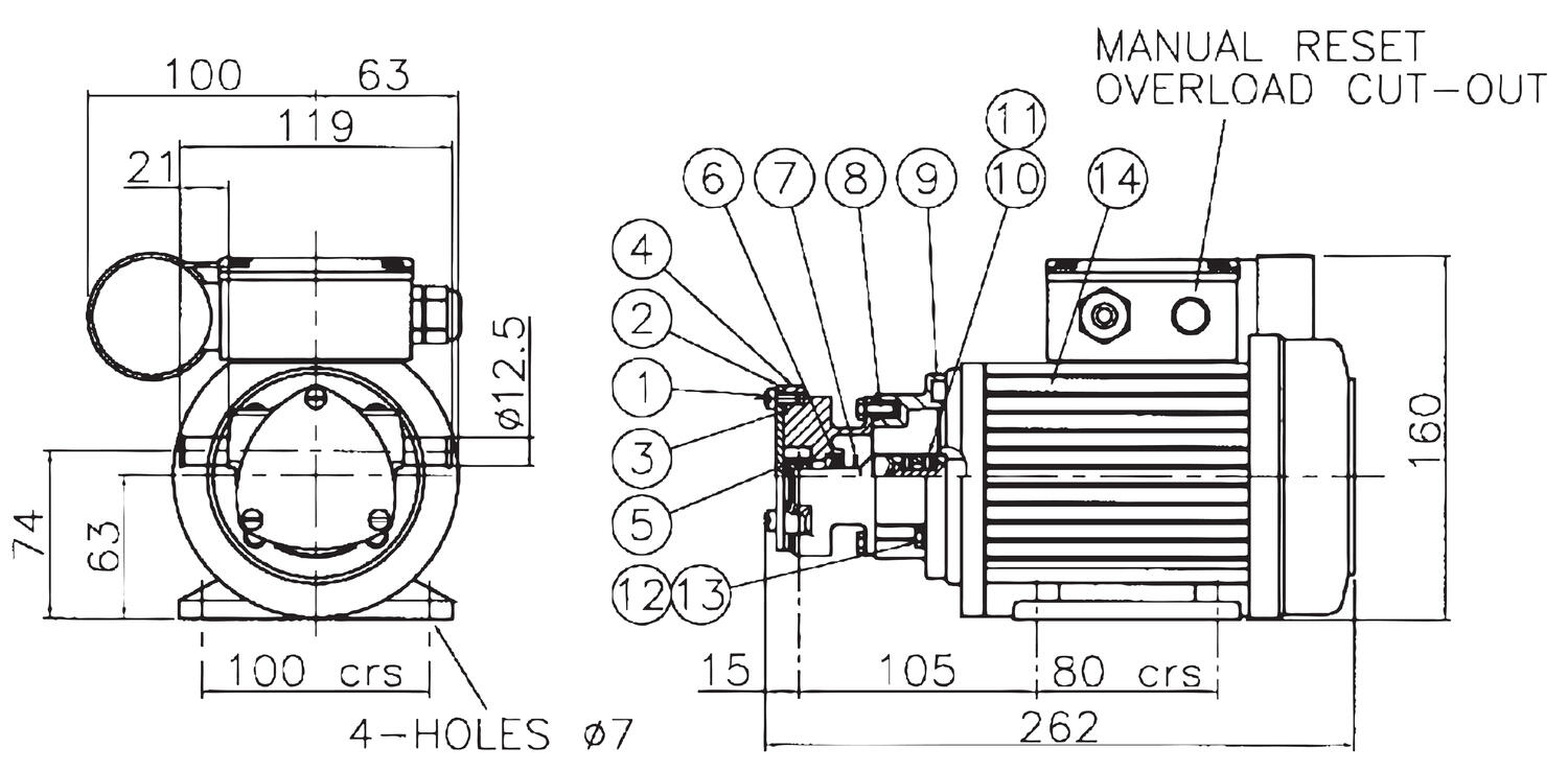
22890/P 6-POL 1,5KW

Bärhandtag1.tif

impelleravdragare.tif

50005.jpg

246998_728.jpg

22860-2021

Kumisiipipumppu-teollisuuteen.tif

22870-2003 - Cerpadla s flexibilním obežným kolem

22880-20XX.jpg

53270-20XX.jpg

Vybraná varianta

Varianty produkty

Vybraná varianta

Specifikace

1637_Speed ​​max 1500 rpm
art assembly MONTAGE-816
art motor 1 phase 63-4-018-B3/B14-1
art motor 3 phase 63-4(2)0.18KW
art pump 50005-00-8413
complete with motor Ja
Hmotnost 1 kg
Materiál hřídele Odolný vůči kyselinám
Materiál krytu Mosaz
Materiál motorové příruby Polypropylen
Materiál oběžného kola Nitril
Materiál O-kroužku Nitril
Materiál těla Bronz
Materiál těsnění Nitril
Materiál těsnění hřídele Nitril
Max. dovolený tlak 1,8 bar
Motor power 0,18 kW
Procesní připojení Připojení hadice 1/2"
Průtok max. 4,5 l/min
Suction height dry 1,5 m
Teplota média max. 90 °C
Teplota média min. 0 °C
Typ těsnení Lip seal
Velikost čerpadla 005
Viskozita Max. 500 cP

Rozměry a připojení

Nákresy

Příslušenství

Příbuzné produkty

INSPO

Xylem Jabsco Flojet aplikace s rizenym prutokem
Produktové zprávy

Přesný a spolehlivý výkon, které vyžadují apliakce s řízeným průtokem

Společnosti Jabsco a Flojet, které jsou lídry na trhu v oblasti technologií řízeného čerpání, přinášejí nejvyšší úroveň spolehlivosti, přesnosti a kontroly pro širokou škálu kritických aplikací.

Produktové zprávy

Čerpadla pro potravinářství a farmacii Jung Process Systems

Společnost Jung Process Systems je specialistou na hygienická dvojitá šroubová čerpadla. Nabízí více než 40 let zkušenosti se zpracováním nerezové oceli.

Produktové zprávy

Průmyslová čerpadla XYLEM

Různé typy čerpadel a široký rozsah průtoku nabízí ideální řešení pro aplikace v zemědělském, chemickém nebo výrobním průmyslu.

Produktové zprávy

Vibrační hladinové spínače

Procesy v potravinářském, nápojovém a farmaceutickém průmyslu vyžadují přesné měření hladiny. Vibrační spínače WIKA řady TLS-H jsou špičkovým řešením, které díky splnění přísných hygienických požadavků zajišťuje stabilní a spolehlivou detekci.

Produktové zprávy

Manipulační systémy AFAG

AFAG je dodavatel manipulačních systémů pro automatizaci výroby, který nabízí komponenty jako podavače a uchopovače. Jejich modulární systémy umožňují snadné sestavení a rozšíření řešení na míru, což zjednodušuje projektování, montáž a zkracuje dobu uvedení do provozu.

Produktové zprávy

Přesné řízení průtoku pro čistější budoucnost

Brooks Instrument je tradičním výrobcem v oblasti měření průtoků kapalin a plynů. Již desetiletí jsou jejich produkty používané v nejnáročnějších průmyslových výrobních a analytických procesech

Objednací číslo art assembly art motor 1 phase art motor 3 phase art pump complete with motor Hmotnost Materiál motorové příruby Materiál oběžného kola Materiál těsnění Materiál těsnění hřídele Max. dovolený tlak Motor power Obvykle na skladě Procesní připojení Průtok max. Starting torque Suction height dry Teplota média max. Teplota média min. Typ motorové příruby Typ těsnení Velikost čerpadla Cena
1 kg
Polypropylen
Nitril
Nitril
Nitril
1,8 bar
Připojení hadice 1/2"
4,5 l/min
1,5 m
90 °C
0 °C
IEC 63
Lip seal
005
MONTAGE-816
63-4-018-B3/B14-1
63-4(2)0.18KW
50005-00-8413
Ja
1 kg
Polypropylen
Nitril
Nitril
Nitril
1,8 bar
0,18 kW
Připojení hadice 1/2"
4,5 l/min
1,5 m
90 °C
0 °C
Lip seal
005
1 kg
Polypropylen
Neopren
Nitril
3 bar
Ano
G3/8
6,5 l/min
1,5 m
80 °C
4 °C
IEC 63
Lip seal
010
MONTAGE-816
63-4-018-B3/B14-5
63-4-018-B3/B14-4
50011-2411
Ja
1 kg
Polypropylen
Neopren
Nitril
3 bar
0,18 kW
Ano
G3/8
6,5 l/min
1,5 m
80 °C
4 °C
Lip seal
010
0,9 kg
Polypropylen
Neopren
Nitril
1,7 bar
Ano
G1/2
20 l/min
0,87
1,5 m
80 °C
4 °C
Lip seal
020
MONTAGE-816
63-4-018-B3/B14-1
63-4-018-B3/B14-4
50021-2411
Ja
0,9 kg
Polypropylen
Neopren
Nitril
1,7 bar
0,18 kW
Ano
G1/2
20 l/min
0,87
1,5 m
80 °C
4 °C
Lip seal
020
2 kg
Epoxidovaný hliník
Neopren
Uhlík / keramika
1,8 bar
Ano
G3/4
38 l/min
2,07
3 m
80 °C
4 °C
Mechanické těsnění
040
2 kg
Epoxidovaný hliník
Nitril
Uhlík / keramika
1,8 bar
Ano
G3/4
38 l/min
2,07
3 m
90 °C
10 °C
Mechanické těsnění
040
2,3 kg
Epoxidovaný hliník
Neopren
Uhlík / keramika
2,1 bar
Ano
G1
80 l/min
6,45
5 m
80 °C
4 °C
Mechanické těsnění
080
2,3 kg
Epoxidovaný hliník
Nitril
Uhlík / keramika
2,1 bar
Ano
G1
80 l/min
6,45
5 m
90 °C
10 °C
Mechanické těsnění
080
2,3 kg
Epoxidovaný hliník
Neopren
Uhlík / keramika
2,4 bar
Ano
G1 1/2
200 l/min
13,6
3 m
80 °C
4 °C
Mechanické těsnění
200
2,3 kg
Epoxidovaný hliník
Nitril
Uhlík / keramika
2,4 bar
Ano
G1 1/2
200 l/min
13,6
3 m
90 °C
-5 °C
Mechanické těsnění
200
9,3 kg
Epoxidovaný hliník
Neopren
Uhlík / keramika
2,5 bar
G2
270 l/min
17,6
4,5 m
80 °C
4 °C
Mechanické těsnění
270
7,1 kg
Hliník
Neopren
Uhlík / keramika
2,5 bar
Ano
G2
270 l/min
17,6
4,5 m
80 °C
4 °C
Mechanické těsnění
270
7,1 kg
Epoxidovaný hliník
Nitril
Uhlík / keramika
2,5 bar
G2
270 l/min
17,6
4,5 m
80 °C
4 °C
Mechanické těsnění
270
MONTAGE-816
100-4-220-B3/B14-4
100-4-220-B3/B14-3
53270-2011
Ja
7,1 kg
Epoxidovaný hliník
Neopren
Uhlík / keramika
2,5 bar
2,2 kW
Ano
G2
270 l/min
13,6
4,5 m
80 °C
4 °C
Mechanické těsnění
270

Vybraná varianta

Vyberte variantu ze seznamu

Kontakt

Pavel Lipenský

Technical sales engineer - Pressure & flow

+420 731 161 891
Poslat e-mail
Zákaznický servis
Kontaktujte nás:
+420 241 484 940
Poslat e-mail
Potřebujete pomoci?
Logo

Cookies nastavení oemautomatic.cz

Soubory cookies nám pomáhají zlepšovat vaši zkušenost s námi a proto, abychom mohli zpracovávat přihlašovací údaje, nabízet personalizovaný obsah a pro základní funkčnost tohoto webu používáme některé soubory cookies.

Nikdy nebudeme prodávat žádné informace o vás.

Můžete přijmout všechny soubory cookies nebo přizpůsobit své preference týkající se souborů cookies, můžete také kdykoli změnit své preference pro soubory cookies návštěvou naší kontaktní stránky.


Nezbytné soubory cookies

Tyto soubory cookies jsou nezbytné pro fungování webu a nelze je v našich systémech vypnout. Obvykle se používají pouze v reakci na akce, které jste provedli v souvislosti s požadavkem na službu, například při nastavení osobních preferencí, přihlášení nebo vyplnění formuláře.

Soubory cookies pro analýzu a měření

Tyto soubory cookies nám umožňují počítat počet návštěv a zdroje návštěvnosti, abychom mohli měřit a zlepšovat výkon našich webových stránek. Pomáhají nám zjistit, které stránky jsou více či méně oblíbené a jak se návštěvníci po webu pohybují. Informace, které tyto cookies shromažďují jsou agregované, a tedy zcela anonymní. Pokud tyto soubory nepovolíte, nevíme, kdy jste navštívili naše webové stránky.

Marketingové soubory cookies

Tyto soubory cookies mohou přidat naši partneři. Mohou je použít k vytvoření vašeho profilu na základě vašich zájmů, aby vám mohli zobrazovat relevantnější informace. Neukládají žádné osobní údaje – pouze informace o vašem prohlížeči a zařízení. Pokud tyto cookies nepřijmete, budete mít obecnější a méně přizpůsobenou uživatelskou zkušenost.