MICROSONIC
| Displej | Ne | 
|---|---|
| IO-LINK | Ano | 
| Materiál | PBT | 
| Max. vzdálenost | 1300 mm | 
| Napájecí napětí | 10-30 V DC | 
| Operační vzdálenost | 1000 mm | 
| Pouzdro | M18 | 
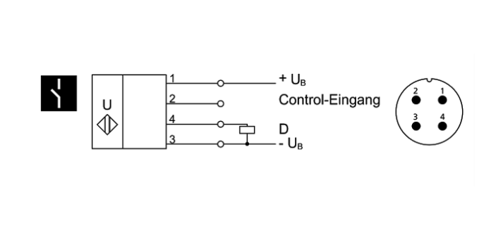
| Připojení | M12-4pin | 
|---|---|
| Rozlišení | 0,2 mm | 
| Rozsah měření | 120-1300 mm | 
| Slepá zóna | 120 mm | 
| Třída krytí | IP67 | 
| Výstup | PNP | 
Ultrazvukový bezdotykový snímač v plastovém pouzdře M18 se 4 detekčními rozsahy.
              Přesná detekce pomocí laserového snímače vzdálenosti HG-F od společnosti Panasonic Industry
              
                  Společnost Microsonic, expert světových rozměrů na ultrazvukové snímače, představuje svou novou řadu ultrazvukových snímačů CUBE, navrženou pro přesné a spolehlivé měření vzdáleností v průmyslových aplikacích.
                
              
                  Datasensing, přední italská společnost v oboru komponentů pro průmyslovou automatizaci, vytvořila sérii fotoelektrických snímačů nazvanou S3N, která nahrazuje a zdokonaluje již dlouhodobě známou a prověřenou sérii S3Z. Tato inovativní řada snímačů nabízí vysokou přesnost, spolehlivost a širokou škálu aplikací pro průmyslové prostředí.
                
              
                  Smart-VS je chytrý senzor založený na technologii umělé inteligence a strojového učení. Zvenčí je jednoduchý a lze s ním zacházet a používat ho jako standardní fotoelektrický senzor, ale uvnitř je výkonný a chytrý s multiprocesorovou platformou
                
              2D laserové skenery Hokuyo měří vzdálenost mezi skenerem a okolím. Skener dokáže na základě dat ze skenování cíle zjistit jeho velikost, polohu a směr pohybu.
              Instalace a uvedení senzorů IO-link do provozu jsou extrémně úsporné z hlediska času i nákladů. V praxi je spojení point-to-point na úrovni pole vytvořeno z různých senzorů k IO-link masterům a odtud prostřednictvím systémů polní sběrnice k PLC.
| 
                   | 
                
                   | 
                
                   | 
                
                   | 
                
                   | 
              ||
|---|---|---|---|---|---|---|
| 
                     | 
                  
                     | 
                  
                     | 
                  
                     | 
                  
                     | 
                ||
| 
                     | 
                  
                     | 
                  
                     | 
                  
                     | 
                  
                     | 
                ||
| 
                     | 
                  
                     | 
                  
                     | 
                  
                     | 
                  
                     | 
                ||
| 
                     | 
                  
                     | 
                  
                     | 
                  
                     | 
                  
                     | 
                ||
| 
                     | 
                  
                     | 
                  
                     | 
                  
                     | 
                  
                     | 
                ||
| 
                     | 
                  
                     | 
                  
                     | 
                  
                     | 
                  
                     | 
                
| Objednací číslo | Max. vzdálenost | Operační vzdálenost | Rozsah měření | Slepá zóna | Cena | ||
|---|---|---|---|---|---|---|---|
| 
   
      
        Ultrazvukový snímač
      
      
       
  
        Art:
         
    
          
            NERO-25/CD
          
          Zkopírováno
         
       | 
  
        
           
            350 mm
            
            
           
         | 
        
           
            250 mm
            
            
           
         | 
        
           
            30-350 mm 
            
            
           
         | 
        
           
            30 mm
            
            
           
         | 
     |   ||
| 
   
      
        Ultrazvukový snímac
      
      
       
  
        Art:
         
    
          
            NERO-100/CD
          
          Zkopírováno
         
       | 
  
        
           
            1300 mm
            
            
           
         | 
        
           
            1000 mm
            
            
           
         | 
        
           
            120-1300 mm 
            
            
           
         | 
        
           
            120 mm
            
            
           
         | 
     |   ||
| 
   
      
        Ultrazvukový snímac
      
      
       
  
        Art:
         
    
          
            NERO-35/CD
          
          Zkopírováno
         
       | 
  
        
           
            600 mm
            
            
           
         | 
        
           
            350 mm
            
            
           
         | 
        
           
            65-600 mm 
            
            
           
         | 
        
           
            65 mm
            
            
           
         | 
     |   ||
| 
   
      
        Ultrazvukový snímač
      
      
       
  
        Art:
         
    
          
            NERO-15/CD
          
          Zkopírováno
         
       | 
  
        
           
            250 mm
            
            
           
         | 
        
           
            150 mm
            
            
           
         | 
        
           
            20-250 mm 
            
            
           
         | 
        
           
            20 mm
            
            
           
         | 
     |   ||
| 
   
      
        Ultrazvukový snímac
      
      
       
  
        Art:
         
    
          
            NERO-15/WK/CD
          
          Zkopírováno
         
       | 
  
        
           
            250 mm
            
            
           
         | 
        
           
            150 mm
            
            
           
         | 
        
           
            20-250 mm 
            
            
           
         | 
        
           
            20 mm
            
            
           
         | 
     |   ||
| 
   
      
        Ultrazvukový snímac
      
      
       
  
        Art:
         
    
          
            NERO-25/WK/CD
          
          Zkopírováno
         
       | 
  
        
           
            350 mm
            
            
           
         | 
        
           
            250 mm
            
            
           
         | 
        
           
            30-350 mm 
            
            
           
         | 
        
           
            30 mm
            
            
           
         | 
     |   ||
| 
   
      
        Ultrazvukový snímac
      
      
       
  
        Art:
         
    
          
            NERO-35/WK/CD
          
          Zkopírováno
         
       | 
  
        
           
            600 mm
            
            
           
         | 
        
           
            350 mm
            
            
           
         | 
        
           
            65-600 mm 
            
            
           
         | 
        
           
            65 mm
            
            
           
         | 
     |   ||
| 
   
      
        Ultrazvukový snímac
      
      
       
  
        Art:
         
    
          
            NERO-100/WK/CD
          
          Zkopírováno
         
       | 
  
        
           
            1300 mm
            
            
           
         | 
        
           
            1000 mm
            
            
           
         | 
        
           
            120-1300 mm 
            
            
           
         | 
        
           
            120 mm
            
            
           
         | 
     |   
Vyberte variantu ze seznamu
            
        Tomáš Zapadlík