MICROSONIC

Ultrazvukový snímač NANO

Série NANO

Snímač Nano je revoluční ultrazvukový snímač, který se vejde do pouzdra velikosti M12. Díky svému kompaktnímu designu je ideální pro aplikace s omezeným prostorem. Navíc, díky vysoké přesnosti a spolehlivosti, poskytuje přesné měření v každém prostředí. S jeho pomocí můžete snadno monitorovat vzdálenost, polohu nebo přítomnost objektů. Nechte se překvapit výkonem tohoto malého, ale výkonného snímače Nano.
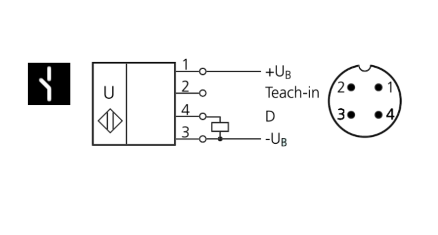
  • Provozní napětí 10–30 V pro použití v různých napěťových sítích
  • 1 spínací výstup ve variantě PNP nebo NPN
  • Analogový výstup 4–20 mA nebo 0–10 V
  • 2 detekční rozsahy měření - 20 mm až 350 mm s rozlišením 0,069 mm
  • Microsonic Teach-in na 2 pin

Vybraná varianta

Varianty produkty

Vybraná varianta

Specifikace

Displej Ne
IO-LINK Ano
Materiál Poniklovaná mosaz, PBT, Plast
Max. vzdálenost 250 mm
Napájecí napětí 10-30 V DC
Operační vzdálenost 150 mm
Pouzdro M12
Připojení M12-4pin
Rozlišení 0,18 mm
Rozsah měření 20-250 mm
Slepá zóna 20 mm
Třída krytí IP67
Výstup PNP

Popis produktu

Snímač Nano je jediným ultrazvukovým snímačem v pouzdře velikosti M12.

Příslušenství

Příbuzné produkty

INSPO

Produktové zprávy

Laserový snímač vzdálenosti HG-F

Přesná detekce pomocí laserového snímače vzdálenosti HG-F od společnosti Panasonic Industry

Microsonic ultrazvukovy snimace cube
Produktové zprávy

Ultrazvukový snímač CUBE

Společnost Microsonic, expert světových rozměrů na ultrazvukové snímače, představuje svou novou řadu ultrazvukových snímačů CUBE, navrženou pro přesné a spolehlivé měření vzdáleností v průmyslových aplikacích.

Produktové zprávy

Datasensing S3N

Datasensing, přední italská společnost v oboru komponentů pro průmyslovou automatizaci, vytvořila sérii fotoelektrických snímačů nazvanou S3N, která nahrazuje a zdokonaluje již dlouhodobě známou a prověřenou sérii S3Z. Tato inovativní řada snímačů nabízí vysokou přesnost, spolehlivost a širokou škálu aplikací pro průmyslové prostředí.

Produktové zprávy

SMART VS+ senzory

Smart-VS je chytrý senzor založený na technologii umělé inteligence a strojového učení. Zvenčí je jednoduchý a lze s ním zacházet a používat ho jako standardní fotoelektrický senzor, ale uvnitř je výkonný a chytrý s multiprocesorovou platformou

Produktové zprávy

2D laserové skenery

2D laserové skenery Hokuyo měří vzdálenost mezi skenerem a okolím. Skener dokáže na základě dat ze skenování cíle zjistit jeho velikost, polohu a směr pohybu.

Produktové zprávy

Digitalizace průmyslu 4.0

Instalace a uvedení senzorů IO-link do provozu jsou extrémně úsporné z hlediska času i nákladů. V praxi je spojení point-to-point na úrovni pole vytvořeno z různých senzorů k IO-link masterům a odtud prostřednictvím systémů polní sběrnice k PLC.

Objednací číslo IO-LINK Max. vzdálenost Operační vzdálenost Rozlišení Rozsah měření Slepá zóna Výstup Cena
Ano
250 mm
150 mm
0,18 mm
20-250 mm
20 mm
PNP
Ne
250 mm
150 mm
0,069 mm
20-250 mm
20 mm
4-20 mA
Ne
250 mm
150 mm
0,069 mm
20-250 mm
20 mm
0-10 V
Ne
350 mm
240 mm
0,069 mm
40-350 mm
40 mm
4-20 mA
Ne
350 mm
240 mm
0,069 mm
40-350 mm
40 mm
0-10 V
Ano
250 mm
150 mm
0,18 mm
20-250 mm
20 mm
NPN
Ano
350 mm
240 mm
0,18 mm
40-350 mm
40 mm
PNP
Ano
350 mm
240 mm
0,18 mm
40-350 mm
40 mm
NPN

Vybraná varianta

Vyberte variantu ze seznamu

Kontakt

Tomáš Zapadlík

Product support - Machine

+420 734 244 815
Poslat e-mail
Zákaznický servis
Kontaktujte nás:
+420 241 484 940
Poslat e-mail
Potřebujete pomoci?
Logo

Cookies nastavení oemautomatic.cz

Soubory cookies nám pomáhají zlepšovat vaši zkušenost s námi a proto, abychom mohli zpracovávat přihlašovací údaje, nabízet personalizovaný obsah a pro základní funkčnost tohoto webu používáme některé soubory cookies.

Nikdy nebudeme prodávat žádné informace o vás.

Můžete přijmout všechny soubory cookies nebo přizpůsobit své preference týkající se souborů cookies, můžete také kdykoli změnit své preference pro soubory cookies návštěvou naší kontaktní stránky.


Nezbytné soubory cookies

Tyto soubory cookies jsou nezbytné pro fungování webu a nelze je v našich systémech vypnout. Obvykle se používají pouze v reakci na akce, které jste provedli v souvislosti s požadavkem na službu, například při nastavení osobních preferencí, přihlášení nebo vyplnění formuláře.

Soubory cookies pro analýzu a měření

Tyto soubory cookies nám umožňují počítat počet návštěv a zdroje návštěvnosti, abychom mohli měřit a zlepšovat výkon našich webových stránek. Pomáhají nám zjistit, které stránky jsou více či méně oblíbené a jak se návštěvníci po webu pohybují. Informace, které tyto cookies shromažďují jsou agregované, a tedy zcela anonymní. Pokud tyto soubory nepovolíte, nevíme, kdy jste navštívili naše webové stránky.

Marketingové soubory cookies

Tyto soubory cookies mohou přidat naši partneři. Mohou je použít k vytvoření vašeho profilu na základě vašich zájmů, aby vám mohli zobrazovat relevantnější informace. Neukládají žádné osobní údaje – pouze informace o vašem prohlížeči a zařízení. Pokud tyto cookies nepřijmete, budete mít obecnější a méně přizpůsobenou uživatelskou zkušenost.