MICROSONIC

Ultrazvukový snímač CRM+

Série CRM+

Moderní bezkontaktní snímač CRM+ je skvělou volbou pro měření vzdálenosti a úrovně. Je vybaven LED displejem a tlačítky s Touch Control System. Snímač lze pohodlně nastavit na počítači pomocí rozhraní LinkControl. S technickými parametry, jako je vzdálenost měření od 0,2 do 500 m, přesnost měření ± 1 mm, napájení 10-30 V DC a teplotní rozsah od -25 °C do +70 °C, je snímač CRM+ spolehlivým a výkonným řešením.
  • Vhodné pro použití v agresivním prostředí
  • Pouzdro senzoru je vyrobeno z nerezové oceli
  • Snímací rozsah od 30 mm do 8 m
  • Výstup - PNP/NPN/analogový
  • Kompenzace okolní teploty

Vybraná varianta

Varianty produkty

Vybraná varianta

Specifikace

Displej Ano
Materiál Nerezová ocel
Max. vzdálenost 350 mm
Napájecí napětí 9-30 V DC
Operační vzdálenost 250 mm
Pouzdro M30
Připojení M12-5pin
Rozlišení 0,025 mm
Rozsah měření 30-350 mm
Slepá zóna 30 mm
Třída krytí IP67
Výstup NC, NO, PNP

Rozměry a připojení

CRM+25_35_130.jpg

CRM+25/35/130

CRM+340.jpg

CRM+340

CRM+600.jpg

CRM+600

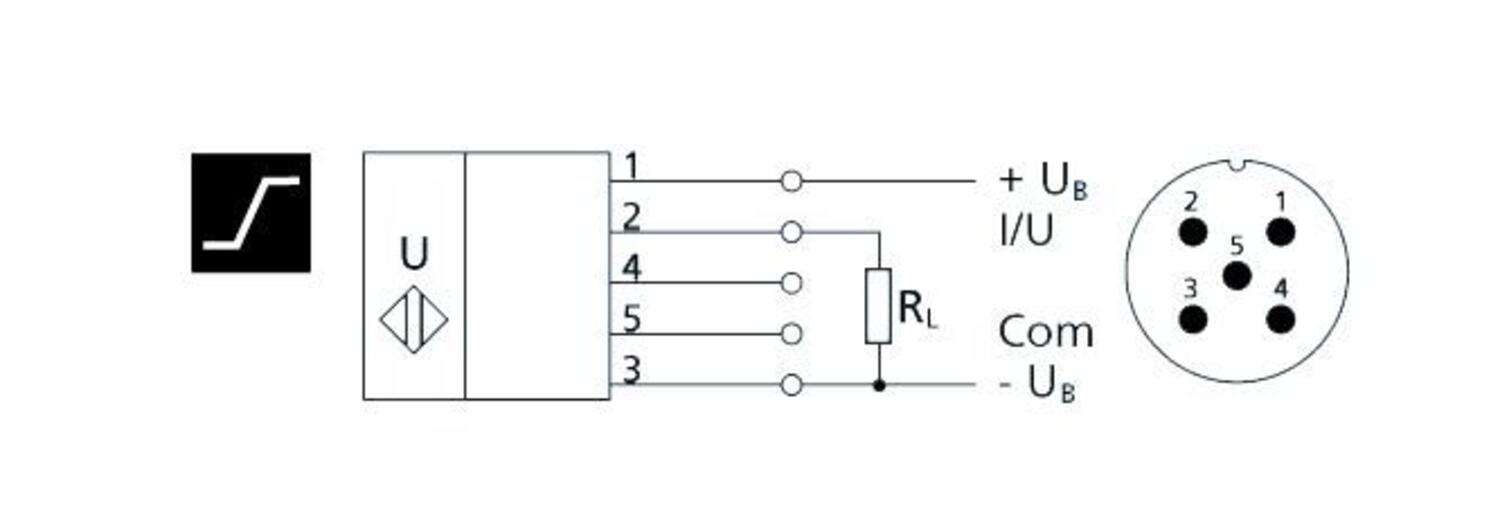
5D12.png

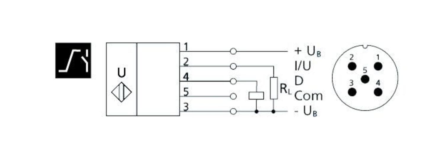
1 tranzistorový výstup

5IU12.png

1 analogový výstup

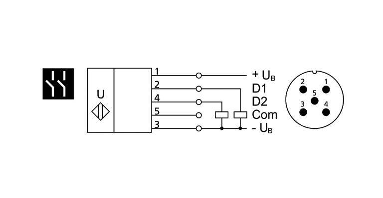
5DD12.png

2 tranzistorové výstupy

Popis produktu

Moderní bezkontaktní snímač pro měření vzdálenosti a úrovní. Díky speciální vrstvě na ultrazvukové membráně není problém s odstraněním usazených nečistot jako např. cementu. Snímač má vestavěný LED displej a tlačítka (Touch Control System), který umožňuje přímé nastavení hodnot nebo funkci Teach-in. Pomocí rozhraní LinkControl lze snímač nastavit pohodlně na počítači.

Technické parametry

Model

CRM+25

CRM+35

CRM+130

CRM+340

CRM+600

Pracovní rozsah

30 - 250 mm

60 - 350 mm

200 - 1300 mm

350 - 3400 mm

600 - 6000 mm

Maximální dosah

350 mm

600 mm

2000 mm

5000 mm

8000 mm

Provozní frekvence

320 kHz

400 kHz

200 kHz

120 kHz

80 kHz

Opakovatelnost

± 0,15%

Rozlišení

0,025 mm

0,18 mm

Napájecí napětí

9-30 V DC, ochrana proti přepólování

Zvlnění napájecího napětí

± 10%

Napájecí proud bez zátěže

≤ 55 mA

Výstup

PNP, NPN: max 200 mA, analogový výstup (4 - 20 mA / 0 - 10 V)

Materiál pouzdra

Pouzdro senzoru je vyrobeno z nerezové oceli 1.4571 a z plastů PBT, TPU,
ultrazvukový měnič: PEEK, PTFE

Třída krytí

IP67

Způsob připojení

5 – pólový konektor M12

Indikace

3-digit LED displej

2 x tříbarevná LED

Způsob nastavení

Tlačítky "Teach-in" nebo software LinkControl

Pracovní teplota

-25º až +70ºC

Hmotnost

150 g

210 g

270 g

Odezva

50 ms

70 ms

110 ms

180 ms

240 ms

Doba náběhu po zapnutí

< 300 ms

 

Rozměry

CRM+25

CRM+35

CRM+130

 

CRM+340

CRM+600

 

 

Připojení

1 tranzistorový výstup PNP

1 analogový výstup

257662_755.jpg

257664_755.jpg

2 tranzistorové výstupy PNP

1 tranzistorový výstup PNP + 1 analogový výstup

257663_755.jpg

257666_755.jpg

 

Nastavení

Ovládání za pomocí tlačítek a LED displeje

257725_755.jpg

257726_755.jpg

257727_755.jpg

Stiskněte a držte obě tlačítka,
dokud se na LED displeji nezobrazí zpráva "Pro".

Vyberte typ výstupu
D1, D2, IU

Nastavte plochu oblasti v mm nebo cm

 

257728_755.jpg

257729_755.jpg

257730_755.jpg

Pokud pracujete v režimu okénkového komparátoru,
nastavte přední a zadní rozsah okna v mm nebo cm

Vyberte NCC nebo NOC

Hotovo


Pomocí tlačítek lze použít také Teach-in proceduru a pokročilá nastavení. Kromě základních pracovních režimů lze zvolit šířku hystereze, citlivost, vzdálenost potlačení popředí i pozadí, nastavit filtry přijatého signálu, zpoždění výstupu, synchronizaci při použití více senzorů, uzamknutí tlačítek nebo šetření energie vypnutím displeje.

Objednací informace

Výstup/Dosah

0,25m

0,35m

1,3m

3,4m

6m

1x PNP

crm+25/D/TC/E

crm+35/D/TC/E

crm+130/D/TC/E

crm+340/D/TC/E

crm+600/D/TC/E

2x PNP

crm+25/DD/TC/E 

crm+35/DD/TC/E

crm+130/DD/TC/E

crm+340/DD/TC/E

crm+600/DD/TC/E

4-20 mA

0-10 V

crm+25/IU/TC/E

crm+35/IU/TC/E

crm+130/IU/TC/E

crm+340/IU/TC/E

crm+600/IU/TC/E

 

Příslušenství

Příbuzné produkty

INSPO

Produktové zprávy

Laserový snímač vzdálenosti HG-F

Přesná detekce pomocí laserového snímače vzdálenosti HG-F od společnosti Panasonic Industry

Microsonic ultrazvukovy snimace cube
Produktové zprávy

Ultrazvukový snímač CUBE

Společnost Microsonic, expert světových rozměrů na ultrazvukové snímače, představuje svou novou řadu ultrazvukových snímačů CUBE, navrženou pro přesné a spolehlivé měření vzdáleností v průmyslových aplikacích.

Produktové zprávy

Datasensing S3N

Datasensing, přední italská společnost v oboru komponentů pro průmyslovou automatizaci, vytvořila sérii fotoelektrických snímačů nazvanou S3N, která nahrazuje a zdokonaluje již dlouhodobě známou a prověřenou sérii S3Z. Tato inovativní řada snímačů nabízí vysokou přesnost, spolehlivost a širokou škálu aplikací pro průmyslové prostředí.

Produktové zprávy

SMART VS+ senzory

Smart-VS je chytrý senzor založený na technologii umělé inteligence a strojového učení. Zvenčí je jednoduchý a lze s ním zacházet a používat ho jako standardní fotoelektrický senzor, ale uvnitř je výkonný a chytrý s multiprocesorovou platformou

Produktové zprávy

2D laserové skenery

2D laserové skenery Hokuyo měří vzdálenost mezi skenerem a okolím. Skener dokáže na základě dat ze skenování cíle zjistit jeho velikost, polohu a směr pohybu.

Produktové zprávy

Digitalizace průmyslu 4.0

Instalace a uvedení senzorů IO-link do provozu jsou extrémně úsporné z hlediska času i nákladů. V praxi je spojení point-to-point na úrovni pole vytvořeno z různých senzorů k IO-link masterům a odtud prostřednictvím systémů polní sběrnice k PLC.

Objednací číslo Max. vzdálenost Operační vzdálenost Rozsah měření Slepá zóna Výstup Cena
350 mm
250 mm
30-350 mm
30 mm
NC, NO, PNP
350 mm
250 mm
30-350 mm
30 mm
NC, NO, 2xPNP
350 mm
250 mm
30-350 mm
30 mm
0-20 mA, 0-10 V
600 mm
350 mm
85-600 mm
85 mm
NC, NO, PNP
600 mm
350 mm
85-600 mm
85 mm
NC, NO, 2xPNP
600 mm
350 mm
85-600 mm
85 mm
0-20 mA, 0-10 V
2000 mm
1300 mm
200-2000 mm
200 mm
NC, NO, PNP
2000 mm
1300 mm
200-2000 mm
200 mm
NC, NO, 2xPNP
2000 mm
1300 mm
200-2000 mm
200 mm
0-20 mA, 0-10 V
5000 mm
3400 mm
350-5000 mm
350 mm
NC, NO, PNP
5000 mm
3400 mm
350-5000 mm
350 mm
NC, NO, 2xPNP
5000 mm
3400 mm
350-5000 mm
350 mm
0-20 mA, 0-10 V
8000 mm
6000 mm
600-8000 mm
600 mm
NC, NO, PNP
8000 mm
6000 mm
600-8000 mm
600 mm
NC, NO, 2xPNP
8000 mm
6000 mm
600-8000 mm
600 mm
0-20 mA, 0-10 V

Vybraná varianta

Vyberte variantu ze seznamu

Kontakt

Tomáš Zapadlík

+420 734 244 815
Poslat e-mail
Zákaznický servis
Kontaktujte nás:
+420 241 484 940
Poslat e-mail
Potřebujete pomoci?
Logo

Cookies nastavení oemautomatic.cz

Soubory cookies nám pomáhají zlepšovat vaši zkušenost s námi a proto, abychom mohli zpracovávat přihlašovací údaje, nabízet personalizovaný obsah a pro základní funkčnost tohoto webu používáme některé soubory cookies.

Nikdy nebudeme prodávat žádné informace o vás.

Můžete přijmout všechny soubory cookies nebo přizpůsobit své preference týkající se souborů cookies, můžete také kdykoli změnit své preference pro soubory cookies návštěvou naší kontaktní stránky.


Nezbytné soubory cookies

Tyto soubory cookies jsou nezbytné pro fungování webu a nelze je v našich systémech vypnout. Obvykle se používají pouze v reakci na akce, které jste provedli v souvislosti s požadavkem na službu, například při nastavení osobních preferencí, přihlášení nebo vyplnění formuláře.

Soubory cookies pro analýzu a měření

Tyto soubory cookies nám umožňují počítat počet návštěv a zdroje návštěvnosti, abychom mohli měřit a zlepšovat výkon našich webových stránek. Pomáhají nám zjistit, které stránky jsou více či méně oblíbené a jak se návštěvníci po webu pohybují. Informace, které tyto cookies shromažďují jsou agregované, a tedy zcela anonymní. Pokud tyto soubory nepovolíte, nevíme, kdy jste navštívili naše webové stránky.

Marketingové soubory cookies

Tyto soubory cookies mohou přidat naši partneři. Mohou je použít k vytvoření vašeho profilu na základě vašich zájmů, aby vám mohli zobrazovat relevantnější informace. Neukládají žádné osobní údaje – pouze informace o vašem prohlížeči a zařízení. Pokud tyto cookies nepřijmete, budete mít obecnější a méně přizpůsobenou uživatelskou zkušenost.