SOCOMEC
| Jmenovitý proud | 40 A | 
|---|---|
| Počet pólů | 4 | 
| Typ aplikace | programovatelná | 
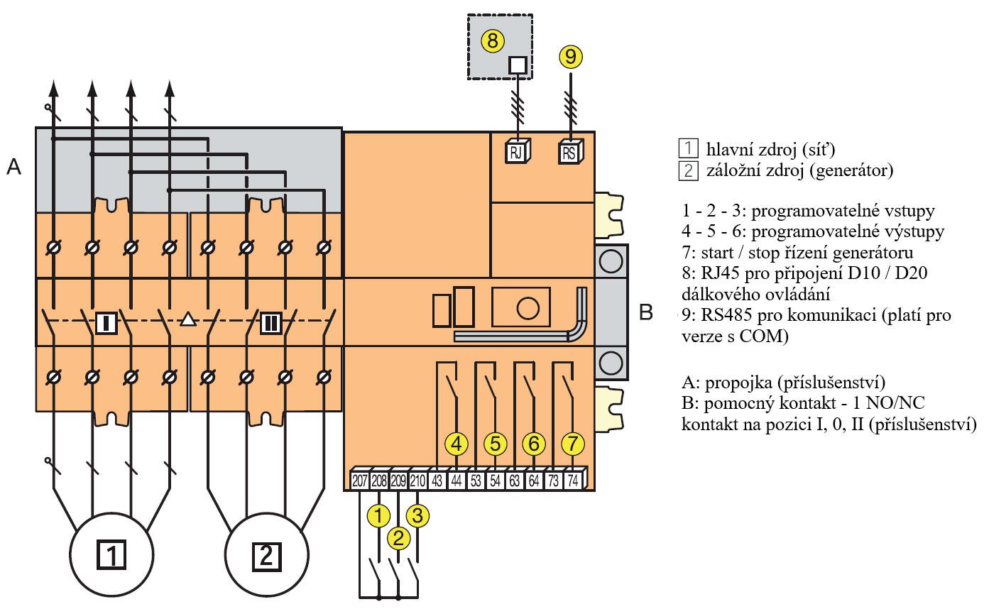
ATyS p M jsou automatické přepínače z výkonové řady od 40 A do 160 A jmenovitého proudu, příbuzné řadě ATyS p. Každý je vybaven dvěma nezávislými vstupy pro napájení, které mohou být připojeny individuálně. Přepínače jsou ovládané pomocí elektromagnetů, což umožňuje rychlé přepnutí přístroje. Parametry (intervaly napětí a frekvence, hysterezi, nastavení vstupů a výstupů) lze měnit pomocí tlačítek na hlavním panelu.
 
              U fotovoltaických aplikací je důležité mít spolehlivé a účinné elektrické komponenty, které odolávají náročným podmínkám prostředí a poskytují optimální výkon. Tři přední společnosti, Mersen, TE Connectivity a SOCOMEC, nabízejí řadu produktů určených speciálně pro fotovoltaické aplikace.
 
              SIRCO M jsou manuální, více pólové modulární odpínače, snadno přizpůsobitelné požadavkům zákazníka. Nabízí možnost odpojení během zatížení a poskytují tak bezpečné izolování jakéhokoliv nízkonapěťového elektrického obvodu.
 
              
                  Oznamuje navázání nové strategické spolupráce s italským výrobcem ADEL System, lídrem v oblasti zálohovaného napájení. Toto partnerství rozšiřuje naše portfolio o špičkové průmyslové napájecí zdroje, DC-UPS systémy a inteligentní nabíječky baterií, které jsou navrženy pro maximální spolehlivost a bezpečnost v nejnáročnějších aplikacích.
                
 
              Zajistěte bezchybný výkon a chraňte veřejné zdraví. Tento průvodce vám pomůže vybrat zařízení, které odolá drsným podmínkám potravinářské výroby a splní veškeré regulační požadavky.
 
              Případová studie z oblasti papírenského a chemického průmyslu
 
              Informace přímo z displeje vašeho napájecího zdroje. Věděli jste, že informace můžete získat přímo z vašeho napájecího zdroje?
|  |  |  |  |  | ||
|---|---|---|---|---|---|---|
|  |  |  |  |  | ||
|  |  |  |  |  | ||
|  |  |  |  |  | ||
|  |  |  |  |  | ||
|  |  |  |  |  | ||
|  |  |  |  |  | 
| Objednací číslo | Jmenovitý proud | Komunikační protokol | Cena | ||
|---|---|---|---|---|---|
|   
      
        ATyS p M + komunikace
      
      
       
        Art:
         
          
            93844004
          
          Zkopírováno
         | 
            40 A
            
            
           | 
            Modbus RTU (RS-485) 
            
            
           |  | ||
|   
      
        ATyS p M
      
      
       
        Art:
         
          
            93644004
          
          Zkopírováno
         | 
            40 A
            
            
           |  |  | ||
|   
      
        ATyS p M
      
      
       
        Art:
         
          
            93644006
          
          Zkopírováno
         | 
            63 A
            
            
           |  |  | ||
|   
      
        ATyS p M
      
      
       
        Art:
         
          
            93644008
          
          Zkopírováno
         | 
            80 A
            
            
           |  |  | ||
|   
      
        ATyS p M
      
      
       
        Art:
         
          
            93644010
          
          Zkopírováno
         | 
            100 A
            
            
           |  |  | ||
|   
      
        ATyS p M
      
      
       
        Art:
         
          
            93644012
          
          Zkopírováno
         | 
            125 A
            
            
           |  |  | ||
|   
      
        ATyS p M
      
      
       
        Art:
         
          
            93644016
          
          Zkopírováno
         | 
            160 A
            
            
           |  |  | ||
|   
      
        ATyS p M + komunikace
      
      
       
        Art:
         
          
            93844006
          
          Zkopírováno
         | 
            63 A
            
            
           | 
            Modbus RTU (RS-485) 
            
            
           |  | ||
|   
      
        ATyS p M + komunikace
      
      
       
        Art:
         
          
            93844008
          
          Zkopírováno
         | 
            80 A
            
            
           | 
            Modbus RTU (RS-485) 
            
            
           |  | ||
|   
      
        ATyS p M + komunikace
      
      
       
        Art:
         
          
            93844010
          
          Zkopírováno
         | 
            100 A
            
            
           | 
            Modbus RTU (RS-485) 
            
            
           |  | ||
|   
      
        ATyS p M + komunikace
      
      
       
        Art:
         
          
            93844012
          
          Zkopírováno
         | 
            125 A
            
            
           | 
            Modbus RTU (RS-485) 
            
            
           |  | ||
|   
      
        ATyS p M + komunikace
      
      
       
        Art:
         
          
            93844016
          
          Zkopírováno
         | 
            160 A
            
            
           | 
            Modbus RTU (RS-485) 
            
            
           |  | 
Vyberte variantu ze seznamu
 
            
        Miloš Kadlec