SOCOMEC

DIRIS Digiware S

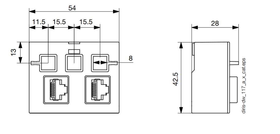
Proudový modul s integrovaným senzorem

DIRIS Digiware S-130, S-135 a S-Datacenter jsou kompaktní moduly pro měření proudu s integrovanými senzory. Jejich instalace přímo pod ochranný prvek umožňuje úsporu místa v rozvaděči.
  • Ideální řešení pro úsporu místa v rozvaděči
  • Instalace přímo pod ochranné zařízení (jistič).
  • Třída přesnosti 0,5 od 2 % do 120 % In.
  • Technologie instalace Plug & Play
  • Digiware bus sběrnice s RJ45 konektory.
Socomec DIRIS Digiware S-130 48290160

48290162 - DIRIS Digiware S-DATACENTER

Vybraná varianta

Varianty produkty

Vybraná varianta

Specifikace

Počet proudových vstupů 3
Rozhraní Digiware Bus
Třída přesnosti 0,5
Připojení RJ45
Vlastní spotřeba 0,35 W
Jmenovitý proud 63 A

Popis produktu

DIRIS Digiware S-130, S-135 a S-Datacenter jsou moduly pro měření proudu se třemi integrovanými senzory. Díky svým kompaktním rozměrům je možné je instalovat přímo pod ochanný prvek (jistič), což zajišťuje nezanedbatelně velkou úsporu místa v rozvaděči.

 

Příslušenství

INSPO

Produktové zprávy

Facility Management 4.0: Jak zajistit maximální bezpečnost a energetickou efektivitu vaší budovy

Moderní budovy již nejsou pouze statickými strukturami z betonu a skla. Stávají se z nich "živé organismy" řízené sofistikovanými nervovými systémy. Technologie pro monitorování a řízení procesů, často souhrnně označované jako BMS (Building Management Systems) nebo MaR (Měření a Regulace), jsou klíčové pro efektivitu, bezpečnost a komfort uživatelů.

Produktové zprávy

Pět klíčových výhod Diris A-200

DIRIS A-200 je nový měřič kvality energie, navržený pro univerzální a intuitivní integraci

Produktové zprávy

Lütze Nový design pojistek

Lütze přichází s novým aktualizovaným designem své elektronické pojistky, ale zachová si stejné číslo výrobku jako dříve.

socomec countis P
Produktové zprávy

Nová řada elektroměrů Countis P

Socomec uvádí novou řadu elektroměrů COUNTIS P – méně modelů, více flexibility

Socomec Diris A-100 A-200
Produktové zprávy

Síťové analyzátory Diris A-100 a A-200

Síťové analyzátory Diris A-100 a A-200 - nástroje pro monitorování a kontrolu kvality elektrické energie

Produktové zprávy

Chyťte slunce do své sítě

U fotovoltaických aplikací je důležité mít spolehlivé a účinné elektrické komponenty, které odolávají náročným podmínkám prostředí a poskytují optimální výkon. Tři přední společnosti, Mersen, TE Connectivity a SOCOMEC, nabízejí řadu produktů určených speciálně pro fotovoltaické aplikace.

Objednací číslo Protokol Cena
Digiware Bus

Vybraná varianta

Vyberte variantu ze seznamu

Kontakt

Miloš Kadlec

Aplication engineer - Panel

+420 736 167 384
Poslat e-mail
Zákaznický servis
Kontaktujte nás:
+420 241 484 940
Poslat e-mail
Potřebujete pomoci?
Logo

Cookies nastavení oemautomatic.cz

Soubory cookies nám pomáhají zlepšovat vaši zkušenost s námi a proto, abychom mohli zpracovávat přihlašovací údaje, nabízet personalizovaný obsah a pro základní funkčnost tohoto webu používáme některé soubory cookies.

Nikdy nebudeme prodávat žádné informace o vás.

Můžete přijmout všechny soubory cookies nebo přizpůsobit své preference týkající se souborů cookies, můžete také kdykoli změnit své preference pro soubory cookies návštěvou naší kontaktní stránky.


Nezbytné soubory cookies

Tyto soubory cookies jsou nezbytné pro fungování webu a nelze je v našich systémech vypnout. Obvykle se používají pouze v reakci na akce, které jste provedli v souvislosti s požadavkem na službu, například při nastavení osobních preferencí, přihlášení nebo vyplnění formuláře.

Soubory cookies pro analýzu a měření

Tyto soubory cookies nám umožňují počítat počet návštěv a zdroje návštěvnosti, abychom mohli měřit a zlepšovat výkon našich webových stránek. Pomáhají nám zjistit, které stránky jsou více či méně oblíbené a jak se návštěvníci po webu pohybují. Informace, které tyto cookies shromažďují jsou agregované, a tedy zcela anonymní. Pokud tyto soubory nepovolíte, nevíme, kdy jste navštívili naše webové stránky.

Marketingové soubory cookies

Tyto soubory cookies mohou přidat naši partneři. Mohou je použít k vytvoření vašeho profilu na základě vašich zájmů, aby vám mohli zobrazovat relevantnější informace. Neukládají žádné osobní údaje – pouze informace o vašem prohlížeči a zařízení. Pokud tyto cookies nepřijmete, budete mít obecnější a méně přizpůsobenou uživatelskou zkušenost.