CROUZET CONTROL

Relé pro kontrolu napětí v třífázové síti H3US a H3USN

Série H3US a H3USN

Relé pro kontrolu třífázových sítí s nulovým vodičem H3USN. Relé pro kontrolu třífázových sítí bez nulového vodiče H3US. Na čelní straně je přepínač pro nastavení požadované hodnoty Un. Poloha přepínače je načtena v okamžiku připojení napájecího napětí. Pokud dojde k přepnutí tohoto přepínače za provozu, začnou blikat všechny indikátory LED a relé i nadále pracuje s původně načtenou hodnotou (nová hodnota platí až po odpojení a následném připojení Un).
  • Kontrola síťového napětí
  • Možnost volby napětí sítě
  • Šířka 35 mm
  • Signalizace LED diodami
Control relay

84873220 - H3US kontrolní relé

Picture_H3USN.jpg

84873221 - H3USN kontrolní relé

Vybraná varianta

Varianty produkty

Vybraná varianta

Specifikace

Časové zpoždění při překročení prahové hodnoty 0,3-30s
Časové zpoždění startu 0,5 s
Hmotnost 130 g
Horní hranice 2 - 20%
Jmenovitý výkon 5A, 250V AC/DC
Lower Limit -2 - -20%
Napájecí napětí 3 x 220-480V AC
Provozní teplota max. 50 °C
Provozní teplota min. -20 °C
Shoda s normami CE, CSA, RoHS, UL
Teplota skladování do 70 °C
Teplota skladování od -40 °C
Třída krytí pouzdra IP30
Třída krytí připojení IP20
Výběr jmenovitého napětí 220, 380, 400, 415, 440, 480V
Výstup 2x Relé

Ke stažení

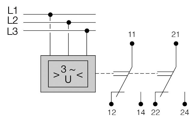
Rozměry a připojení

Nákresy

Popis produktu

Relé pro kontrolu třífázových sítí s nulovým vodičem H3USN. Relé pro kontrolu třífázových sítí bez nulového vodiče H3US. Na čelní straně je přepínač pro nastavení požadované hodnoty Un. Poloha přepínače je načtena v okamžiku připojení napájecího napětí. Pokud dojde k přepnutí tohoto přepínače za provozu, začnou blikat všechny indikátory LED a relé i nadále pracuje s původně načtenou hodnotou (nová hodnota platí až po odpojení a následném připojení Un). Relé monitoruje podpětí a přepětí v síti, které lze samostatně nastavit v rozsazích –2 až –20 % a +2 až +20 % Un. Každému rozsahu odpovídá samostatný výstup (R1 Over a R2 Under) se samostatně nastavitelným časovým zpožděním (Tt1 a Tt2). H3USN zároveň hlídá, zda nedošlo k přerušení nulového vodiče. Zelená LED signalizuje přítomnost napájecího napětí (Un). Žluté LED signalizují sepnuté releové výstupy (R1neboR2). V případě výskytu chyby relé odpadne a žlutá LED zhasne.


Přepětí / podpětí

 

1: Přepětí

2: Hystereze

3: Podpětí

4: L1, L2, L3

5: Relé R1

6: Relé R2

7: Zpoždění při překročení mezní hodnoty přepětí

8: Zpoždění při překročení mezní hodnoty podpětí

 

Technické parametry

Jmenovité napětí H3US

3x220-480 V st 50/60 Hz +10%/-12%

Dolní limit 194 Vst (pro 220 V)
Horní limit 528 Vst (pro 480 V)

Jmenovité napětí H3USN

3x120-277 V st 50/60 Hz +20 %/ -20%

Dolní limit 96 Vst (pro 120 V)
Horní limit 332 Vst (pro 277 V)

Vlastní spotřeba

1.8 VA

 

Volba jmenovitého napětí (H3US)

220 V, 380 V, 400 V, 415 V, 440 V, 480 V

 

Volba jmenovitého napětí (H3USN)

120 V, 127 V, 220 V, 230 V, 240 V, 260 V, 277 V

 

Hystereze

2 % hodnoty Un

 

Přesnost nastavení

±3 %

 

Doba ustálení

500 ms

 

Časové zpoždění Tt

0.3-30 s

 

Výstupní relé

5 A st/ss pro 250V st/ss (2 přepínací kontakty, přepětí / podpětí)
odporová zátěž

 

Provozní teplota

-20 °C to +50 °C

 

Hmotnost

130 g

 

Shoda s normami

Ce-marking, (LVD) 73/23/EEC-EMC 89/336/EEC
RoHs.WEEE

 

Montáž

Symetrická lišta DIN 35mm

 

 

Rozměry

 

Připojení

H3US

H3USN

Doporučuje se rychlá pojistka, jistič, nebo obvodový chránič 100 mA
ve fázi L1 před relé.

Doporučuje se rychlá pojistka, jistič, nebo obvodový chránič 100 mA
ve fázi L1 před relé.

 

Objednací informace

Objednací číslo

Popis

Napájecí napětí

E-číslo

84873220

H3US kontrola fází, podpětí nebo přepětí (2 přepínací kontakty) bez nulového vodiče

3x220-480 V st

E3862147

84873221

H3USN kontrola fází, podpětí nebo přepětí (2 přepínací kontakty) s nulovým vodičem

3x120-277 V st

E3862148

 

Příslušenství

INSPO

Produktové zprávy

Facility Management 4.0: Jak zajistit maximální bezpečnost a energetickou efektivitu vaší budovy

Moderní budovy již nejsou pouze statickými strukturami z betonu a skla. Stávají se z nich "živé organismy" řízené sofistikovanými nervovými systémy. Technologie pro monitorování a řízení procesů, často souhrnně označované jako BMS (Building Management Systems) nebo MaR (Měření a Regulace), jsou klíčové pro efektivitu, bezpečnost a komfort uživatelů.

Produktové zprávy

Efektivní oddělení řídicích a procesních obvodů pomocí reléových modulů DELCON

Případová studie z oblasti papírenského a chemického průmyslu

Produktové zprávy

Nová generace klimatizačních jednotek SLIMLINE NEO

Seifert Systems uvádí SLIMLINE NEO: Revoluční chlazení s R290 bez PFAS. Invertorová technologie srazí náklady a chrání klima. Budoucnost je teď.

Produktové zprávy

Adel System

Oznamuje navázání nové strategické spolupráce s italským výrobcem ADEL System, lídrem v oblasti zálohovaného napájení. Toto partnerství rozšiřuje naše portfolio o špičkové průmyslové napájecí zdroje, DC-UPS systémy a inteligentní nabíječky baterií, které jsou navrženy pro maximální spolehlivost a bezpečnost v nejnáročnějších aplikacích.

Produktové zprávy

Klimatizace pro potravinářský a nápojový průmysl

Zajistěte bezchybný výkon a chraňte veřejné zdraví. Tento průvodce vám pomůže vybrat zařízení, které odolá drsným podmínkám potravinářské výroby a splní veškeré regulační požadavky.

Produktové zprávy

Napájecí zdroj Puls s displejem

Informace přímo z displeje vašeho napájecího zdroje. Věděli jste, že informace můžete získat přímo z vašeho napájecího zdroje?

Objednací číslo Napájecí napětí Výběr jmenovitého napětí Cena
3 x 220-480V AC
220, 380, 400, 415, 440, 480V
3 x 120-277V AC
120, 127, 220, 230, 240, 260, 277V

Vybraná varianta

Vyberte variantu ze seznamu

Kontakt

Jaroslav Béreš

Product Area Manager Panel & Marketing manager

+420 733 122 162
Poslat e-mail
Zákaznický servis
Kontaktujte nás:
+420 241 484 940
Poslat e-mail
Potřebujete pomoci?