CROUZET CONTROL

Relé pro kontrolu napájecího napětí v jednofázové síti

Série MUS, MUSF

Relé pro kontrolu napětí jednofázových sítí st /ss. Relé je napájeno přímo z měřené sítě. Relé MUS monitoruje podpětí nebo přepětí a to v režimu s pamětí nebo bez paměti. Paměťový režim znamená, že po výskytu chyby je třeba provést opětovnou inicializaci odpojením Un. Hysterezi lze zvolit 5 až 20 % z nastavené hodnoty napětí. Časové zpoždění Tt slouží k překlenutí krátkodobých odchylek měřené hodnoty. Funkci relé volíme přepínačem na čelní straně.
  • Tři modely s různými rozsahy napětí
  • Volba režimu přepětí nebo podpětí
  • Automatická detekce st nebo ss
  • Šířka 17,5 mm
Control relay

84872151 - MUSF80ACDC kontrolní relé

PH_RMC2_MUSF_260ACDC.eps

84872152 - MUSF260ACDC kontrolní relé

Vybraná varianta

Varianty produkty

Vybraná varianta

Specifikace

Časové zpoždění při překročení prahové hodnoty 0,1-10s
Časové zpoždění startu 0,5 s
Hmotnost 80 g
Horní hranice 15 V DC
Jmenovitý výkon 5A, 250V AC/DC
Lower Limit 9 V DC
Napájecí napětí 12V dc
Provozní teplota max. 50 °C
Provozní teplota min. -20 °C
Teplota skladování do 70 °C
Teplota skladování od -40 °C
Výstup Relé 1 pól C/O

Rozměry a připojení

Nákresy

Popis produktu

Relé pro kontrolu napětí jednofázových sítí st /ss. Relé je napájeno přímo z měřené sítě.
Relé MUS monitoruje podpětí nebo přepětí a to v režimu s pamětí nebo bez paměti. Paměťový režim znamená, že po výskytu chyby je třeba provést opětovnou inicializaci odpojením Un. Hysterezi lze zvolit 5 až 20 % z nastavené hodnoty napětí. Časové zpoždění Tt slouží k překlenutí krátkodobých odchylek měřené hodnoty. Funkci relé volíme přepínačem na čelní straně. Poloha přepínače je načtena vždy v okamžiku připojení Un. Pokud dojde k přepnutí tohoto přepínače za provozu, začnou blikat všechny indikátory LED a relé i nadále pracuje s původně zvolenou funkcí (nová funkce platí až po odpojení a následném připojení Un).

Relé MUSF monitoruje, zda se měřené napětí nachází ve zvoleném pásmu. Mezní hodnoty přepětí a podpětí (hranice pásma) se nastavují samostatně, trimry na čelním panelu. Relé MUSF má pevně nastavenou hysterézi 3 %.
Zelená LED signalizuje přítomnost napájecího napětí (Un). Žlutá LED signalizuje sepnutý releový výstup (R). V případě výskytu chyby relé odpadne a žlutá LED zhasne.


Přepětí / podpětí bez paměti
(MUS)

Přepětí / podpětí s pamětí
(MUS)

Monitorování pásma přepětí/podpětí (okénková funkce)
(MUSF)

1: Mezní hodnota

1: Mezní hodnota

1: Horní mezní hodnota

2: Hystereze

2: Hystereze

2: Dolní mezní hodnota

3: Funkce přepětí

3: Funkce přepětí

3: Hystereze

4: Funkce podpětí

4: Funkce podpětí

4: Monitorovaný signál

5: Monitorovaný signál

5: Monitorovaný signál

5: Časové zpoždění při překročení
mezní hodnoty (Tt)

6: Časové zpoždění při překročení
mezní hodnoty (Tt)

6: Časové zpoždění při překročení
mezní hodnoty (Tt)

 

 

Technické parametry

Provozní napětí MUS12DC

7 až 20 V ss

 

Provozní napětí MUS/MUSF80ACDC

15 až 100 V st/ss

 

Provozní napětí MUS/MUSF260AC/DC

50 až 270 V st/ss

 

Vlastní spotřeba

3.9 VA (MUS/MUSF80AC)

 

Rozsah nastavení napětí

Dolní mezní hodnota

Horní mezní hodnota

MUS12DC

9 V ss

15 V ss

MUS/MUSF80ACDC

20 V st/ss

80 V st/ss

MUS/MUSF260ACDC

65 V st/ss

260 V st/ss

Rozsah nastavení hystereze

5 až 20 % z nastavené hodnoty (MUS)

3 % z nastavené hodnoty, fixní (MUSF)

Doba ustálení

500 ms

 

Časové zpoždění Tt

0,1-10 s

 

Výstupní relé

5 A st/ss pro 250V st/ss (1 přepínací kontakt)
odporová zátěž

Provozní teplota

-20 °C až +50 °C

 

Hmotnost

80 g

 

Shoda s normami

, (LVD) 73/23/EEC-EMC 89/336/EEC
RoHs.WEEE

Montáž

Symetrická lišta DIN 35mm

 

 

Rozměry

 

Připojení

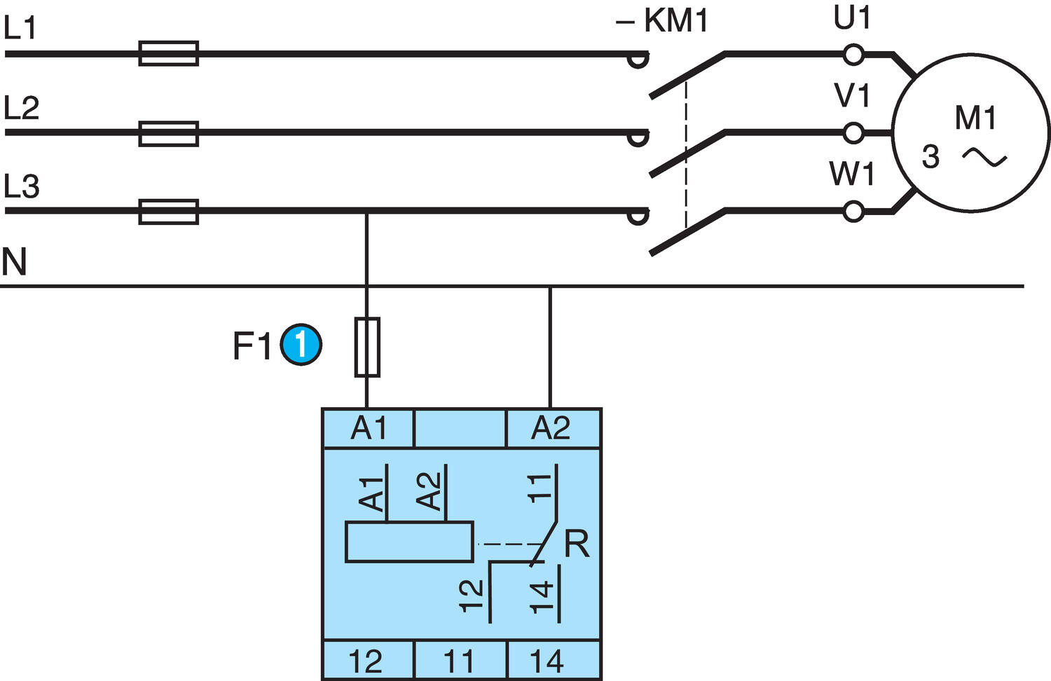
1: F1: Rychlá pojistka, jistič nebo obvodový chránič 1A (doporučeno)

 

Objednací informace

Objednací číslo

Popis

Provozní napětí

E-číslo

84872140

MUS12DC přepětí/podpětí (1 přepínací kontakt)

7-20 V ss

E3862150

84872141

MUS80ACDC přepětí/podpětí (1 přepínací kontakt)

15-100 V st/ss

E3862151

84872142

MUS260ACDC přepětí/podpětí (1 přepínací kontakt)

50-270 V st/ss

E3862152

84872151

MUSF80ACDC okénkové relé (1 přepínací kontakt)

15-100 V st/ss

E3862153

84872152

MUSF260ACDC okénkové relé (1 přepínací kontakt)

50-270 V st/ss

E3862154

 

Příslušenství

INSPO

Produktové zprávy

Facility Management 4.0: Jak zajistit maximální bezpečnost a energetickou efektivitu vaší budovy

Moderní budovy již nejsou pouze statickými strukturami z betonu a skla. Stávají se z nich "živé organismy" řízené sofistikovanými nervovými systémy. Technologie pro monitorování a řízení procesů, často souhrnně označované jako BMS (Building Management Systems) nebo MaR (Měření a Regulace), jsou klíčové pro efektivitu, bezpečnost a komfort uživatelů.

Produktové zprávy

Efektivní oddělení řídicích a procesních obvodů pomocí reléových modulů DELCON

Případová studie z oblasti papírenského a chemického průmyslu

Produktové zprávy

Nová generace klimatizačních jednotek SLIMLINE NEO

Seifert Systems uvádí SLIMLINE NEO: Revoluční chlazení s R290 bez PFAS. Invertorová technologie srazí náklady a chrání klima. Budoucnost je teď.

Produktové zprávy

Adel System

Oznamuje navázání nové strategické spolupráce s italským výrobcem ADEL System, lídrem v oblasti zálohovaného napájení. Toto partnerství rozšiřuje naše portfolio o špičkové průmyslové napájecí zdroje, DC-UPS systémy a inteligentní nabíječky baterií, které jsou navrženy pro maximální spolehlivost a bezpečnost v nejnáročnějších aplikacích.

Produktové zprávy

Klimatizace pro potravinářský a nápojový průmysl

Zajistěte bezchybný výkon a chraňte veřejné zdraví. Tento průvodce vám pomůže vybrat zařízení, které odolá drsným podmínkám potravinářské výroby a splní veškeré regulační požadavky.

Produktové zprávy

Napájecí zdroj Puls s displejem

Informace přímo z displeje vašeho napájecího zdroje. Věděli jste, že informace můžete získat přímo z vašeho napájecího zdroje?

Objednací číslo Horní hranice Lower Limit Napájecí napětí Cena
80 V AC/DC
20 V AC/DC
24-48V ac/dc
260 V AC/DC
65 V AC/DC
110-240V ac/dc
15 V DC
9 V DC
12V dc
80 V AC/DC
20 V AC/DC
24-48V ac/dc
260 V AC/DC
65 V AC/DC
110-240V ac/dc

Vybraná varianta

Vyberte variantu ze seznamu

Kontakt

Jaroslav Béreš

Product Area Manager Panel & Marketing manager

+420 733 122 162
Poslat e-mail
Zákaznický servis
Kontaktujte nás:
+420 241 484 940
Poslat e-mail
Potřebujete pomoci?