MECHAN

Bezpečnostní zámky s RFID spínačem

Série Proton

Mechanická blokovací zařízení série Proton vynikají vysokou přídržnou silou, kterou se dokáže uzamknout a to až 2000 N. Píst na aktuátoru je pružný, toleruje tedy nesouosost vsunutí a je vhodné tento zámek použít pro posuvné i pantové dveře. Specifikace série Proton splňují požadavky pro CAT4, SIL3 a zachovávají PL-e i při sériovém zapojení.
  • Energie pro odemknutí
  • Přídržná síla 2 000 N
  • LED indikace stavu
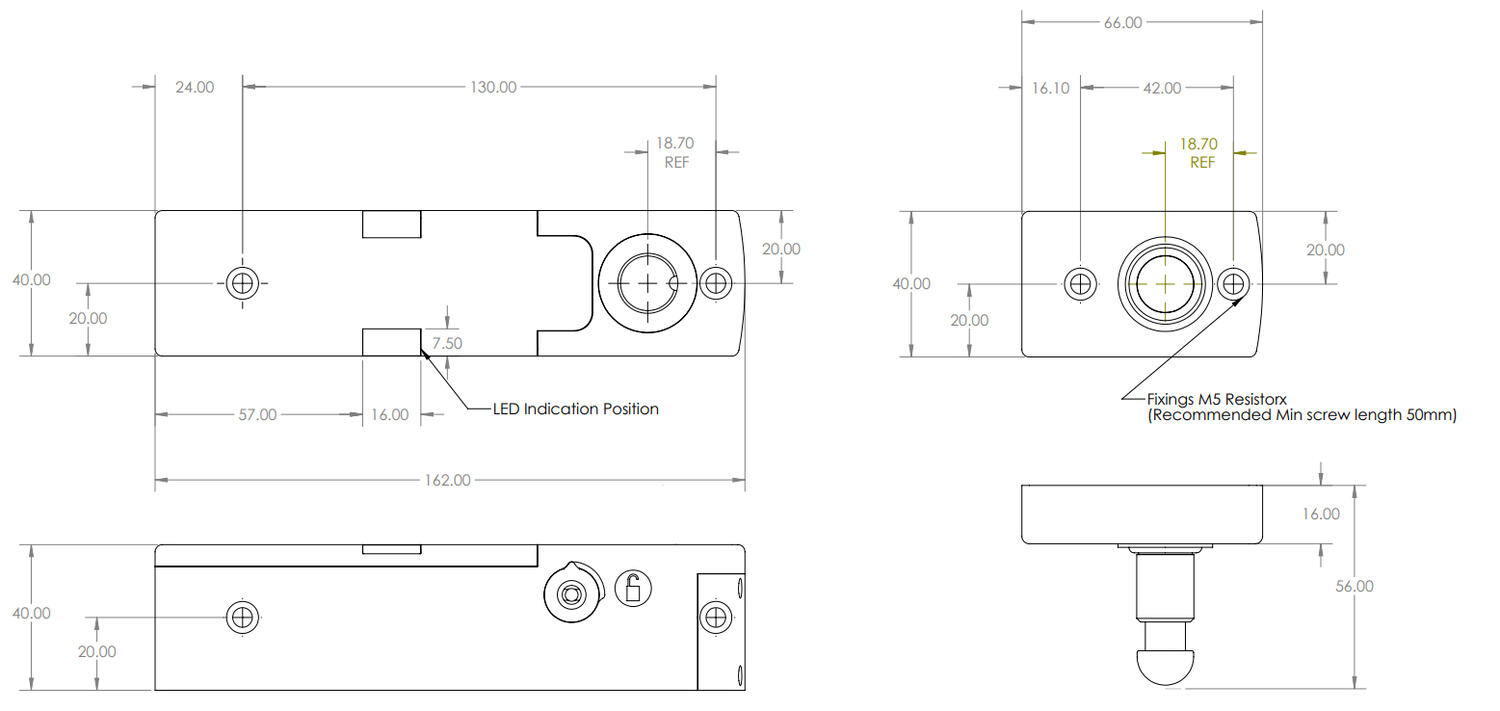
  • Manuální uvolnění ze tří stran
  • Třída krytí IP 67

Vybraná varianta

Varianty produkty

Vybraná varianta

Specifikace

Bezpečnostní kontakty NO 2
Provozní teplota max. 60 °C
Provozní teplota min. -10 °C
Signální kontakty NC 1
Třída krytí IP67

Rozměry a připojení

Proton - rozmery

Proton - rozmery

Popis produktu

Mechanická blokovací zařízení série Proton vynikají vysokou přídržnou silou, kterou se dokáže uzamknout a to až 2000 N. Píst na aktuátoru je pružný, toleruje tedy nesouosost vsunutí a je vhodné tento zámek použít pro posuvné i pantové dveře. Pomocí unikátně kódovanému RFID spínači a spínači detekující vsunutí má tento zámek dvojí kontrolu správného použití. Série proton má dva beznapěťové bezpečnostní NO výstupy a jeden rovněž beznapěťový signální NC výstup.

Specifikace série Proton splňují požadavky pro CAT4, SIL3 a zachovávají PL-e i při sériovém zapojení. Montážní otvory umožňují snadnou instalaci na 3 strany, což je ideální pro aplikace pro pantovými i posuvnými dveřmi.

Příslušenství

INSPO

Produktové zprávy

Akční nabídka pro bezpečnostní světelné závory SH4

Bezpečnostní světelné závory řady SH4 pro náročné průmyslové a logistické aplikace. Nabízí robustní konstrukci, snadnou instalaci a splňují nejvyšší bezpečnostní standardy pro ochranu obsluhy.

Produktové zprávy

Bezpečnostní světelné závory SH4

Bezpečnostní světelné závory řady SH4 pro náročné průmyslové a logistické aplikace. Nabízí robustní konstrukci, snadnou instalaci a splňují nejvyšší bezpečnostní standardy pro ochranu obsluhy.

Bezpečnostní a ochranná oploceni
Produktové zprávy

Bezpečnostní oplocení

Bezpečnostní oplocení strojů a robotů je klíčové pro ochranu zaměstnanců v automatizovaných provozech a musí splňovat přísné normy. Společnost Protec nabízí modulární systém oplocení, který je v souladu s evropskými předpisy, snadno se instaluje a pomáhá snižovat riziko úrazů při zajištění efektivního provozu.

Duelco Bezpečnostní relé
Produktové zprávy

Bezpečnostní relé Duelco

V dnešní moderní průmyslové výrobě je kladen velký důraz na bezpečnost pracovníků, efektivitu výrobních procesů a ochranu zařízení před možnými riziky.

Produktové zprávy

Bezpečnostní skener UAM-05LPA

Společnost Hokuyo přináší na trh nový bezpečnostní skener UAM-05LPA.

Mechan Lankovy spinac Safeline 4
Produktové zprávy

Lankový spínač SafeLine 4

Spínač SafeLine 4 je moderní zařízení určené pro zajištění bezpečného a účinného zastavení provozu například výrobních strojů či dopravníků

Objednací číslo Cena

Vybraná varianta

Vyberte variantu ze seznamu

Kontakt

Tomáš Zapadlík

Product support - Machine

+420 734 244 815
Poslat e-mail
Zákaznický servis
Kontaktujte nás:
+420 241 484 940
Poslat e-mail
Potřebujete pomoci?
Logo

Cookies nastavení oemautomatic.cz

Soubory cookies nám pomáhají zlepšovat vaši zkušenost s námi a proto, abychom mohli zpracovávat přihlašovací údaje, nabízet personalizovaný obsah a pro základní funkčnost tohoto webu používáme některé soubory cookies.

Nikdy nebudeme prodávat žádné informace o vás.

Můžete přijmout všechny soubory cookies nebo přizpůsobit své preference týkající se souborů cookies, můžete také kdykoli změnit své preference pro soubory cookies návštěvou naší kontaktní stránky.


Nezbytné soubory cookies

Tyto soubory cookies jsou nezbytné pro fungování webu a nelze je v našich systémech vypnout. Obvykle se používají pouze v reakci na akce, které jste provedli v souvislosti s požadavkem na službu, například při nastavení osobních preferencí, přihlášení nebo vyplnění formuláře.

Soubory cookies pro analýzu a měření

Tyto soubory cookies nám umožňují počítat počet návštěv a zdroje návštěvnosti, abychom mohli měřit a zlepšovat výkon našich webových stránek. Pomáhají nám zjistit, které stránky jsou více či méně oblíbené a jak se návštěvníci po webu pohybují. Informace, které tyto cookies shromažďují jsou agregované, a tedy zcela anonymní. Pokud tyto soubory nepovolíte, nevíme, kdy jste navštívili naše webové stránky.

Marketingové soubory cookies

Tyto soubory cookies mohou přidat naši partneři. Mohou je použít k vytvoření vašeho profilu na základě vašich zájmů, aby vám mohli zobrazovat relevantnější informace. Neukládají žádné osobní údaje – pouze informace o vašem prohlížeči a zařízení. Pokud tyto cookies nepřijmete, budete mít obecnější a méně přizpůsobenou uživatelskou zkušenost.