DUELCO

Relé pro obouruční ovládání HR-2007

Série HR-2007

Obouruční ovládání se používá ke spouštění a zastavování nebezpečných strojů, jako jsou lisy či válcovací stroje. Bezpečnostní relé Duelco HR-2007 je určeno pro obouruční ovládání například pomocí obouručního ovládače PCB3.
  • Relé pro obouruční ovládání
  • 2 spínací bezpečnostní výstupy.
  • Napájení 24 V AC/DC nebo 230 V AC
  • Šířka pouhých 22,5 mm
  • 1 rozpínací signální výstup nebo tranzistorový výstup
HR-2007

HR-2007

Vybraná varianta

Varianty produkty

Vybraná varianta

Specifikace

Bezpečnostní kategorie 4
Bezpečnostní výstupy NO 2
Napájecí napětí 24 V AC/DC
PL e (EN ISO 13849-1)
Provozní teplota max. 55 °C
Provozní teplota min. -25 °C
Signální výstupy NC 1
Šířka 22,5 mm
Tolerance ± 10 %
Třída krytí pouzdra IP40
Třída krytí připojení IP20

Rozměry a připojení

HR-2007 - Rozmery

HR-2007 - Rozmery

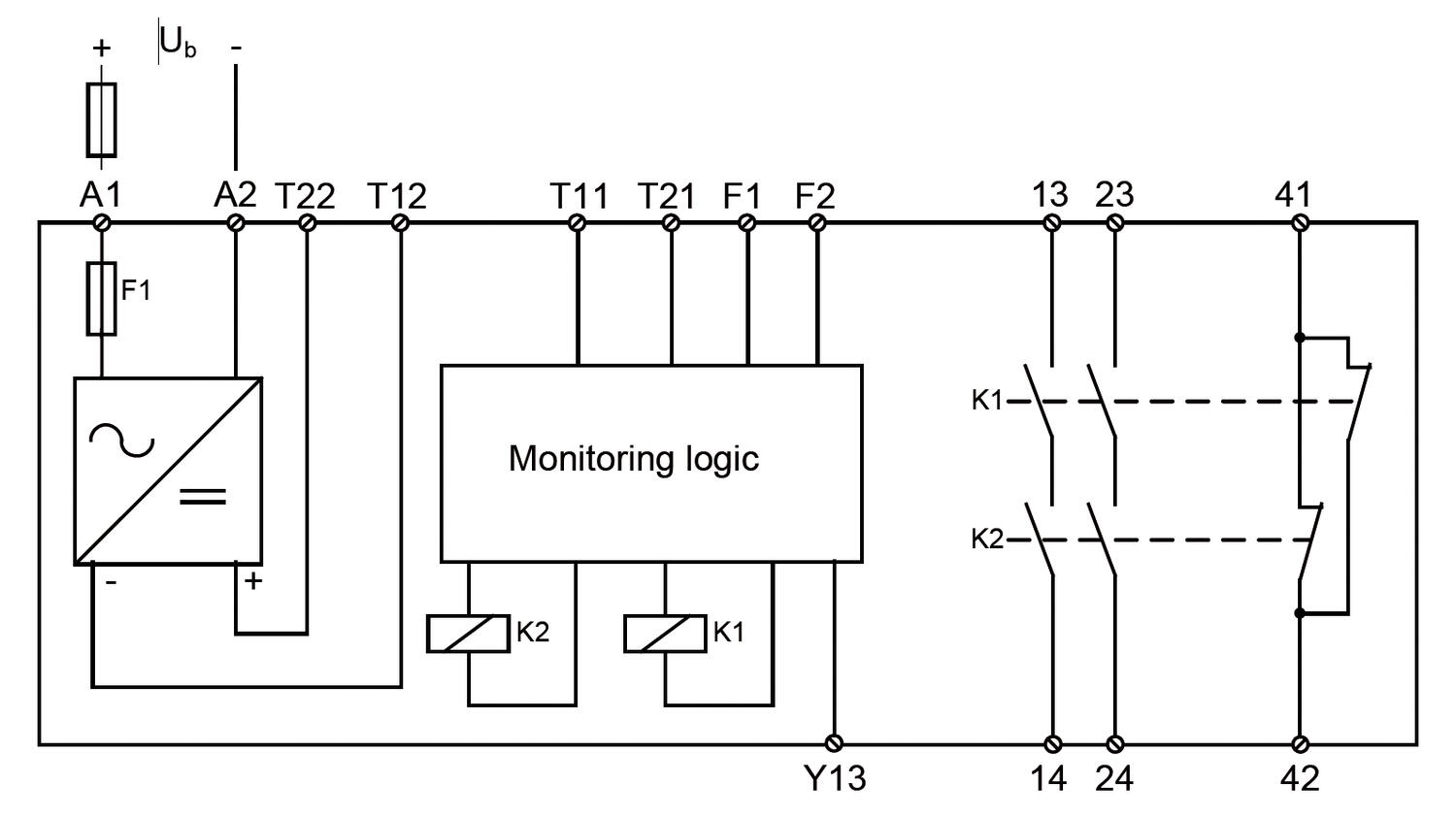
HR-2007 - Vnitrní obvod

HR-2007 - Vnitrní obvod

HR-2007 - Zapojení pri použití

HR-2007 - Zapojení pri použití

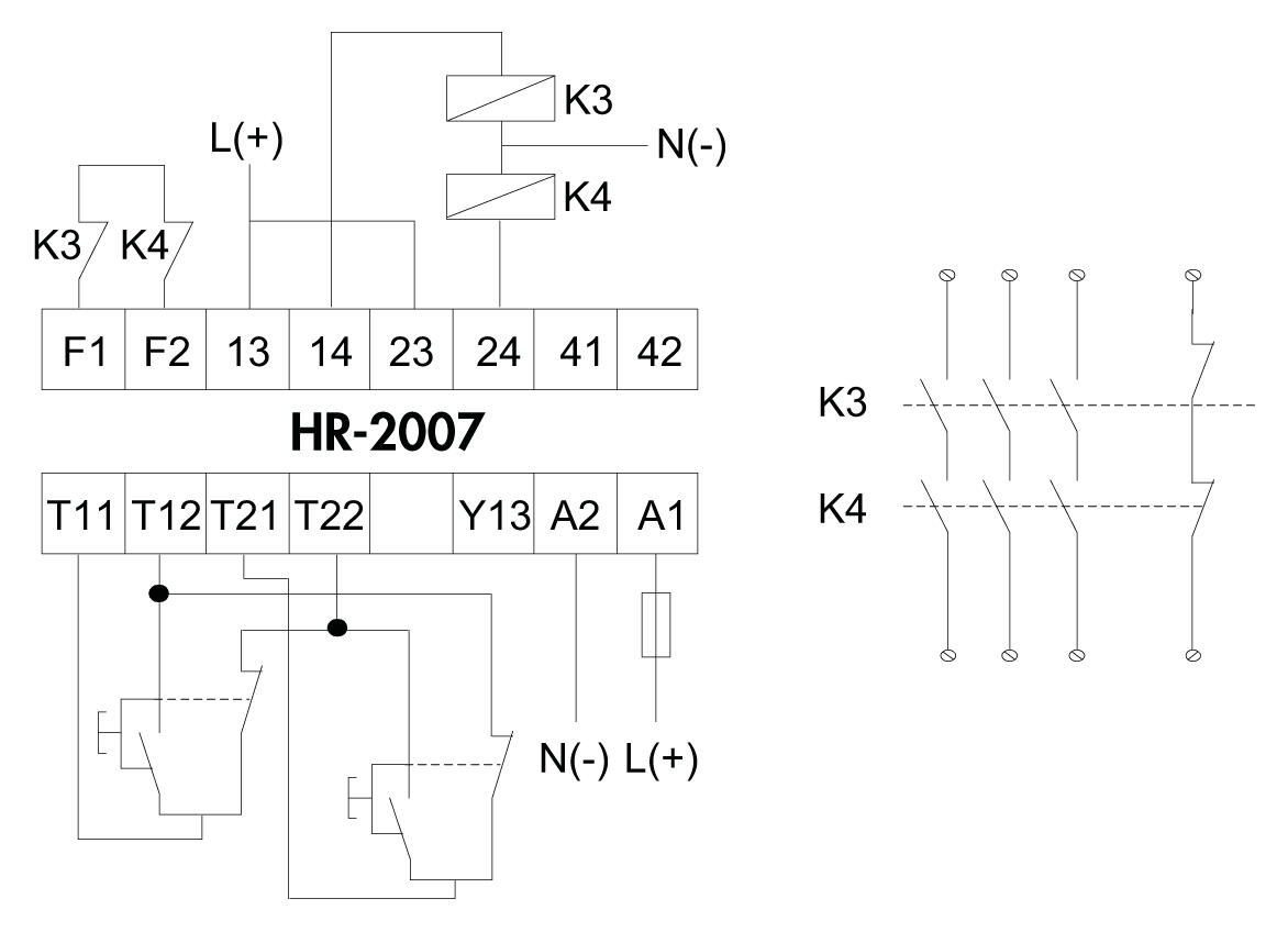
HR-2007 - Zapojení pri použití s rízením stykacu

HR-2007 - Zapojení pri použití s rízením stykacu

Popis produktu

Obouruční ovládání se používá ke spouštění a zastavování nebezpečných strojů, jako jsou lisy či válcovací stroje. Bezpečnostní relé Duelco HR-2007 je určeno pro obouruční ovládání například pomocí obouručního ovládače PCB3. K relé obouručního ovládání jsou připojena dvě tlačítka s kontakty NO + NC. Umístění tlačítek je přesně definováno v normě SFS-EN 574.

 

Relé aktivuje a sepne bezpečnostní výstupy při současném stisknutí obou tlačítek (časový rozdíl max. 500 ms) a pouze v případě, že jsou obě tlačítka po předchozí aktivaci resetována.

 

Relé HR-2007 pracuje podle normy SFS-EN 574, typ IIIC

Příslušenství

Příbuzné produkty

INSPO

Produktové zprávy

Akční nabídka pro bezpečnostní světelné závory SH4

Bezpečnostní světelné závory řady SH4 pro náročné průmyslové a logistické aplikace. Nabízí robustní konstrukci, snadnou instalaci a splňují nejvyšší bezpečnostní standardy pro ochranu obsluhy.

Produktové zprávy

Bezpečnostní světelné závory SH4

Bezpečnostní světelné závory řady SH4 pro náročné průmyslové a logistické aplikace. Nabízí robustní konstrukci, snadnou instalaci a splňují nejvyšší bezpečnostní standardy pro ochranu obsluhy.

Bezpečnostní a ochranná oploceni
Produktové zprávy

Bezpečnostní oplocení

Bezpečnostní oplocení strojů a robotů je klíčové pro ochranu zaměstnanců v automatizovaných provozech a musí splňovat přísné normy. Společnost Protec nabízí modulární systém oplocení, který je v souladu s evropskými předpisy, snadno se instaluje a pomáhá snižovat riziko úrazů při zajištění efektivního provozu.

Duelco Bezpečnostní relé
Produktové zprávy

Bezpečnostní relé Duelco

V dnešní moderní průmyslové výrobě je kladen velký důraz na bezpečnost pracovníků, efektivitu výrobních procesů a ochranu zařízení před možnými riziky.

Produktové zprávy

Bezpečnostní skener UAM-05LPA

Společnost Hokuyo přináší na trh nový bezpečnostní skener UAM-05LPA.

Mechan Lankovy spinac Safeline 4
Produktové zprávy

Lankový spínač SafeLine 4

Spínač SafeLine 4 je moderní zařízení určené pro zajištění bezpečného a účinného zastavení provozu například výrobních strojů či dopravníků

Objednací číslo Napájecí napětí Cena
24 V AC/DC
230 V AC

Vybraná varianta

Vyberte variantu ze seznamu

Kontakt

Tomáš Zapadlík

Product support - Machine

+420 734 244 815
Poslat e-mail
Zákaznický servis
Kontaktujte nás:
+420 241 484 940
Poslat e-mail
Potřebujete pomoci?
Logo

Cookies nastavení oemautomatic.cz

Soubory cookies nám pomáhají zlepšovat vaši zkušenost s námi a proto, abychom mohli zpracovávat přihlašovací údaje, nabízet personalizovaný obsah a pro základní funkčnost tohoto webu používáme některé soubory cookies.

Nikdy nebudeme prodávat žádné informace o vás.

Můžete přijmout všechny soubory cookies nebo přizpůsobit své preference týkající se souborů cookies, můžete také kdykoli změnit své preference pro soubory cookies návštěvou naší kontaktní stránky.


Nezbytné soubory cookies

Tyto soubory cookies jsou nezbytné pro fungování webu a nelze je v našich systémech vypnout. Obvykle se používají pouze v reakci na akce, které jste provedli v souvislosti s požadavkem na službu, například při nastavení osobních preferencí, přihlášení nebo vyplnění formuláře.

Soubory cookies pro analýzu a měření

Tyto soubory cookies nám umožňují počítat počet návštěv a zdroje návštěvnosti, abychom mohli měřit a zlepšovat výkon našich webových stránek. Pomáhají nám zjistit, které stránky jsou více či méně oblíbené a jak se návštěvníci po webu pohybují. Informace, které tyto cookies shromažďují jsou agregované, a tedy zcela anonymní. Pokud tyto soubory nepovolíte, nevíme, kdy jste navštívili naše webové stránky.

Marketingové soubory cookies

Tyto soubory cookies mohou přidat naši partneři. Mohou je použít k vytvoření vašeho profilu na základě vašich zájmů, aby vám mohli zobrazovat relevantnější informace. Neukládají žádné osobní údaje – pouze informace o vašem prohlížeči a zařízení. Pokud tyto cookies nepřijmete, budete mít obecnější a méně přizpůsobenou uživatelskou zkušenost.