DUELCO
| Bezpečnostní kategorie | 4 | 
|---|---|
| Bezpečnostní výstupy NO | 3 | 
| Napájecí napětí AC max. | 230 V AC | 
| PL | e (EN ISO 13849-1) | 
| Provozní teplota max. | 50 °C | 
| Provozní teplota min. | -25 °C | 
| Signální výstupy NC | 1 | 
| Šířka | 22,5 mm | 
| Třída krytí pouzdra | IP40 | 
| Třída krytí připojení | IP20 | 
| Typ resetu | Automatický/Manuální | 
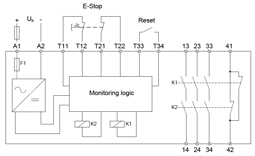
Bezpečnostní dvoukanálové relé malých rozměrů pro monitorování spínačů nouzového zastavení, jako jsou třeba tlačítka či lankové spínače, pro bezpečnostní typ 4. Dvoubarevné kontrolky (LED) na čelním panelu indikují poruchy v obvodech nouzového zastavení, na výstupech, na vnějších stykačích jakož i vnitřní poruchy bezpečnostního relé.
Oblasti použití


 
              Bezpečnostní světelné závory řady SH4 pro náročné průmyslové a logistické aplikace. Nabízí robustní konstrukci, snadnou instalaci a splňují nejvyšší bezpečnostní standardy pro ochranu obsluhy.
 
              Bezpečnostní oplocení strojů a robotů je klíčové pro ochranu zaměstnanců v automatizovaných provozech a musí splňovat přísné normy. Společnost Protec nabízí modulární systém oplocení, který je v souladu s evropskými předpisy, snadno se instaluje a pomáhá snižovat riziko úrazů při zajištění efektivního provozu.
 
              V dnešní moderní průmyslové výrobě je kladen velký důraz na bezpečnost pracovníků, efektivitu výrobních procesů a ochranu zařízení před možnými riziky.
 
              Společnost Hokuyo přináší na trh nový bezpečnostní skener UAM-05LPA.
 
              Spínač SafeLine 4 je moderní zařízení určené pro zajištění bezpečného a účinného zastavení provozu například výrobních strojů či dopravníků
 
              Komplexní zabezpečení robotického systému s bezdrátovým bezpečnostním řešením od společnosti SSP
 
            
        Tomáš Zapadlík