MECHAN

Bezpečnostní magneticky kódované spínače HED

Série HED

Elektronické magneticky kódované bezpečnostní spínače řady HE od společnosti Mechan jsou zařízení fungující na principu Hallova jevu. V aktuátoru jsou magnety s různými polaritami a ve spínači Hallovy články. Stejně jako ostatní bezkontaktní bezpečnostní spínače reagují na vzájemnou vzdálenost spínače a aktuátoru.
  • 2 Aktuátory
  • 2 NO a 1 NC kontakty
  • ABS plast
  • Třída krytí IP67 a IP69k
  • LED indikace
HED S

HED S

HED LQD C

HED LQD C

HED L

HED L

HED R

HED R

HED actuator.JPG

HED-ACT - HED aktuátor, plast

Vybraná varianta

Varianty produkty

Vybraná varianta

Specifikace

Aktivační vzdálenost do 14 mm
Aktivační vzdálenost od 7 mm
B10d 2,0 milj.
Bezpečnostní kontakty NO 2
Materiál pouzdra ABS-plast
Max. kontaktní proud 400 mA
Napájecí napětí 24 VDC
Připojení kabel 3 metry
Provozní teplota max. 55 °C
Provozní teplota min. -25 °C
Signální kontakty NC 1
Třída krytí IP67, IP69K

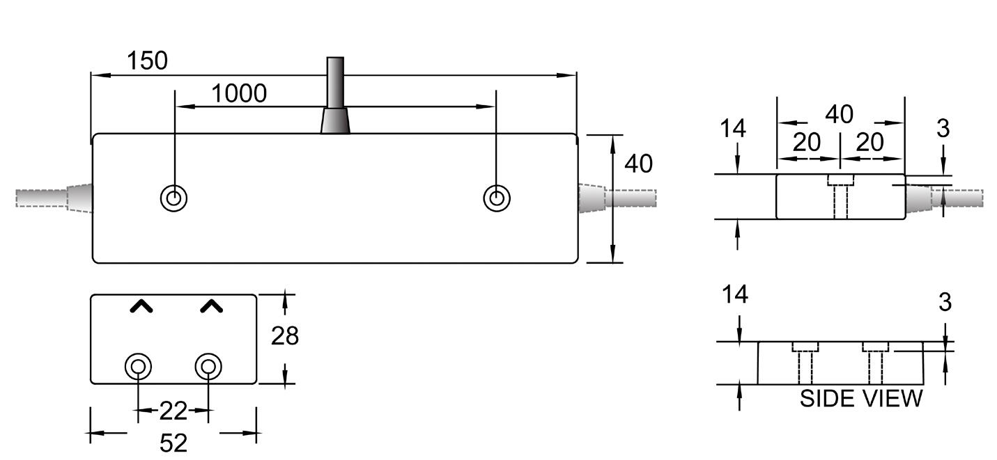
Rozměry a připojení

HED - Rozmery

HED - Rozmery

Popis produktu

Bezpečnostní magneticky kódované spínače řady HE jsou zařízení fungující na principu Hallova jevu. V aktuátoru jsou magnety s různými polaritami a ve spínači Hallovy články. Díky takové konfiguraci je vyžadována vysoká přesnost přiblížení a zaručen vyšší stupeň odolnosti proti oklamání spínače. Na rozdíl od standardních magnetických spínačů je tento druh odolný vůči šokům a vibracím.Spínače řady HE mají LED indikaci, a i přes vyžadované napájecí napětí disponují beznapěťovými výstupy. Díky třídě krytí IP 67 a IP 69k jsou tyto snímače vhodné i do náročných prostřední, obzvláště pak modely v krytu z nerezové oceli.

  

 

GS1

Napájení

BĚH

GS2

Vypnout

VYPNUTO

VYPNUTO

VYPNUTO

VYPNUTO

Napájení je zapnuté, brány otevřené

VYPNUTO

Červené

VYPNUTO

VYPNUTO

Napájení je zapnuto, port 1 nebo 2 zavřený

žlutá

Červené

VYPNUTO

VYPNUTO

Napájení je zapnuté, brány 1 a 2 jsou zavřené

žlutá

Červené

zelený

žlutá

 

 

Příslušenství

Příbuzné produkty

INSPO

Objednací číslo Bezpečnostní kontakty NO Připojení Signální kontakty NC Cena
2
kabel 3 metry
1
2
kabel 6 metrů
1
2
kabel 10 metrů
1
2
Pigtail M12
1
2
kabel 3 metry
1
2
kabel 6 metrů
1
2
kabel 10 metrů
1
2
kabel 3 metry
1
2
kabel 6 metrů
1
2
kabel 10 metrů
1

Vybraná varianta

Vyberte variantu ze seznamu

Kontakt

Tomáš Zapadlík

Product support - Machine

+420 734 244 815
Poslat e-mail
Zákaznický servis
Kontaktujte nás:
+420 241 484 940
Poslat e-mail
Potřebujete pomoci?
Logo

Cookies nastavení oemautomatic.cz

Soubory cookies nám pomáhají zlepšovat vaši zkušenost s námi a proto, abychom mohli zpracovávat přihlašovací údaje, nabízet personalizovaný obsah a pro základní funkčnost tohoto webu používáme některé soubory cookies.

Nikdy nebudeme prodávat žádné informace o vás.

Můžete přijmout všechny soubory cookies nebo přizpůsobit své preference týkající se souborů cookies, můžete také kdykoli změnit své preference pro soubory cookies návštěvou naší kontaktní stránky.


Nezbytné soubory cookies

Tyto soubory cookies jsou nezbytné pro fungování webu a nelze je v našich systémech vypnout. Obvykle se používají pouze v reakci na akce, které jste provedli v souvislosti s požadavkem na službu, například při nastavení osobních preferencí, přihlášení nebo vyplnění formuláře.

Soubory cookies pro analýzu a měření

Tyto soubory cookies nám umožňují počítat počet návštěv a zdroje návštěvnosti, abychom mohli měřit a zlepšovat výkon našich webových stránek. Pomáhají nám zjistit, které stránky jsou více či méně oblíbené a jak se návštěvníci po webu pohybují. Informace, které tyto cookies shromažďují jsou agregované, a tedy zcela anonymní. Pokud tyto soubory nepovolíte, nevíme, kdy jste navštívili naše webové stránky.

Marketingové soubory cookies

Tyto soubory cookies mohou přidat naši partneři. Mohou je použít k vytvoření vašeho profilu na základě vašich zájmů, aby vám mohli zobrazovat relevantnější informace. Neukládají žádné osobní údaje – pouze informace o vašem prohlížeči a zařízení. Pokud tyto cookies nepřijmete, budete mít obecnější a méně přizpůsobenou uživatelskou zkušenost.