ASCO

Ventily 5/2, 5/3 L1

Série L1

Unikátní konstrukce ventilů řady J s "spool-and-sleeve" je ideální pro prostředí s vysokou teplotou, prachem nebo vysokými frekvencemi. Ventil je vyroben z kalené nerezové oceli a běží v lapovaném pouzdru ze stejného materiálu. Únik je zanedbatelný díky broušení obou komponent a tolerancím 1um. Ventil má životnost až 200 milionů cyklů a lze ho snadno vyměnit pomocí servisního kitu. Verze s těsněním Viton® a ovládanou tlakem je vhodná pro teploty až +150 °C. Elektricky ovládaná verze má omezený teplotní rozsah, ale speciální verze umožňuje použití při teplotách vyšších než 100 °C. Pilotní dodávku lze snadno změnit z interní na externí jednoduchým otočením těsnění.
  • G1/8 - G1/4
  • Teplota -20 až 80 °C
  • Tlak -0,95 až 15 bar
  • Médium vzduch, plyny
  • Tělo hliník
L11

Serie L12 - Mono El.tiff

L23BA452BG00061 - Ventil 5/2 G3/8 monostabilní 24 VDC

Serie L12 - Bistabil El.tiff

L23BB752BG00061 - Ventil 5/3 G3/8 stredová pozice tlakovaná 24 VDC

Vybraná varianta

Varianty produkty

Vybraná varianta

Specifikace

Základní

DC 24 V
Diferenční tlak min. 0 bar
Diferenční tlak max. 10 bar
Funkce 5/2
NC-NO-U Elektricky ovládaný vratný pružinou
Procesní připojení G1/4
Průtok max. 1000 l/min

Další

Spotřeba 3,35 W
Cívka Termoplast
Druh montáže Nezávislý
Hmotnost 0,27 kg
Jádro a pevné jádro Nerez ocel
Koeficient průtoku 0,87
Materiál těla Eloxovaný hliník
Max. dovolený tlak 10 bar
Provozní teplota max. 80 °C
Provozní teplota min. -20 °C
Třída krytí IP65
Vinutí na krátko Měď
Vnitřní díly Nerez ocel
Type of valve Electrically controlled

Ke stažení

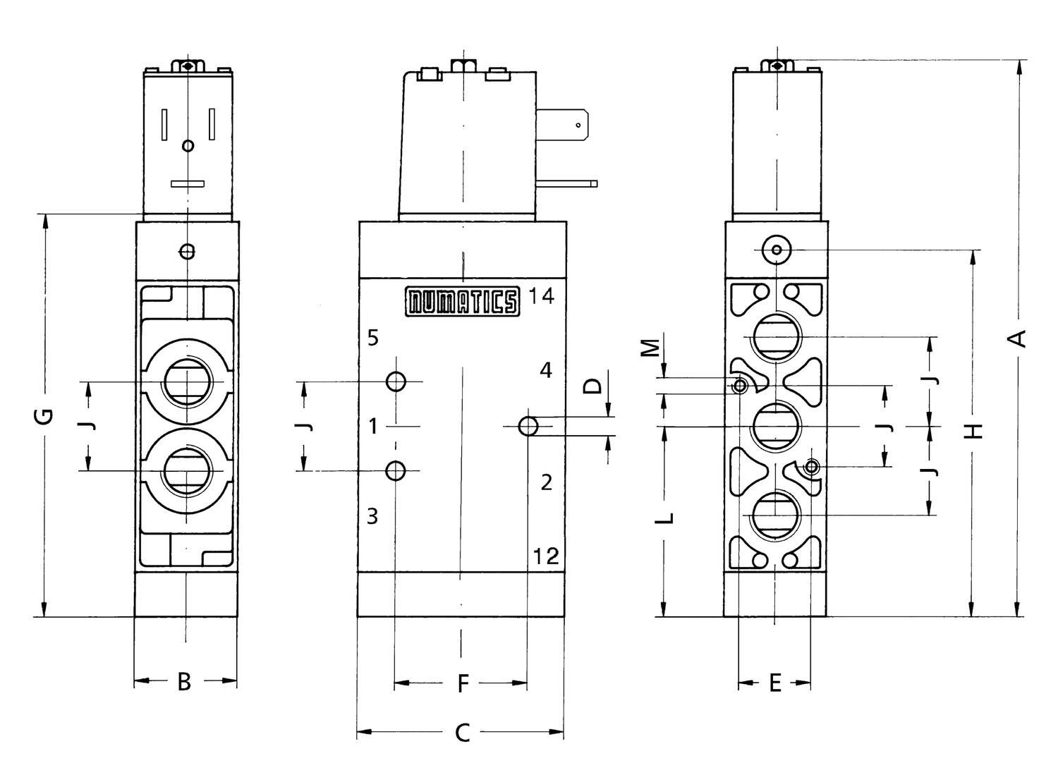
Rozměry a připojení

Nákresy

Popis produktu

Unikátní "spool-and-sleeve" konstrukce ventilů řady J je dělá velmi vhodnými pro použití tam kde je prach, vysoká teplota, vysoké frekvence, atd. Šoupátko je z kalené nerezové oceli a běží zcela volně v lapovaném pouzdru ze stejného materiálu. Oba komponenty jsou broušeny zároveň a protože tolerance jsou 1um je vnitřní únik zanedbatelný. Nejsou zde O-kroužky či jiná těsnění, a proto je zaručena životnost min. 200 milionů cyklů. Šoupátko a tělo lze snadno vyměnit pomocí servisního kitu a prodloužit tak životnost ventilu o dalších 200 milionů cyklů. Ventil je odolný prachu protože je rychle vyfukován přes výfukové kanály a neuvíznou uvnitř ventil a nemohou tím způsobit škody. Verzi s těsněním Viton ® a ovládanou tlakem lze použít pro teploty až do +150 °C. Cívka v elektricky ovládané verzi omezuje teplotní rozsah použití, avšak se speciální verzí dovoluje použítí při teplotě vyšší než 100 ° C. Navíc je snadné změnit pilotní dodávku z interní na externí tím, že se otočí těsnění na konci ventilu

 

Příslušenství

INSPO

Objednací číslo Funkce NC-NO-U Hmotnost Cena
5/2
Elektricky ovládaný vratný pružinou
0,27 kg
5/2
Elektrický
0,42 kg
5/3
Středová pozice otevřená, Elektrický
0,42 kg
5/3
Elektrický, Středová pozice uzamčená
0,42 kg
5/3
Elektrický, Středová pozice tlakovaná
0,42 kg

Vybraná varianta

Vyberte variantu ze seznamu

Zákaznický servis
Kontaktujte nás:
+420 241 484 940
Poslat e-mail
Potřebujete pomoci?
Logo

Cookies nastavení oemautomatic.cz

Soubory cookies nám pomáhají zlepšovat vaši zkušenost s námi a proto, abychom mohli zpracovávat přihlašovací údaje, nabízet personalizovaný obsah a pro základní funkčnost tohoto webu používáme některé soubory cookies.

Nikdy nebudeme prodávat žádné informace o vás.

Můžete přijmout všechny soubory cookies nebo přizpůsobit své preference týkající se souborů cookies, můžete také kdykoli změnit své preference pro soubory cookies návštěvou naší kontaktní stránky.


Nezbytné soubory cookies

Tyto soubory cookies jsou nezbytné pro fungování webu a nelze je v našich systémech vypnout. Obvykle se používají pouze v reakci na akce, které jste provedli v souvislosti s požadavkem na službu, například při nastavení osobních preferencí, přihlášení nebo vyplnění formuláře.

Soubory cookies pro analýzu a měření

Tyto soubory cookies nám umožňují počítat počet návštěv a zdroje návštěvnosti, abychom mohli měřit a zlepšovat výkon našich webových stránek. Pomáhají nám zjistit, které stránky jsou více či méně oblíbené a jak se návštěvníci po webu pohybují. Informace, které tyto cookies shromažďují jsou agregované, a tedy zcela anonymní. Pokud tyto soubory nepovolíte, nevíme, kdy jste navštívili naše webové stránky.

Marketingové soubory cookies

Tyto soubory cookies mohou přidat naši partneři. Mohou je použít k vytvoření vašeho profilu na základě vašich zájmů, aby vám mohli zobrazovat relevantnější informace. Neukládají žádné osobní údaje – pouze informace o vašem prohlížeči a zařízení. Pokud tyto cookies nepřijmete, budete mít obecnější a méně přizpůsobenou uživatelskou zkušenost.