ASCO
Základní |
|
|---|---|
| DC | 24 V |
| Procesní připojení | G1/8 |
| Průtok max. | 210 l/min |
| Teplota média min. | 0 °C |
| Teplota média max. | 60 °C |
| Vrtání | 3 mm |
Další |
|
|---|---|
| Spotřeba | 12 W |
| Displej | Ano |
| Hmotnost | 0,7 kg |
| Koeficient průtoku | 0,18 |
| Materiál těla | Mosaz |
| Materiál těsnění | FPM, NBR |
| Max. dovolený tlak | 3 bar |
| Provozní teplota max. | 60 °C |
| Provozní teplota min. | 0 °C |
| Shoda s normami | REACH, RoHS |
| Tlakový rozsah max. | 2 bar |
| Tlakový rozsah min. | 0 bar |
| Třída krytí | IP65 |
| Vnitřní díly | Mosaz, Nerez ocel |
| Zátěž max. | 500 mA |
| Zpětnovazební signál | 0-10V |
| Kontrolní signál | 0-10V |
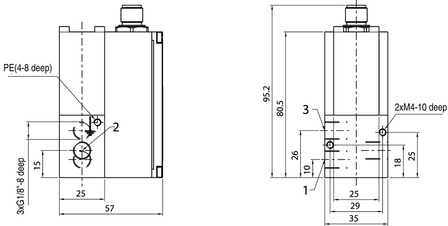
SentronicPLUS je 3-cestný přímo ovládaný proporcionální ventil s digitálním ovládáním. Parametry regulačního smyčky můžou být optimalizováné pomocí programu dat Acquisition Software (DAS). Tento ventil je určen pro aplikace, které požadují velmi dynamické změny tlaku.
Optimalizace výroby, zvýšení spolehlivosti a snížení provozních nákladů.
Zvyšte flexibilitu automatizace a výkon pneumatických systémů
Ventily a zařízení z nerezové oceli pro průmyslové procesy v potravinářském, farmaceutickém a kosmetickém průmyslu
Pojďte se s námi podívat jak probíhala naše zákaznická akce Rood show, na které jsme prezentovali novinky z oblasti průmyslové automatizace, digitalizace a optimalizace výrobních procesů.
Společnost EMERSON oznamuje uvedení nové verze ventilů ASCO 290/390. Po 25 letech úspěchu jsme chtěli přehodnotit, přepracovat a rozšířit stávající řadu 290/390.
Procesy v potravinářském, nápojovém a farmaceutickém průmyslu vyžadují přesné měření hladiny. Vibrační spínače WIKA řady TLS-H jsou špičkovým řešením, které díky splnění přísných hygienických požadavků zajišťuje stabilní a spolehlivou detekci.
|
|
|
|
|
|
||
|---|---|---|---|---|---|---|
|
|
|
|
|
|
||
|
|
|
|
|
|
||
|
|
|
|
|
|
||
|
|
|
|
|
|
||
|
|
|
|
|
|
||
|
|
|
|
|
|
| Objednací číslo | DC | Funkce 1 | Procesní připojení | Průtok max. | Vrtání | Spotřeba | ATEX | Displej | Hmotnost | Koeficient průtoku | Materiál těla | Materiál těsnění | Max. dovolený tlak | Tlakový rozsah max. | Tlakový rozsah min. | Třída krytí | Vnitřní díly | Zátěž max. | Zpětnovazební signál | Kontrolní signál | Cena | ||
|---|---|---|---|---|---|---|---|---|---|---|---|---|---|---|---|---|---|---|---|---|---|---|---|
|
Sentronic Plus, G1/8, 0-2 bar, 0-10V
Art:
614357D701102
Zkopírováno
|
24 V
|
|
G1/8
|
210 l/min
|
3 mm
|
12 W
|
|
Ano
|
0,7 kg
|
0,18
|
Mosaz
|
FPM, NBR
|
3 bar
|
2 bar
|
0 bar
|
IP65
|
Mosaz, Nerez ocel
|
500 mA
|
0-10V
|
0-10V
|
| ||
|
Sentronic Plus, G1/8, 0-3 bar, 0-10V
Art:
614357D701103
Zkopírováno
|
24 V
|
|
G1/8
|
210 l/min
|
3 mm
|
12 W
|
|
Ano
|
0,7 kg
|
0,18
|
Mosaz
|
FPM, NBR
|
8 bar
|
3 bar
|
0 bar
|
IP65
|
Mosaz, Nerez ocel
|
500 mA
|
0-10V
|
0-10V
|
| ||
|
prop. ventil 1/8, 0-10bar, 0-10V
Art:
614357G701110
Zkopírováno
|
|
3/2
|
G1/8
|
|
3 mm
|
12 W
|
|
|
|
|
|
|
|
|
|
|
|
500 mA
|
|
|
| ||
|
Sentronic Plus, G1/8, 0-5 bar, 0-10V
Art:
614357D701105
Zkopírováno
|
24 V
|
|
G1/8
|
210 l/min
|
3 mm
|
12 W
|
|
Ano
|
0,7 kg
|
0,18
|
Mosaz
|
FPM, NBR
|
8 bar
|
5 bar
|
0 bar
|
IP65
|
Mosaz, Nerez ocel
|
500 mA
|
0-10V
|
0-10V
|
| ||
|
Sentronic Plus, G1/8, 0-6 bar, 0-10V
Art:
614357D701106
Zkopírováno
|
24 V
|
|
G1/8
|
210 l/min
|
3 mm
|
12 W
|
|
Ano
|
0,7 kg
|
0,18
|
Mosaz
|
FPM, NBR
|
12 bar
|
6 bar
|
0 bar
|
IP65
|
Mosaz, Nerez ocel
|
500 mA
|
0-10V
|
0-10V
|
| ||
|
Sentronic Plus, G1/8, 0-10 bar, 0-10V
Art:
614357D701110
Zkopírováno
|
24 V
|
|
G1/8
|
210 l/min
|
3 mm
|
12 W
|
|
Ano
|
0,7 kg
|
0,18
|
Mosaz
|
FPM, NBR
|
12 bar
|
10 bar
|
0 bar
|
IP65
|
Mosaz, Nerez ocel
|
500 mA
|
0-10V
|
0-10V
|
| ||
|
Sentronic Plus, G1/8, 0-1 bar, 0-10V
Art:
614357D701160
Zkopírováno
|
24 V
|
|
G1/8
|
210 l/min
|
3 mm
|
12 W
|
|
Ano
|
0,7 kg
|
0,18
|
Mosaz
|
FPM, NBR
|
2 bar
|
1 bar
|
0 bar
|
IP65
|
Mosaz, Nerez ocel
|
500 mA
|
0-10V
|
0-10V
|
| ||
|
Sentronic Plus, G1/8, 0-2 bar, 4-20mA
Art:
614357D723102
Zkopírováno
|
24 V
|
|
G1/8
|
210 l/min
|
3 mm
|
12 W
|
|
Ano
|
0,7 kg
|
0,18
|
Mosaz
|
FPM, NBR
|
3 bar
|
2 bar
|
0 bar
|
IP65
|
Mosaz, Nerez ocel
|
500 mA
|
4-20mA
|
4-20mA
|
| ||
|
Sentronic Plus, G1/8, 0-3 bar, 4-20mA
Art:
614357D723103
Zkopírováno
|
24 V
|
|
G1/8
|
210 l/min
|
3 mm
|
12 W
|
|
Ano
|
0,7 kg
|
0,18
|
Mosaz
|
FPM, NBR
|
8 bar
|
3 bar
|
0 bar
|
IP65
|
Mosaz, Nerez ocel
|
500 mA
|
4-20mA
|
4-20mA
|
| ||
|
Sentronic Plus, G1/8, 0-5 bar, 4-20mA
Art:
614357D723105
Zkopírováno
|
24 V
|
|
G1/8
|
210 l/min
|
3 mm
|
12 W
|
|
Ano
|
0,7 kg
|
0,18
|
Mosaz
|
FPM, NBR
|
8 bar
|
5 bar
|
0 bar
|
IP65
|
Mosaz, Nerez ocel
|
500 mA
|
4-20mA
|
4-20mA
|
| ||
|
Sentronic Plus, G1/8, 0-6 bar, 4-20mA
Art:
614357D723106
Zkopírováno
|
24 V
|
|
G1/8
|
210 l/min
|
3 mm
|
12 W
|
|
Ano
|
0,7 kg
|
0,18
|
Mosaz
|
FPM, NBR
|
12 bar
|
6 bar
|
0 bar
|
IP65
|
Mosaz, Nerez ocel
|
500 mA
|
4-20mA
|
4-20mA
|
| ||
|
Sentronic Plus, G1/8, 0-10 bar, 4-20mA
Art:
614357D723110
Zkopírováno
|
24 V
|
|
G1/8
|
210 l/min
|
3 mm
|
12 W
|
|
Ano
|
0,7 kg
|
0,18
|
Mosaz
|
FPM, NBR
|
12 bar
|
10 bar
|
0 bar
|
IP65
|
Mosaz, Nerez ocel
|
500 mA
|
4-20mA
|
4-20mA
|
| ||
|
Sentronic Plus, G1/8, 0-1 bar, 4-20mA
Art:
614357D723160
Zkopírováno
|
24 V
|
|
G1/8
|
210 l/min
|
3 mm
|
12 W
|
|
Ano
|
0,7 kg
|
0,18
|
Mosaz
|
FPM, NBR
|
2 bar
|
1 bar
|
0 bar
|
IP65
|
Mosaz, Nerez ocel
|
500 mA
|
4-20mA
|
4-20mA
|
| ||
|
Sentronic Plus, G1/8, 0-2 bar, 0-10V
Art:
614357E701102
Zkopírováno
|
24 V
|
|
G1/8
|
210 l/min
|
3 mm
|
12 W
|
ATEX
|
Ne
|
0,7 kg
|
0,18
|
Mosaz
|
FPM, NBR
|
3 bar
|
2 bar
|
0 bar
|
IP65
|
Mosaz, Nerez ocel
|
500 mA
|
0-10V
|
0-10V
|
| ||
|
Sentronic Plus, G1/8, 0-3 bar, 0-10V
Art:
614357E701103
Zkopírováno
|
24 V
|
|
G1/8
|
210 l/min
|
3 mm
|
12 W
|
ATEX
|
Ne
|
0,7 kg
|
0,18
|
Mosaz
|
FPM, NBR
|
8 bar
|
3 bar
|
0 bar
|
IP65
|
Mosaz, Nerez ocel
|
500 mA
|
0-10V
|
0-10V
|
| ||
|
Sentronic Plus, G1/8, 0-5 bar, 0-10V
Art:
614357E701105
Zkopírováno
|
24 V
|
|
G1/8
|
210 l/min
|
3 mm
|
12 W
|
ATEX
|
Ne
|
0,7 kg
|
0,18
|
Mosaz
|
FPM, NBR
|
8 bar
|
5 bar
|
0 bar
|
IP65
|
Mosaz, Nerez ocel
|
500 mA
|
0-10V
|
0-10V
|
| ||
|
Sentronic Plus, G1/8, 0-6 bar, 0-10V
Art:
614357E701106
Zkopírováno
|
24 V
|
|
G1/8
|
210 l/min
|
3 mm
|
12 W
|
ATEX
|
Ne
|
0,7 kg
|
0,18
|
Mosaz
|
FPM, NBR
|
12 bar
|
6 bar
|
0 bar
|
IP65
|
Mosaz, Nerez ocel
|
500 mA
|
0-10V
|
0-10V
|
| ||
|
Sentronic Plus, G1/8, 0-10 bar, 0-10V
Art:
614357E701110
Zkopírováno
|
24 V
|
|
G1/8
|
210 l/min
|
3 mm
|
12 W
|
ATEX
|
Ne
|
0,7 kg
|
0,18
|
Mosaz
|
FPM, NBR
|
12 bar
|
10 bar
|
0 bar
|
IP65
|
Mosaz, Nerez ocel
|
500 mA
|
0-10V
|
0-10V
|
| ||
|
Sentronic Plus, G1/8, 0-1bar, 0-10V
Art:
614357E701160
Zkopírováno
|
24 V
|
|
G1/8
|
210 l/min
|
3 mm
|
12 W
|
ATEX
|
Ne
|
0,7 kg
|
0,18
|
Mosaz
|
FPM, NBR
|
12 bar
|
1 bar
|
0 bar
|
IP65
|
Mosaz, Nerez ocel
|
500 mA
|
0-10V
|
0-10V
|
| ||
|
Sentronic Plus, G1/8, 0-2 bar, 4-20mA
Art:
614357E723102
Zkopírováno
|
24 V
|
|
G1/8
|
210 l/min
|
3 mm
|
12 W
|
ATEX
|
Ne
|
0,7 kg
|
0,18
|
Mosaz
|
FPM, NBR
|
3 bar
|
2 bar
|
0 bar
|
IP65
|
Mosaz, Nerez ocel
|
500 mA
|
4-20mA
|
4-20mA
|
| ||
|
Sentronic Plus, G1/8, 0-3 bar, 4-20mA
Art:
614357E723103
Zkopírováno
|
24 V
|
|
G1/8
|
210 l/min
|
3 mm
|
12 W
|
ATEX
|
Ne
|
0,7 kg
|
0,18
|
Mosaz
|
FPM, NBR
|
8 bar
|
3 bar
|
0 bar
|
IP65
|
Mosaz, Nerez ocel
|
500 mA
|
4-20mA
|
4-20mA
|
| ||
|
Sentronic Plus, G1/8, 0-5 bar, 4-20mA
Art:
614357E723105
Zkopírováno
|
24 V
|
|
G1/8
|
210 l/min
|
3 mm
|
12 W
|
ATEX
|
Ne
|
0,7 kg
|
0,18
|
Mosaz
|
FPM, NBR
|
8 bar
|
5 bar
|
0 bar
|
IP65
|
Mosaz, Nerez ocel
|
500 mA
|
4-20mA
|
4-20mA
|
| ||
|
Sentronic Plus, G1/8, 0-6 bar, 4-20mA
Art:
614357E723106
Zkopírováno
|
24 V
|
|
G1/8
|
210 l/min
|
3 mm
|
12 W
|
ATEX
|
Ne
|
0,7 kg
|
0,18
|
Mosaz
|
FPM, NBR
|
12 bar
|
6 bar
|
0 bar
|
IP65
|
Mosaz, Nerez ocel
|
500 mA
|
4-20mA
|
4-20mA
|
| ||
|
Sentronic Plus, G1/4, 0-2 bar, 0-10V
Art:
614357D001102
Zkopírováno
|
24 V
|
|
G1/4
|
700 l/min
|
6 mm
|
24 W
|
|
Ano
|
1 kg
|
0.6
|
Hliník
|
FPM, NBR
|
3 bar
|
2 bar
|
0 bar
|
IP65
|
Mosaz, Nerez ocel
|
1000 mA
|
0-10V
|
0-10V
|
| ||
|
Sentronic Plus, G1/4, 0-3 bar, 0-10V
Art:
614357D001103
Zkopírováno
|
24 V
|
|
G1/4
|
700 l/min
|
6 mm
|
24 W
|
|
Ano
|
1 kg
|
0.6
|
Hliník
|
FPM, NBR
|
8 bar
|
3 bar
|
0 bar
|
IP65
|
Mosaz, Nerez ocel
|
1000 mA
|
0-10V
|
0-10V
|
| ||
|
Sentronic Plus, G1/4, 0-5 bar, 0-10V
Art:
614357D001105
Zkopírováno
|
24 V
|
|
G1/4
|
700 l/min
|
6 mm
|
24 W
|
|
Ano
|
1 kg
|
0.6
|
Hliník
|
FPM, NBR
|
8 bar
|
5 bar
|
0 bar
|
IP65
|
Mosaz, Nerez ocel
|
1000 mA
|
0-10V
|
0-10V
|
| ||
|
Sentronic Plus, G1/4, 0-6 bar, 0-10V
Art:
614357D001106
Zkopírováno
|
24 V
|
|
G1/4
|
700 l/min
|
6 mm
|
24 W
|
|
Ano
|
1 kg
|
0.6
|
Hliník
|
FPM, NBR
|
12 bar
|
6 bar
|
0 bar
|
IP65
|
Mosaz, Nerez ocel
|
1000 mA
|
0-10V
|
0-10V
|
| ||
|
Sentronic Plus, G1/4, 0-10 bar, 0-10V
Art:
614357D001110
Zkopírováno
|
24 V
|
|
G1/4
|
700 l/min
|
6 mm
|
24 W
|
|
Ano
|
1 kg
|
0.6
|
Hliník
|
FPM, NBR
|
12 bar
|
10 bar
|
0 bar
|
IP65
|
Mosaz, Nerez ocel
|
1000 mA
|
0-10V
|
0-10V
|
| ||
|
Sentronic Plus, G1/4, 0-1 bar, 0-10V
Art:
614357D001160
Zkopírováno
|
24 V
|
|
G1/4
|
700 l/min
|
6 mm
|
24 W
|
|
Ano
|
1 kg
|
0.6
|
Hliník
|
FPM, NBR
|
2 bar
|
1 bar
|
0 bar
|
IP65
|
Mosaz, Nerez ocel
|
1000 mA
|
0-10V
|
0-10V
|
| ||
|
Sentronic Plus, G1/4, 0-2 bar, 4-20mA
Art:
614357D023102
Zkopírováno
|
24 V
|
|
G1/4
|
700 l/min
|
6 mm
|
24 W
|
|
Ano
|
1 kg
|
0.6
|
Hliník
|
FPM, NBR
|
3 bar
|
2 bar
|
0 bar
|
IP65
|
Mosaz, Nerez ocel
|
1000 mA
|
4-20mA
|
4-20mA
|
| ||
|
Sentronic Plus, G1/4, 0-3 bar, 4-20mA
Art:
614357D023103
Zkopírováno
|
24 V
|
|
G1/4
|
700 l/min
|
6 mm
|
24 W
|
|
Ano
|
1 kg
|
0.6
|
Hliník
|
FPM, NBR
|
8 bar
|
3 bar
|
0 bar
|
IP65
|
Mosaz, Nerez ocel
|
1000 mA
|
4-20mA
|
4-20mA
|
| ||
|
Sentronic Plus, G1/4, 0-5 bar, 4-20mA
Art:
614357D023105
Zkopírováno
|
24 V
|
|
G1/4
|
700 l/min
|
6 mm
|
24 W
|
|
Ano
|
1 kg
|
0.6
|
Hliník
|
FPM, NBR
|
8 bar
|
5 bar
|
0 bar
|
IP65
|
Mosaz, Nerez ocel
|
1000 mA
|
4-20mA
|
4-20mA
|
| ||
|
Sentronic Plus, G1/4, 0-6 bar, 4-20mA
Art:
614357D023106
Zkopírováno
|
24 V
|
|
G1/4
|
700 l/min
|
6 mm
|
24 W
|
|
Ano
|
1 kg
|
0.6
|
Hliník
|
FPM, NBR
|
12 bar
|
6 bar
|
0 bar
|
IP65
|
Mosaz, Nerez ocel
|
1000 mA
|
4-20mA
|
4-20mA
|
| ||
|
Sentronic Plus, G1/4, 0-10 bar, 4-20mA
Art:
614357D023110
Zkopírováno
|
24 V
|
|
G1/4
|
700 l/min
|
6 mm
|
24 W
|
|
Ano
|
1 kg
|
0.6
|
Hliník
|
FPM, NBR
|
12 bar
|
10 bar
|
0 bar
|
IP65
|
Mosaz, Nerez ocel
|
1000 mA
|
4-20mA
|
4-20mA
|
| ||
|
Sentronic Plus, G1/4, 0-1 bar, 4-20mA
Art:
614357D023160
Zkopírováno
|
24 V
|
|
G1/4
|
700 l/min
|
6 mm
|
24 W
|
|
Ano
|
1 kg
|
0.6
|
Hliník
|
FPM, NBR
|
2 bar
|
1 bar
|
0 bar
|
IP65
|
Mosaz, Nerez ocel
|
1000 mA
|
4-20mA
|
4-20mA
|
| ||
|
Sentronic Plus, G1/4, 0-2 bar, 0-10V
Art:
614357E001102
Zkopírováno
|
24 V
|
|
G1/4
|
700 l/min
|
6 mm
|
24 W
|
ATEX
|
Ne
|
1 kg
|
0.6
|
Hliník
|
FPM, NBR
|
3 bar
|
2 bar
|
0 bar
|
IP65
|
Mosaz, Nerez ocel
|
1000 mA
|
0-10V
|
0-10V
|
| ||
|
Sentronic Plus, G1/4, 0-3 bar, 0-10V
Art:
614357E001103
Zkopírováno
|
24 V
|
|
G1/4
|
700 l/min
|
6 mm
|
24 W
|
ATEX
|
Ne
|
1 kg
|
0.6
|
Hliník
|
FPM, NBR
|
8 bar
|
3 bar
|
0 bar
|
IP65
|
Mosaz, Nerez ocel
|
1000 mA
|
0-10V
|
0-10V
|
| ||
|
Sentronic Plus, G1/4, 0-5 bar, 0-10V
Art:
614357E001105
Zkopírováno
|
24 V
|
|
G1/4
|
700 l/min
|
6 mm
|
24 W
|
ATEX
|
Ne
|
1 kg
|
0.6
|
Hliník
|
FPM, NBR
|
8 bar
|
5 bar
|
0 bar
|
IP65
|
Mosaz, Nerez ocel
|
1000 mA
|
0-10V
|
0-10V
|
| ||
|
Sentronic Plus, G1/4, 0-6 bar, 0-10V
Art:
614357E001106
Zkopírováno
|
24 V
|
|
G1/4
|
700 l/min
|
6 mm
|
24 W
|
ATEX
|
Ne
|
1 kg
|
0.6
|
Hliník
|
FPM, NBR
|
12 bar
|
6 bar
|
0 bar
|
IP65
|
Mosaz, Nerez ocel
|
1000 mA
|
0-10V
|
0-10V
|
| ||
|
Sentronic Plus, G1/4, 0-10 bar, 0-10V
Art:
614357E001110
Zkopírováno
|
24 V
|
|
G1/4
|
700 l/min
|
6 mm
|
24 W
|
ATEX
|
Ne
|
1 kg
|
0.6
|
Hliník
|
FPM, NBR
|
12 bar
|
10 bar
|
0 bar
|
IP65
|
Mosaz, Nerez ocel
|
1000 mA
|
0-10V
|
0-10V
|
| ||
|
Sentronic Plus, G1/4, 0-1 bar, 0-10V
Art:
614357E001160
Zkopírováno
|
24 V
|
|
G1/4
|
700 l/min
|
6 mm
|
24 W
|
ATEX
|
Ne
|
1 kg
|
0.6
|
Hliník
|
FPM, NBR
|
2 bar
|
1 bar
|
0 bar
|
IP65
|
Mosaz, Nerez ocel
|
1000 mA
|
0-10V
|
0-10V
|
| ||
|
Sentronic Plus, G1/4, 0-2 bar, 4-20mA
Art:
614357E023102
Zkopírováno
|
24 V
|
|
G1/4
|
700 l/min
|
6 mm
|
24 W
|
ATEX
|
Ne
|
1 kg
|
0.6
|
Hliník
|
FPM, NBR
|
3 bar
|
2 bar
|
0 bar
|
IP65
|
Mosaz, Nerez ocel
|
1000 mA
|
4-20mA
|
4-20mA
|
| ||
|
Sentronic Plus, G1/4, 0-3 bar, 4-20mA
Art:
614357E023103
Zkopírováno
|
24 V
|
|
G1/4
|
700 l/min
|
6 mm
|
24 W
|
ATEX
|
Ne
|
1 kg
|
0.6
|
Hliník
|
FPM, NBR
|
8 bar
|
3 bar
|
0 bar
|
IP65
|
Mosaz, Nerez ocel
|
1000 mA
|
4-20mA
|
4-20mA
|
| ||
|
Sentronic Plus, G1/4, 0-5 bar, 4-20mA
Art:
614357E023105
Zkopírováno
|
24 V
|
|
G1/4
|
700 l/min
|
6 mm
|
24 W
|
ATEX
|
Ne
|
1 kg
|
0.6
|
Hliník
|
FPM, NBR
|
8 bar
|
5 bar
|
0 bar
|
IP65
|
Mosaz, Nerez ocel
|
1000 mA
|
4-20mA
|
4-20mA
|
| ||
|
Sentronic Plus, G1/4, 0-6 bar, 4-20mA
Art:
614357E023106
Zkopírováno
|
24 V
|
|
G1/4
|
700 l/min
|
6 mm
|
24 W
|
ATEX
|
Ne
|
1 kg
|
0.6
|
Hliník
|
FPM, NBR
|
12 bar
|
6 bar
|
0 bar
|
IP65
|
Mosaz, Nerez ocel
|
1000 mA
|
4-20mA
|
4-20mA
|
| ||
|
Sentronic Plus, G1/4, 0-10 bar, 4-20mA
Art:
614357E023110
Zkopírováno
|
24 V
|
|
G1/4
|
700 l/min
|
6 mm
|
24 W
|
ATEX
|
Ne
|
1 kg
|
0.6
|
Hliník
|
FPM, NBR
|
12 bar
|
10 bar
|
0 bar
|
IP65
|
Mosaz, Nerez ocel
|
1000 mA
|
4-20mA
|
4-20mA
|
| ||
|
Sentronic Plus, G1/4, 0-1 bar, 4-20mA
Art:
614357E023160
Zkopírováno
|
24 V
|
|
G1/4
|
700 l/min
|
6 mm
|
24 W
|
ATEX
|
Ne
|
1 kg
|
0.6
|
Hliník
|
FPM, NBR
|
2 bar
|
1 bar
|
0 bar
|
IP65
|
Mosaz, Nerez ocel
|
1000 mA
|
4-20mA
|
4-20mA
|
| ||
|
Sentronic Plus, G1/2, 0-2 bar, 0-10V
Art:
614357D101102
Zkopírováno
|
24 V
|
|
G1/2
|
1400 l/min
|
12 mm
|
34 W
|
|
Ano
|
1,8 kg
|
1.2
|
Hliník
|
FPM, NBR
|
3 bar
|
2 bar
|
0 bar
|
IP65
|
Mosaz, Nerez ocel
|
1400 mA
|
0-10V
|
0-10V
|
| ||
|
Sentronic Plus, G1/2, 0-3 bar, 0-10V
Art:
614357D101103
Zkopírováno
|
24 V
|
|
G1/2
|
1400 l/min
|
12 mm
|
34 W
|
|
Ano
|
1,8 kg
|
1.2
|
Hliník
|
FPM, NBR
|
8 bar
|
3 bar
|
0 bar
|
IP65
|
Mosaz, Nerez ocel
|
1400 mA
|
0-10V
|
0-10V
|
| ||
|
Sentronic Plus, G1/2, 0-5 bar, 0-10V
Art:
614357D101105
Zkopírováno
|
24 V
|
|
G1/2
|
1400 l/min
|
12 mm
|
34 W
|
|
Ano
|
1,8 kg
|
1.2
|
Hliník
|
FPM, NBR
|
8 bar
|
5 bar
|
0 bar
|
IP65
|
Mosaz, Nerez ocel
|
1400 mA
|
0-10V
|
0-10V
|
| ||
|
Sentronic Plus, G1/2, 0-6 bar, 0-10V
Art:
614357D101106
Zkopírováno
|
24 V
|
|
G1/2
|
1400 l/min
|
12 mm
|
34 W
|
|
Ano
|
1,8 kg
|
1.2
|
Hliník
|
FPM, NBR
|
12 bar
|
6 bar
|
0 bar
|
IP65
|
Mosaz, Nerez ocel
|
1400 mA
|
0-10V
|
0-10V
|
| ||
|
Sentronic Plus, G1/2, 0-10 bar, 0-10V
Art:
614357D101110
Zkopírováno
|
24 V
|
|
G1/2
|
1400 l/min
|
12 mm
|
34 W
|
|
Ano
|
1,8 kg
|
1.2
|
Hliník
|
FPM, NBR
|
12 bar
|
10 bar
|
0 bar
|
IP65
|
Mosaz, Nerez ocel
|
1400 mA
|
0-10V
|
0-10V
|
| ||
|
Sentronic Plus, G1/2, 0-1 bar, 0-10V
Art:
614357D101160
Zkopírováno
|
24 V
|
|
G1/2
|
1400 l/min
|
12 mm
|
34 W
|
|
Ano
|
1,8 kg
|
1.2
|
Hliník
|
FPM, NBR
|
2 bar
|
1 bar
|
0 bar
|
IP65
|
Mosaz, Nerez ocel
|
1400 mA
|
0-10V
|
0-10V
|
| ||
|
Sentronic Plus, G1/2, 0-2 bar, 4-20mA
Art:
614357D123102
Zkopírováno
|
24 V
|
|
G1/2
|
1400 l/min
|
12 mm
|
34 W
|
|
Ano
|
1,8 kg
|
1.2
|
Hliník
|
FPM, NBR
|
3 bar
|
2 bar
|
0 bar
|
IP65
|
Mosaz, Nerez ocel
|
1400 mA
|
4-20mA
|
4-20mA
|
| ||
|
Sentronic Plus, G1/2, 0-3 bar, 4-20mA
Art:
614357D123103
Zkopírováno
|
24 V
|
|
G1/2
|
1400 l/min
|
12 mm
|
34 W
|
|
Ano
|
1,8 kg
|
1.2
|
Hliník
|
FPM, NBR
|
8 bar
|
3 bar
|
0 bar
|
IP65
|
Mosaz, Nerez ocel
|
1400 mA
|
4-20mA
|
4-20mA
|
| ||
|
Sentronic Plus, G1/2, 0-5 bar, 4-20mA
Art:
614357D123105
Zkopírováno
|
24 V
|
|
G1/2
|
1400 l/min
|
12 mm
|
34 W
|
|
Ano
|
1,8 kg
|
1.2
|
Hliník
|
FPM, NBR
|
8 bar
|
5 bar
|
0 bar
|
IP65
|
Mosaz, Nerez ocel
|
1400 mA
|
4-20mA
|
4-20mA
|
| ||
|
Sentronic Plus, G1/2, 0-6 bar, 4-20mA
Art:
614357D123106
Zkopírováno
|
24 V
|
|
G1/2
|
1400 l/min
|
12 mm
|
34 W
|
|
Ano
|
1,8 kg
|
1.2
|
Hliník
|
FPM, NBR
|
12 bar
|
6 bar
|
0 bar
|
IP65
|
Mosaz, Nerez ocel
|
1400 mA
|
4-20mA
|
4-20mA
|
| ||
|
Sentronic Plus, G1/2, 0-10 bar, 4-20mA
Art:
614357D123110
Zkopírováno
|
24 V
|
|
G1/2
|
1400 l/min
|
12 mm
|
34 W
|
|
Ano
|
1,8 kg
|
1.2
|
Hliník
|
FPM, NBR
|
12 bar
|
10 bar
|
0 bar
|
IP65
|
Mosaz, Nerez ocel
|
1400 mA
|
4-20mA
|
4-20mA
|
| ||
|
Sentronic Plus, G1/2, 0-1 bar, 4-20mA
Art:
614357D123160
Zkopírováno
|
24 V
|
|
G1/2
|
1400 l/min
|
12 mm
|
34 W
|
|
Ano
|
1,8 kg
|
1.2
|
Hliník
|
FPM, NBR
|
2 bar
|
1 bar
|
0 bar
|
IP65
|
Mosaz, Nerez ocel
|
1400 mA
|
4-20mA
|
4-20mA
|
| ||
|
Sentronic Plus, G1/2, 0-2 bar, 0-10V
Art:
614357E101102
Zkopírováno
|
24 V
|
|
G1/2
|
1400 l/min
|
12 mm
|
34 W
|
ATEX
|
Ne
|
1,8 kg
|
1.2
|
Hliník
|
FPM, NBR
|
3 bar
|
2 bar
|
0 bar
|
IP65
|
Mosaz, Nerez ocel
|
1400 mA
|
0-10V
|
0-10V
|
| ||
|
Sentronic Plus, G1/2, 0-3 bar, 0-10V
Art:
614357E101103
Zkopírováno
|
24 V
|
|
G1/2
|
1400 l/min
|
12 mm
|
34 W
|
ATEX
|
Ne
|
1,8 kg
|
1.2
|
Hliník
|
FPM, NBR
|
8 bar
|
3 bar
|
0 bar
|
IP65
|
Mosaz, Nerez ocel
|
1400 mA
|
0-10V
|
0-10V
|
| ||
|
Sentronic Plus, G1/2, 0-5 bar, 0-10V
Art:
614357E101105
Zkopírováno
|
24 V
|
|
G1/2
|
1400 l/min
|
12 mm
|
34 W
|
ATEX
|
Ne
|
1,8 kg
|
1.2
|
Hliník
|
FPM, NBR
|
8 bar
|
5 bar
|
0 bar
|
IP65
|
Mosaz, Nerez ocel
|
1400 mA
|
0-10V
|
0-10V
|
| ||
|
Sentronic Plus, G1/2, 0-6 bar, 0-10V
Art:
614357E101106
Zkopírováno
|
24 V
|
|
G1/2
|
1400 l/min
|
12 mm
|
34 W
|
ATEX
|
Ne
|
1,8 kg
|
1.2
|
Hliník
|
FPM, NBR
|
12 bar
|
6 bar
|
0 bar
|
IP65
|
Mosaz, Nerez ocel
|
1400 mA
|
0-10V
|
0-10V
|
| ||
|
Sentronic Plus, G1/2, 0-10 bar, 0-10V
Art:
614357E101110
Zkopírováno
|
24 V
|
|
G1/2
|
1400 l/min
|
12 mm
|
34 W
|
ATEX
|
Ne
|
1,8 kg
|
1.2
|
Hliník
|
FPM, NBR
|
12 bar
|
10 bar
|
0 bar
|
IP65
|
Mosaz, Nerez ocel
|
1400 mA
|
0-10V
|
0-10V
|
| ||
|
Sentronic Plus, G1/2, 0-1 bar, 0-10V
Art:
614357E101160
Zkopírováno
|
24 V
|
|
G1/2
|
1400 l/min
|
12 mm
|
34 W
|
ATEX
|
Ne
|
1,8 kg
|
1.2
|
Hliník
|
FPM, NBR
|
2 bar
|
1 bar
|
0 bar
|
IP65
|
Mosaz, Nerez ocel
|
1400 mA
|
0-10V
|
0-10V
|
| ||
|
Sentronic Plus, G1/2, 0-2 bar, 4-20mA
Art:
614357E123102
Zkopírováno
|
24 V
|
|
G1/2
|
1400 l/min
|
12 mm
|
34 W
|
ATEX
|
Ne
|
1,8 kg
|
1.2
|
Hliník
|
FPM, NBR
|
3 bar
|
2 bar
|
0 bar
|
IP65
|
Mosaz, Nerez ocel
|
1400 mA
|
4-20mA
|
4-20mA
|
| ||
|
Sentronic Plus, G1/2, 0-3 bar, 4-20mA
Art:
614357E123103
Zkopírováno
|
24 V
|
|
G1/2
|
1400 l/min
|
12 mm
|
34 W
|
ATEX
|
Ne
|
1,8 kg
|
1.2
|
Hliník
|
FPM, NBR
|
8 bar
|
3 bar
|
0 bar
|
IP65
|
Mosaz, Nerez ocel
|
1400 mA
|
4-20mA
|
4-20mA
|
| ||
|
Sentronic Plus, G1/2, 0-5 bar, 4-20mA
Art:
614357E123105
Zkopírováno
|
24 V
|
|
G1/2
|
1400 l/min
|
12 mm
|
34 W
|
ATEX
|
Ne
|
1,8 kg
|
1.2
|
Hliník
|
FPM, NBR
|
8 bar
|
5 bar
|
0 bar
|
IP65
|
Mosaz, Nerez ocel
|
1400 mA
|
4-20mA
|
4-20mA
|
| ||
|
Sentronic Plus, G1/2, 0-6 bar, 4-20mA
Art:
614357E123106
Zkopírováno
|
24 V
|
|
G1/2
|
1400 l/min
|
12 mm
|
34 W
|
ATEX
|
Ne
|
1,8 kg
|
1.2
|
Hliník
|
FPM, NBR
|
12 bar
|
6 bar
|
0 bar
|
IP65
|
Mosaz, Nerez ocel
|
1400 mA
|
4-20mA
|
4-20mA
|
| ||
|
Sentronic Plus, G1/2, 0-10 bar, 4-20mA
Art:
614357E123110
Zkopírováno
|
24 V
|
|
G1/2
|
1400 l/min
|
12 mm
|
34 W
|
ATEX
|
Ne
|
1,8 kg
|
1.2
|
Hliník
|
FPM, NBR
|
12 bar
|
10 bar
|
0 bar
|
IP65
|
Mosaz, Nerez ocel
|
1400 mA
|
4-20mA
|
4-20mA
|
| ||
|
Sentronic Plus, G1/2, 0-1 bar, 4-20mA
Art:
614357E123160
Zkopírováno
|
24 V
|
|
G1/2
|
1400 l/min
|
12 mm
|
34 W
|
ATEX
|
Ne
|
1,8 kg
|
1.2
|
Hliník
|
FPM, NBR
|
2 bar
|
1 bar
|
0 bar
|
IP65
|
Mosaz, Nerez ocel
|
1400 mA
|
4-20mA
|
4-20mA
|
| ||
|
Sentronic Plus, G1, 0-2 bar, 0-10V
Art:
614357D201102
Zkopírováno
|
24 V
|
|
G1
|
5600 l/min
|
20 mm
|
44 W
|
|
Ano
|
3,55 kg
|
4.8
|
Hliník
|
FPM, NBR
|
3 bar
|
2 bar
|
0 bar
|
IP65
|
Mosaz, Nerez ocel
|
1800 mA
|
0-10V
|
0-10V
|
| ||
|
Sentronic Plus, G1, 0-3 bar, 0-10V
Art:
614357D201103
Zkopírováno
|
24 V
|
|
G1
|
5600 l/min
|
20 mm
|
44 W
|
|
Ano
|
3,55 kg
|
4.8
|
Hliník
|
FPM, NBR
|
8 bar
|
3 bar
|
0 bar
|
IP65
|
Mosaz, Nerez ocel
|
1800 mA
|
0-10V
|
0-10V
|
| ||
|
Sentronic Plus, G1, 0-5 bar, 0-10V
Art:
614357D201105
Zkopírováno
|
24 V
|
|
G1
|
5600 l/min
|
20 mm
|
44 W
|
|
Ano
|
3,55 kg
|
4.8
|
Hliník
|
FPM, NBR
|
8 bar
|
5 bar
|
0 bar
|
IP65
|
Mosaz, Nerez ocel
|
1800 mA
|
0-10V
|
0-10V
|
| ||
|
Sentronic Plus, G1, 0-6 bar, 0-10V
Art:
614357D201106
Zkopírováno
|
24 V
|
|
G1
|
5600 l/min
|
20 mm
|
44 W
|
|
Ano
|
3,55 kg
|
4.8
|
Hliník
|
FPM, NBR
|
12 bar
|
6 bar
|
0 bar
|
IP65
|
Mosaz, Nerez ocel
|
1800 mA
|
0-10V
|
0-10V
|
| ||
|
Sentronic Plus, G1, 0-10 bar, 0-10V
Art:
614357D201110
Zkopírováno
|
24 V
|
|
G1
|
5600 l/min
|
20 mm
|
44 W
|
|
Ano
|
3,55 kg
|
4.8
|
Hliník
|
FPM, NBR
|
12 bar
|
10 bar
|
0 bar
|
IP65
|
Mosaz, Nerez ocel
|
1800 mA
|
0-10V
|
0-10V
|
| ||
|
Sentronic Plus, G1, 0-1 bar, 0-10V
Art:
614357D201160
Zkopírováno
|
24 V
|
|
G1
|
5600 l/min
|
20 mm
|
44 W
|
|
Ano
|
3,55 kg
|
4.8
|
Hliník
|
FPM, NBR
|
2 bar
|
1 bar
|
0 bar
|
IP65
|
Mosaz, Nerez ocel
|
1800 mA
|
0-10V
|
0-10V
|
| ||
|
Sentronic Plus, G1, 0-2 bar, 4-20mA
Art:
614357D223102
Zkopírováno
|
24 V
|
|
G1
|
5600 l/min
|
20 mm
|
44 W
|
|
Ano
|
3,55 kg
|
4.8
|
Hliník
|
FPM, NBR
|
3 bar
|
2 bar
|
0 bar
|
IP65
|
Mosaz, Nerez ocel
|
1800 mA
|
4-20mA
|
4-20mA
|
| ||
|
Sentronic Plus, G1, 0-3 bar, 4-20mA
Art:
614357D223103
Zkopírováno
|
24 V
|
|
G1
|
5600 l/min
|
20 mm
|
44 W
|
|
Ano
|
3,55 kg
|
4.8
|
Hliník
|
FPM, NBR
|
8 bar
|
3 bar
|
0 bar
|
IP65
|
Mosaz, Nerez ocel
|
1800 mA
|
4-20mA
|
4-20mA
|
| ||
|
Sentronic Plus, G1, 0-5 bar, 4-20mA
Art:
614357D223105
Zkopírováno
|
24 V
|
|
G1
|
5600 l/min
|
20 mm
|
44 W
|
|
Ano
|
3,55 kg
|
4.8
|
Hliník
|
FPM, NBR
|
8 bar
|
5 bar
|
0 bar
|
IP65
|
Mosaz, Nerez ocel
|
1800 mA
|
4-20mA
|
4-20mA
|
| ||
|
Sentronic Plus, G1, 0-6 bar, 4-20mA
Art:
614357D223106
Zkopírováno
|
24 V
|
|
G1
|
5600 l/min
|
20 mm
|
44 W
|
|
Ano
|
3,55 kg
|
4.8
|
Hliník
|
FPM, NBR
|
12 bar
|
6 bar
|
0 bar
|
IP65
|
Mosaz, Nerez ocel
|
1800 mA
|
4-20mA
|
4-20mA
|
| ||
|
Sentronic Plus, G1, 0-10 bar, 4-20mA
Art:
614357D223110
Zkopírováno
|
24 V
|
|
G1
|
5600 l/min
|
20 mm
|
44 W
|
|
Ano
|
3,55 kg
|
4.8
|
Hliník
|
FPM, NBR
|
12 bar
|
10 bar
|
0 bar
|
IP65
|
Mosaz, Nerez ocel
|
1800 mA
|
4-20mA
|
4-20mA
|
| ||
|
Sentronic Plus, G1, 0-1 bar, 4-20mA
Art:
614357D223160
Zkopírováno
|
24 V
|
|
G1
|
5600 l/min
|
20 mm
|
44 W
|
|
Ano
|
3,55 kg
|
4.8
|
Hliník
|
FPM, NBR
|
2 bar
|
1 bar
|
0 bar
|
IP65
|
Mosaz, Nerez ocel
|
1800 mA
|
4-20mA
|
4-20mA
|
| ||
|
Sentronic Plus, G1, 0-2 bar, 0-10V
Art:
614357E201102
Zkopírováno
|
24 V
|
|
G1
|
5600 l/min
|
20 mm
|
44 W
|
ATEX
|
Ne
|
3,55 kg
|
4.8
|
Hliník
|
FPM, NBR
|
3 bar
|
2 bar
|
0 bar
|
IP65
|
Mosaz, Nerez ocel
|
1800 mA
|
0-10V
|
0-10V
|
| ||
|
Sentronic Plus, G1, 0-3 bar, 0-10V
Art:
614357E201103
Zkopírováno
|
24 V
|
|
G1
|
5600 l/min
|
20 mm
|
44 W
|
ATEX
|
Ne
|
3,55 kg
|
4.8
|
Hliník
|
FPM, NBR
|
8 bar
|
3 bar
|
0 bar
|
IP65
|
Mosaz, Nerez ocel
|
1800 mA
|
0-10V
|
0-10V
|
| ||
|
Sentronic Plus, G1, 0-5 bar, 0-10V
Art:
614357E201105
Zkopírováno
|
24 V
|
|
G1
|
5600 l/min
|
20 mm
|
44 W
|
ATEX
|
Ne
|
3,55 kg
|
4.8
|
Hliník
|
FPM, NBR
|
8 bar
|
5 bar
|
0 bar
|
IP65
|
Mosaz, Nerez ocel
|
1800 mA
|
0-10V
|
0-10V
|
| ||
|
Sentronic Plus, G1, 0-6 bar, 0-10V
Art:
614357E201106
Zkopírováno
|
24 V
|
|
G1
|
5600 l/min
|
20 mm
|
44 W
|
ATEX
|
Ne
|
3,55 kg
|
4.8
|
Hliník
|
FPM, NBR
|
12 bar
|
6 bar
|
0 bar
|
IP65
|
Mosaz, Nerez ocel
|
1800 mA
|
0-10V
|
0-10V
|
| ||
|
Sentronic Plus, G1, 0-10 bar, 0-10V
Art:
614357E201110
Zkopírováno
|
24 V
|
|
G1
|
5600 l/min
|
20 mm
|
44 W
|
ATEX
|
Ne
|
3,55 kg
|
4.8
|
Hliník
|
FPM, NBR
|
12 bar
|
10 bar
|
0 bar
|
IP65
|
Mosaz, Nerez ocel
|
1800 mA
|
0-10V
|
0-10V
|
| ||
|
Sentronic Plus, G1, 0-1 bar, 0-10V
Art:
614357E201160
Zkopírováno
|
24 V
|
|
G1
|
5600 l/min
|
20 mm
|
44 W
|
ATEX
|
Ne
|
3,55 kg
|
4.8
|
Hliník
|
FPM, NBR
|
2 bar
|
1 bar
|
0 bar
|
IP65
|
Mosaz, Nerez ocel
|
1800 mA
|
0-10V
|
0-10V
|
| ||
|
Sentronic Plus, G1, 0-2 bar, 4-20mA
Art:
614357E223102
Zkopírováno
|
24 V
|
|
G1
|
5600 l/min
|
20 mm
|
44 W
|
ATEX
|
Ne
|
3,55 kg
|
4.8
|
Hliník
|
FPM, NBR
|
3 bar
|
2 bar
|
0 bar
|
IP65
|
Mosaz, Nerez ocel
|
1800 mA
|
4-20mA
|
4-20mA
|
| ||
|
Sentronic Plus, G1, 0-3 bar, 4-20mA
Art:
614357E223103
Zkopírováno
|
24 V
|
|
G1
|
5600 l/min
|
20 mm
|
44 W
|
ATEX
|
Ne
|
3,55 kg
|
4.8
|
Hliník
|
FPM, NBR
|
8 bar
|
3 bar
|
0 bar
|
IP65
|
Mosaz, Nerez ocel
|
1800 mA
|
4-20mA
|
4-20mA
|
| ||
|
Sentronic Plus, G1, 0-5 bar, 4-20mA
Art:
614357E223105
Zkopírováno
|
24 V
|
|
G1
|
5600 l/min
|
20 mm
|
44 W
|
ATEX
|
Ne
|
3,55 kg
|
4.8
|
Hliník
|
FPM, NBR
|
8 bar
|
5 bar
|
0 bar
|
IP65
|
Mosaz, Nerez ocel
|
1800 mA
|
4-20mA
|
4-20mA
|
| ||
|
Sentronic Plus, G1, 0-6 bar, 4-20mA
Art:
614357E223106
Zkopírováno
|
24 V
|
|
G1
|
5600 l/min
|
20 mm
|
44 W
|
ATEX
|
Ne
|
3,55 kg
|
4.8
|
Hliník
|
FPM, NBR
|
12 bar
|
6 bar
|
0 bar
|
IP65
|
Mosaz, Nerez ocel
|
1800 mA
|
4-20mA
|
4-20mA
|
| ||
|
Sentronic Plus, G1, 0-10 bar, 4-20mA
Art:
614357E223110
Zkopírováno
|
24 V
|
|
G1
|
5600 l/min
|
20 mm
|
44 W
|
ATEX
|
Ne
|
3,55 kg
|
4.8
|
Hliník
|
FPM, NBR
|
12 bar
|
10 bar
|
0 bar
|
IP65
|
Mosaz, Nerez ocel
|
1800 mA
|
4-20mA
|
4-20mA
|
| ||
|
Sentronic Plus, G1, 0-1 bar, 4-20mA
Art:
614357E223160
Zkopírováno
|
24 V
|
|
G1
|
5600 l/min
|
20 mm
|
44 W
|
ATEX
|
Ne
|
3,55 kg
|
4.8
|
Hliník
|
FPM, NBR
|
2 bar
|
1 bar
|
0 bar
|
IP65
|
Mosaz, Nerez ocel
|
1800 mA
|
4-20mA
|
4-20mA
|
|
Vyberte variantu ze seznamu