SENSECA

Snímače průtoku VHS

Série VHS

  • Šroubovicový princip měření
  • Rozsah 1,4 až 2500 l/min
  • Teplota -25 až 150 °C
  • Výstup 4-20mA, 0-10V, P, F
  • Tlaková odolnost 350 Bar
218132_812.jpg

VHS065GAO2500I - Snímac prutoku G2-1/2, 25,0-2500 l/min, 4-20 mA

Vybraná varianta

Varianty produkty

Vybraná varianta

Specifikace

Hmotnost 25 kg
Materiál konektoru Hliník
Max. napětí DC 30 V
Min. napětí DC 10 V
Opakovatelná přesnost 0,25 %
Průtok max. 2200 l/min
Rozsah průtoku max. 1500 l/min
Rozsah průtoku min. 15 l/min
Spotřeba 19 mA
Teplota média max. 80 °C
Teplota média min. -25 °C
Tlakový rozsah max. 160 bar
Třída krytí IP67
Viskozita max. 40000 cSt

Ke stažení

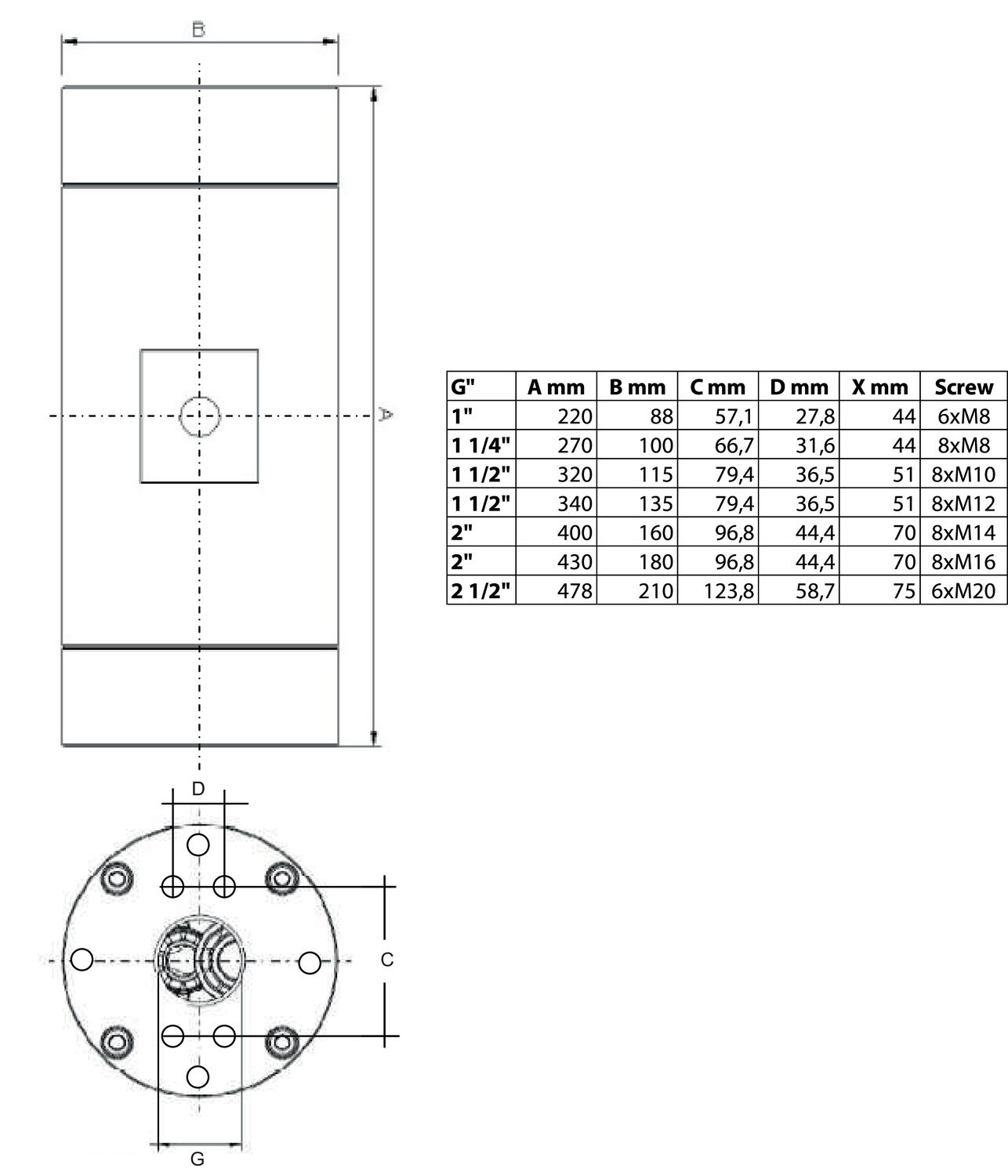
Rozměry a připojení

Příslušenství

INSPO

Produktové zprávy

Vibrační hladinové spínače

Procesy v potravinářském, nápojovém a farmaceutickém průmyslu vyžadují přesné měření hladiny. Vibrační spínače WIKA řady TLS-H jsou špičkovým řešením, které díky splnění přísných hygienických požadavků zajišťuje stabilní a spolehlivou detekci.

Produktové zprávy

Přesné řízení průtoku pro čistější budoucnost

Brooks Instrument je tradičním výrobcem v oblasti měření průtoků kapalin a plynů. Již desetiletí jsou jejich produkty používané v nejnáročnějších průmyslových výrobních a analytických procesech

Snímače WIKA pro vodíkové technologie
Produktové zprávy

Snímače WIKA pro vodíkové technologie

Komplexní nabídka snímačů tlaku a teploty, manometrů a dalších komponentů pro vodíkové aplikace od společnosti WIKA

Produktové zprávy

Výrobce plovákových spínačů

Tecnoplastic je Italská výrobní společnost založená v roce 1994, která nabízí plovákové spínače a filtry na pitnou vodu. Výroba probíhá v závodě nedaleko Benátek.

Produktové zprávy

GP200 - Když je požadavkem procesu vysoká přesnost

Regulátor hmotnostního průtoku na bázi diferenčního tlaku Brooks Instruments GP200 umožňuje přesný průtok plynu procesem za různých podmínek.

Události

Road show 2022

Pojďte se s námi podívat jak probíhala naše zákaznická akce Rood show, na které jsme prezentovali novinky z oblasti průmyslové automatizace, digitalizace a optimalizace výrobních procesů.

Objednací číslo Hmotnost Průtok max. Rozsah průtoku max. Rozsah průtoku min. Cena
3,44 kg
200 l/min
140 l/min
1,4 l/min
6,35 kg
500 l/min
350 l/min
3,5 l/min
14,2 kg
1200 l/min
800 l/min
8 l/min
25 kg
2200 l/min
1500 l/min
15 l/min
42,7 kg
3800 l/min
2500 l/min
25 l/min
3,44 kg
200 l/min
140 l/min
1,4 l/min
6,35 kg
500 l/min
350 l/min
3,5 l/min
14,2 kg
1200 l/min
800 l/min
8 l/min
25 kg
2200 l/min
1500 l/min
15 l/min
42,7 kg
3800 l/min
2500 l/min
25 l/min

Vybraná varianta

Vyberte variantu ze seznamu

Kontakt

Pavel Lipenský

Technical sales engineer - Pressure & flow

+420 731 161 891
Poslat e-mail
Zákaznický servis
Kontaktujte nás:
+420 241 484 940
Poslat e-mail
Potřebujete pomoci?
Logo

Cookies nastavení oemautomatic.cz

Soubory cookies nám pomáhají zlepšovat vaši zkušenost s námi a proto, abychom mohli zpracovávat přihlašovací údaje, nabízet personalizovaný obsah a pro základní funkčnost tohoto webu používáme některé soubory cookies.

Nikdy nebudeme prodávat žádné informace o vás.

Můžete přijmout všechny soubory cookies nebo přizpůsobit své preference týkající se souborů cookies, můžete také kdykoli změnit své preference pro soubory cookies návštěvou naší kontaktní stránky.


Nezbytné soubory cookies

Tyto soubory cookies jsou nezbytné pro fungování webu a nelze je v našich systémech vypnout. Obvykle se používají pouze v reakci na akce, které jste provedli v souvislosti s požadavkem na službu, například při nastavení osobních preferencí, přihlášení nebo vyplnění formuláře.

Soubory cookies pro analýzu a měření

Tyto soubory cookies nám umožňují počítat počet návštěv a zdroje návštěvnosti, abychom mohli měřit a zlepšovat výkon našich webových stránek. Pomáhají nám zjistit, které stránky jsou více či méně oblíbené a jak se návštěvníci po webu pohybují. Informace, které tyto cookies shromažďují jsou agregované, a tedy zcela anonymní. Pokud tyto soubory nepovolíte, nevíme, kdy jste navštívili naše webové stránky.

Marketingové soubory cookies

Tyto soubory cookies mohou přidat naši partneři. Mohou je použít k vytvoření vašeho profilu na základě vašich zájmů, aby vám mohli zobrazovat relevantnější informace. Neukládají žádné osobní údaje – pouze informace o vašem prohlížeči a zařízení. Pokud tyto cookies nepřijmete, budete mít obecnější a méně přizpůsobenou uživatelskou zkušenost.